LEMON Manuals: Even more car manuals for everyone: 1960-2025
Home >> Infiniti >> 2018 >> QX60 AWD >> Repair and Diagnosis >> Transmission >> Automatic Trans >> Automatic Transmission >> Removal And Installation >> Input Speed Sensor >> Exploded View
April 5, 2026: LEMON Manuals is launched! Read the announcement.

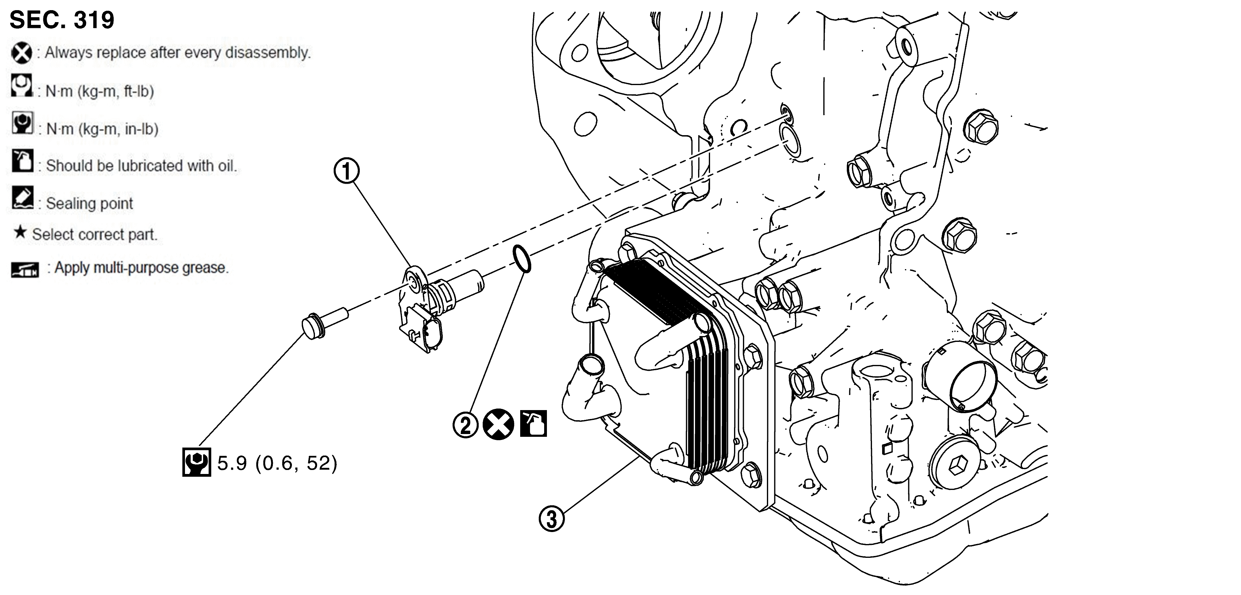
Exploded View

GNSJSDIA4131GB-131Courtesy of NISSAN NORTH AMERICA, INC.

SYMBOL

Input speed sensor

SYMBOL

O-ring

SYMBOL

Transaxle assembly

SYMBOL

: Always replace after every disassembly.

SYMBOL

: N.m (kg-m, in-lb)

SYMBOL

: Apply CVT fluid