LEMON Manuals: Even more car manuals for everyone: 1960-2025
Home >> Infiniti >> 2019 >> Q50 Pure, AWD >> Repair and Diagnosis >> Body & Frame >> Door Locks >> Security Control System >> System Description >> System >> Circuit Diagram >> For VR30DDTT Engine Models
April 5, 2026: LEMON Manuals is launched! Read the announcement.

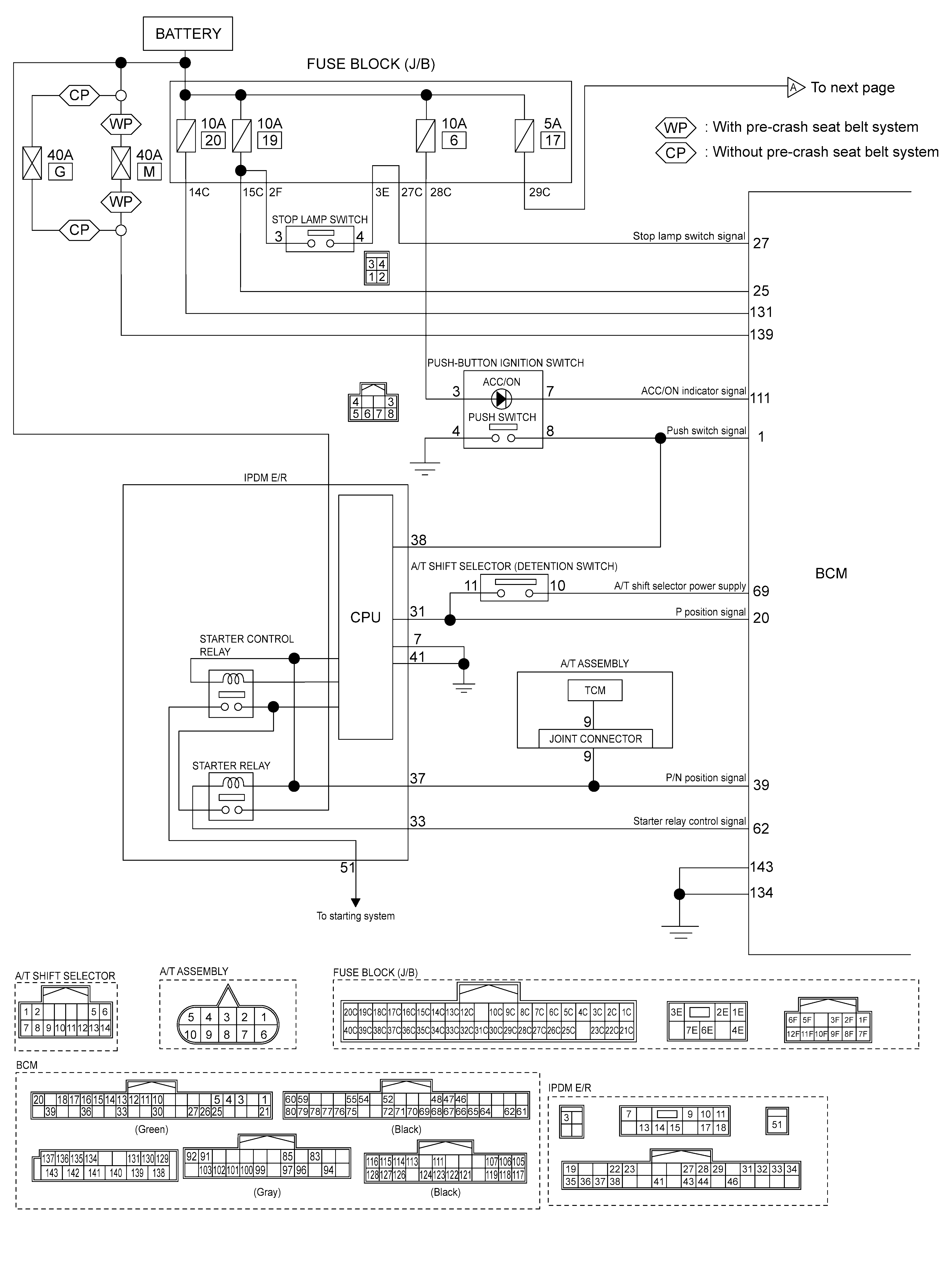
For VR30DDTT Engine Models

GNSILL0220609-609Courtesy of NISSAN NORTH AMERICA, INC.
GNSJMKIB6818GB-818Courtesy of NISSAN NORTH AMERICA, INC.