LEMON Manuals: Even more car manuals for everyone: 1960-2025
Home >> Infiniti >> 2019 >> Q50 Pure, AWD >> Repair and Diagnosis >> Brakes >> Brakes Control Systems >> Brake Control System >> System Description >> System >> Circuit Diagram
April 5, 2026: LEMON Manuals is launched! Read the announcement.

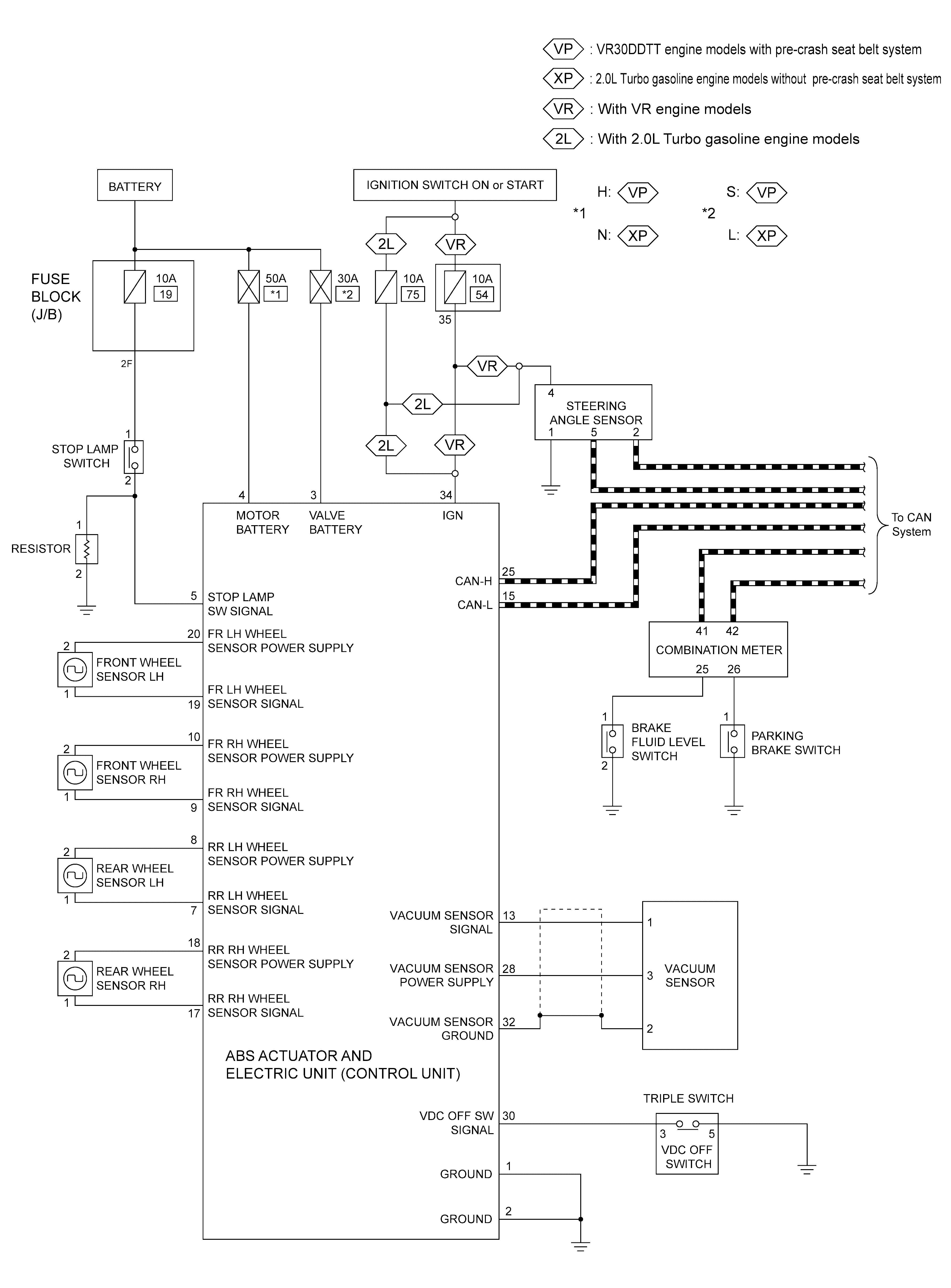
Circuit Diagram

GNSILL0222810-810Courtesy of NISSAN NORTH AMERICA, INC.
G09159285Courtesy of NISSAN NORTH AMERICA, INC.