LEMON Manuals: Even more car manuals for everyone: 1960-2025
Home >> Infiniti >> 2019 >> Q60 Luxe, AWD >> Repair and Diagnosis >> Engine Performance >> System >> Engine Control System (2 Of 6) >> System Description >> System >> Circuit Diagram (Turbo Low Pressure Model)
April 5, 2026: LEMON Manuals is launched! Read the announcement.

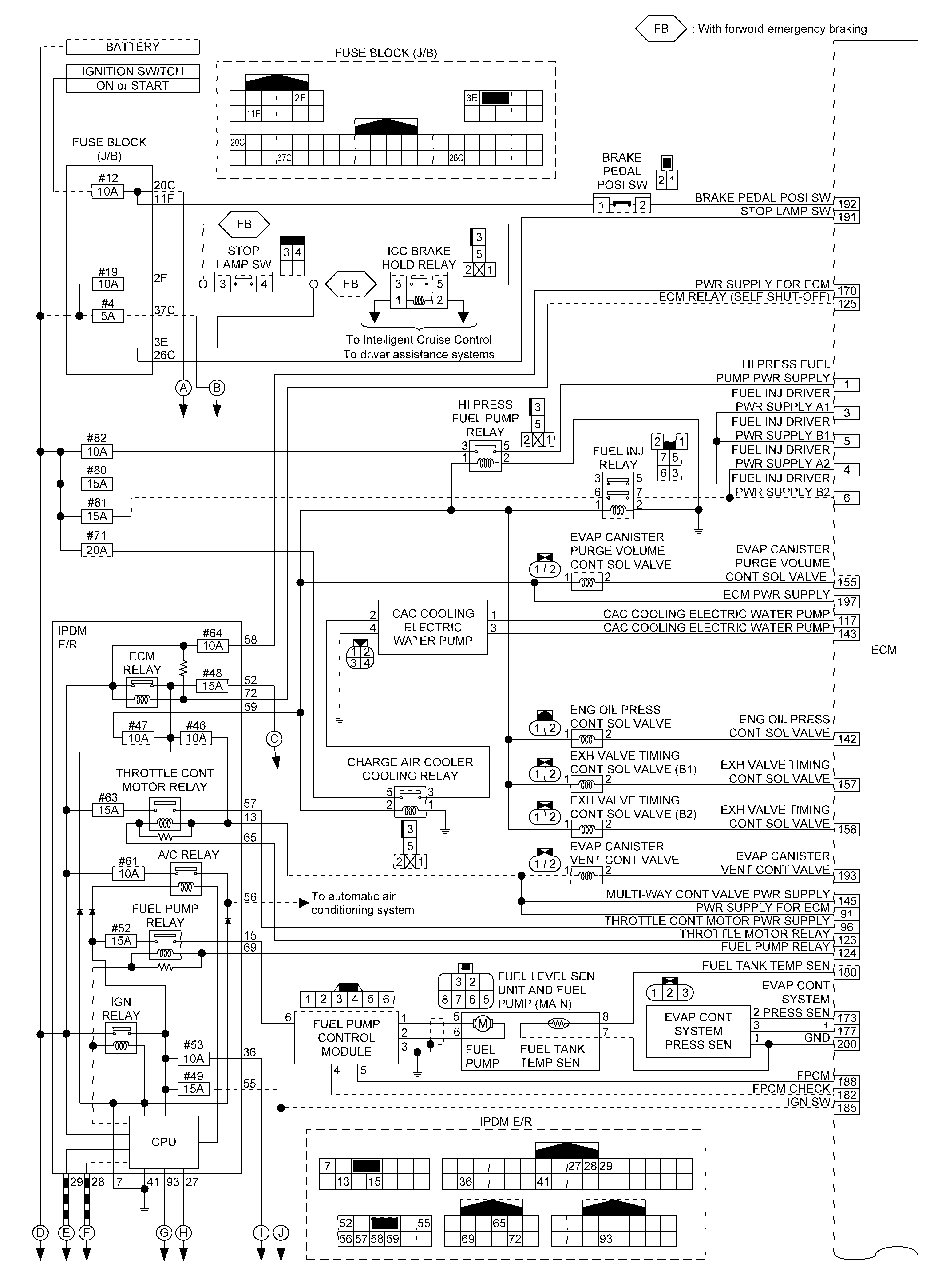
Circuit Diagram (Turbo Low Pressure Model)

GNSJSBIB1394GB-394Courtesy of NISSAN NORTH AMERICA, INC.
GNSJSBIB0467GB-467Courtesy of NISSAN NORTH AMERICA, INC.
GNSJSBIB1397GB-397Courtesy of NISSAN NORTH AMERICA, INC.
GNSILL0129443-443Courtesy of NISSAN NORTH AMERICA, INC.

*: Exhaust gas temperature sensor is not applicable.