LEMON Manuals: Even more car manuals for everyone: 1960-2025
Home >> Infiniti >> 2019 >> Q60 Luxe, RWD >> Repair and Diagnosis >> Restraints >> Restraints Control Systems >> SRS Airbag Control System >> System Description >> System >> Circuit Diagram
April 5, 2026: LEMON Manuals is launched! Read the announcement.

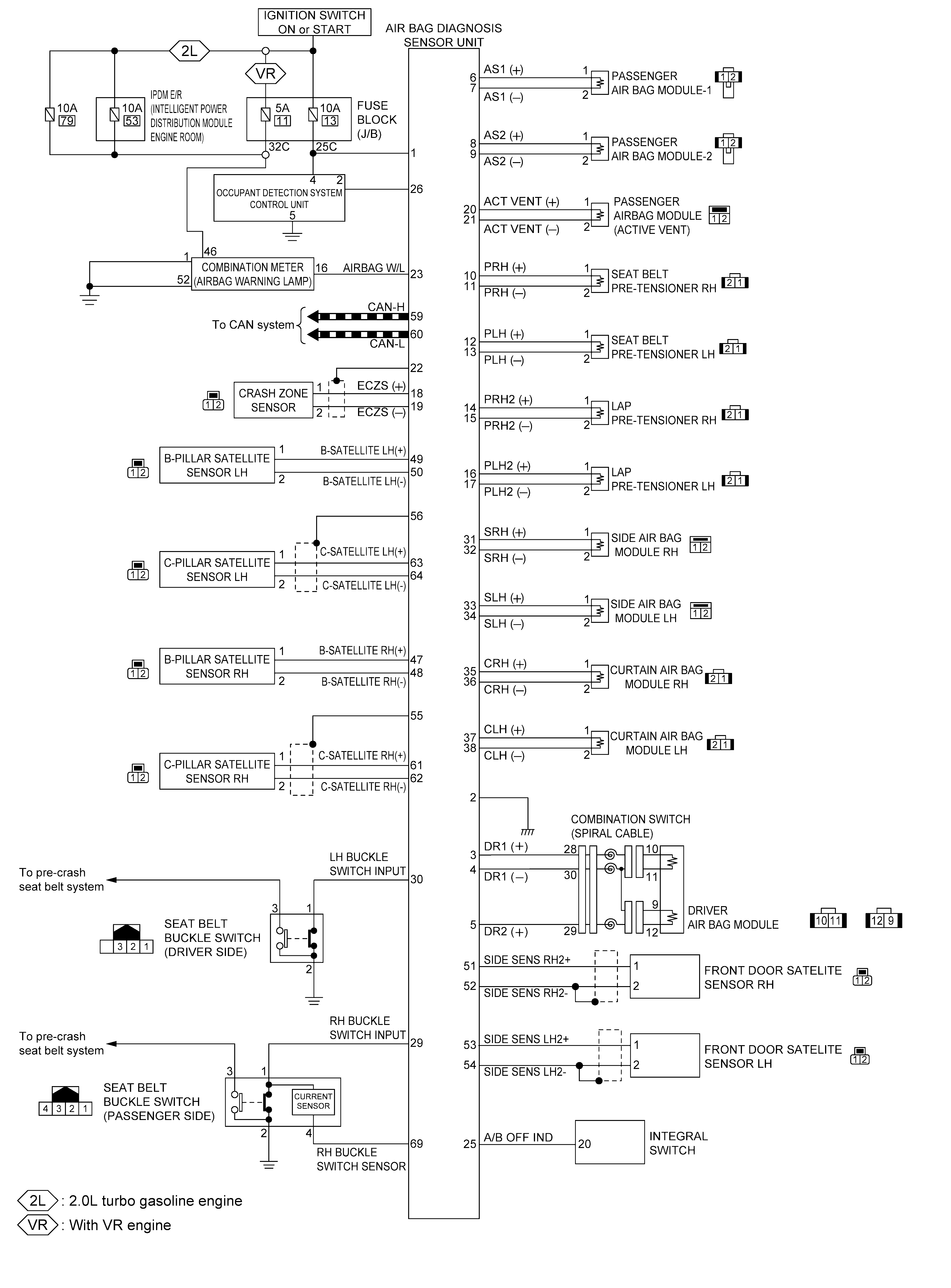
Circuit Diagram

GNSILL0215650-650Courtesy of NISSAN NORTH AMERICA, INC.