LEMON Manuals: Even more car manuals for everyone: 1960-2025
Home >> Infiniti >> 2022 >> Q50 Sensory, AWD >> Repair and Diagnosis >> Engine Performance >> Engine Control Systems >> Engine Control System (Diagnostics) (1 Of 4) >> Description >> System >> Engine Control System >> Circuit Diagram
April 5, 2026: LEMON Manuals is launched! Read the announcement.

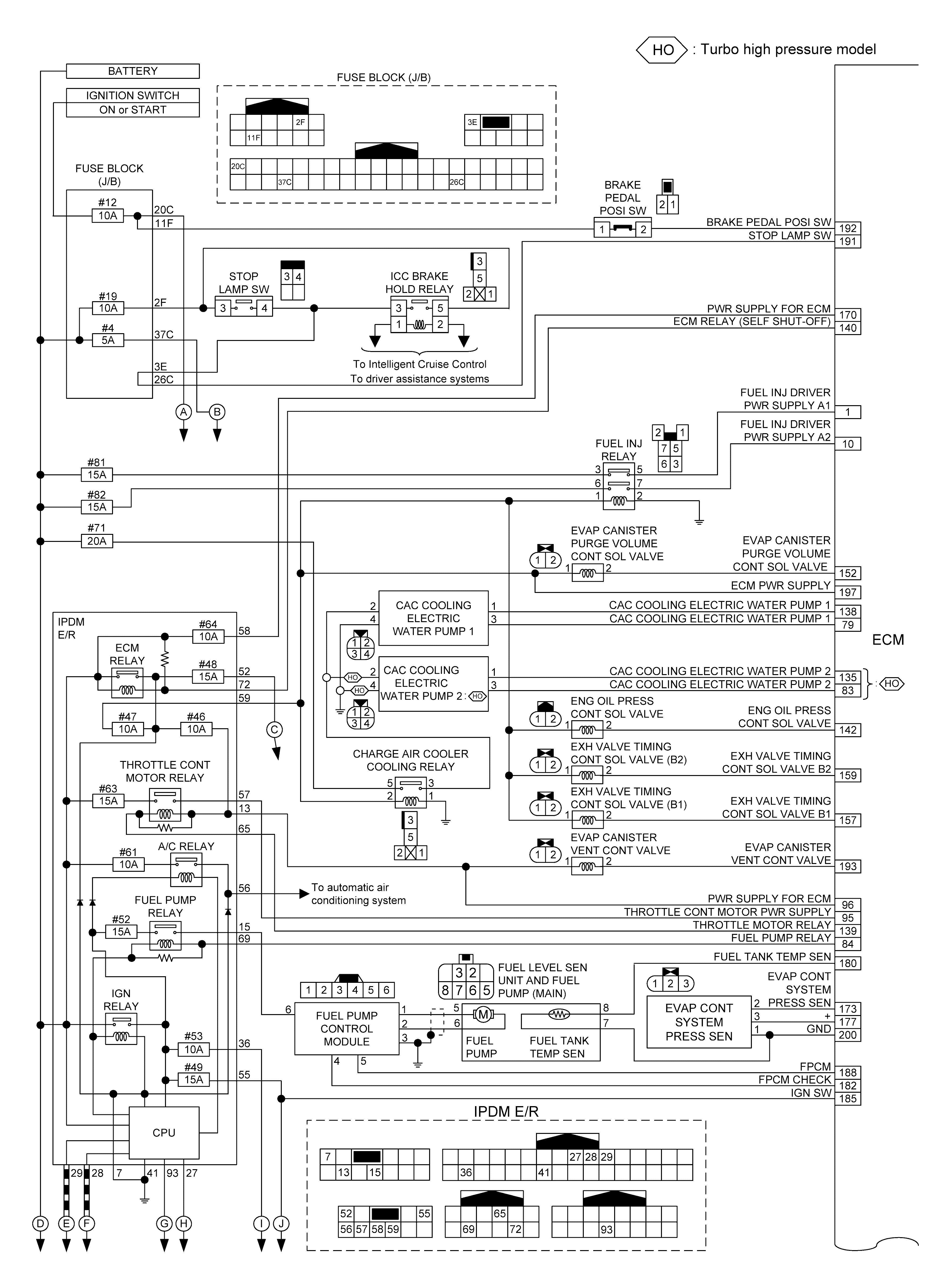
Circuit Diagram

GNSILL0316690Courtesy of NISSAN NORTH AMERICA, INC.
GNSILL0316691Courtesy of NISSAN NORTH AMERICA, INC.
GNSILL0316692Courtesy of NISSAN NORTH AMERICA, INC.
GNSILL0316693Courtesy of NISSAN NORTH AMERICA, INC.