LEMON Manuals: Even more car manuals for everyone: 1960-2025
Home >> Infiniti >> 2022 >> Q60 Luxe, AWD >> Repair and Diagnosis >> Engine Performance >> Engine Control Systems >> Engine Control System (Diagnostics) (1 Of 4) >> Description >> System >> Engine Control System >> Circuit Diagram >> Turbo High Pressure Models
April 5, 2026: LEMON Manuals is launched! Read the announcement.

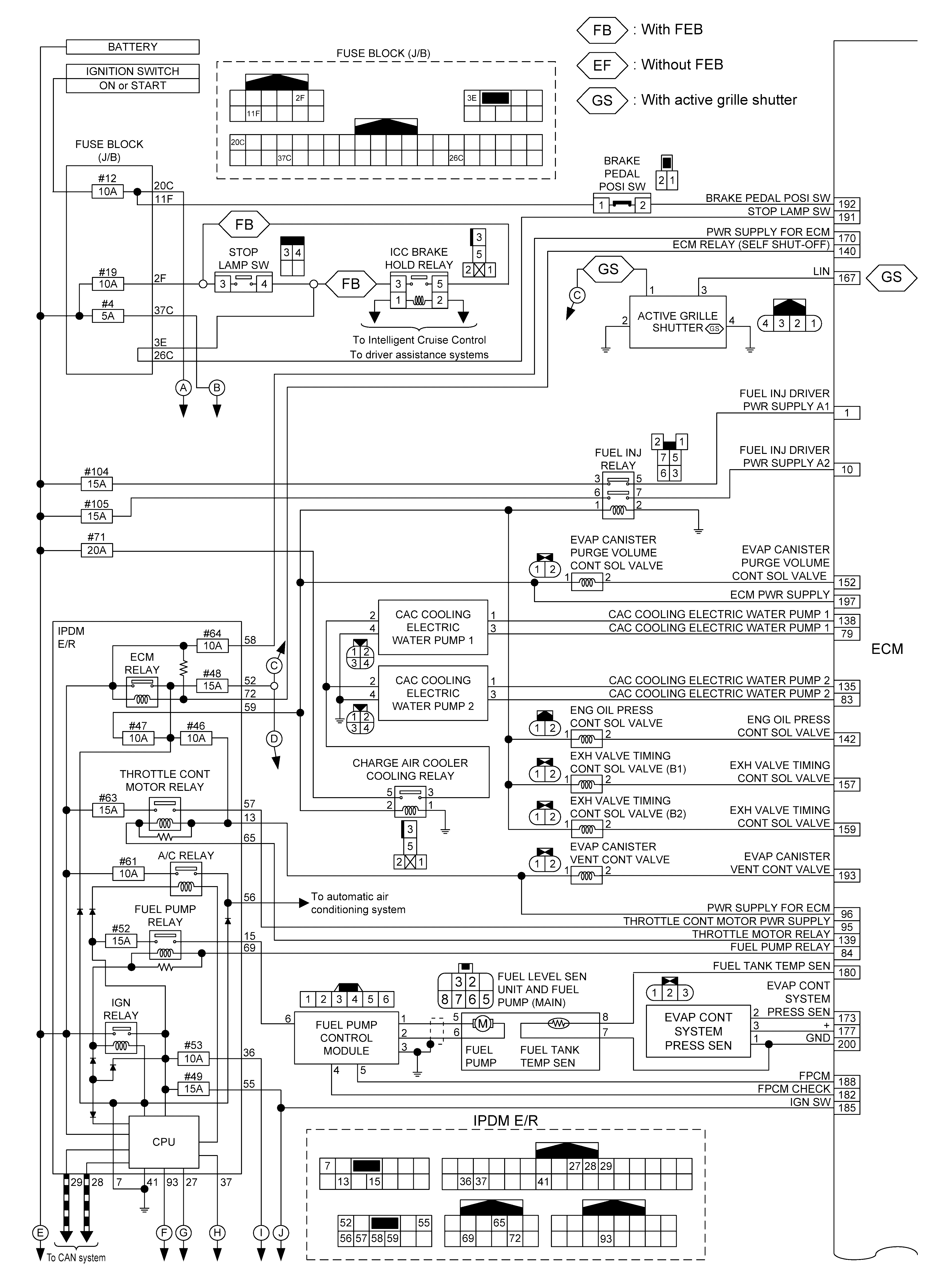
Turbo High Pressure Models

GNSILL0341031Courtesy of NISSAN NORTH AMERICA, INC.
GNSILL0319019Courtesy of NISSAN NORTH AMERICA, INC.
GNSILL0332994Courtesy of NISSAN NORTH AMERICA, INC.
GNSILL0341029Courtesy of NISSAN NORTH AMERICA, INC.