LEMON Manuals: Even more car manuals for everyone: 1960-2025
Home >> Infiniti >> 2022 >> Q60 Luxe, AWD >> Repair and Diagnosis >> Engine Performance >> Engine Control Systems >> Engine Control System (Diagnostics) (1 Of 4) >> Description >> System >> Engine Control System >> Circuit Diagram >> Turbo Low Pressure Models
April 5, 2026: LEMON Manuals is launched! Read the announcement.

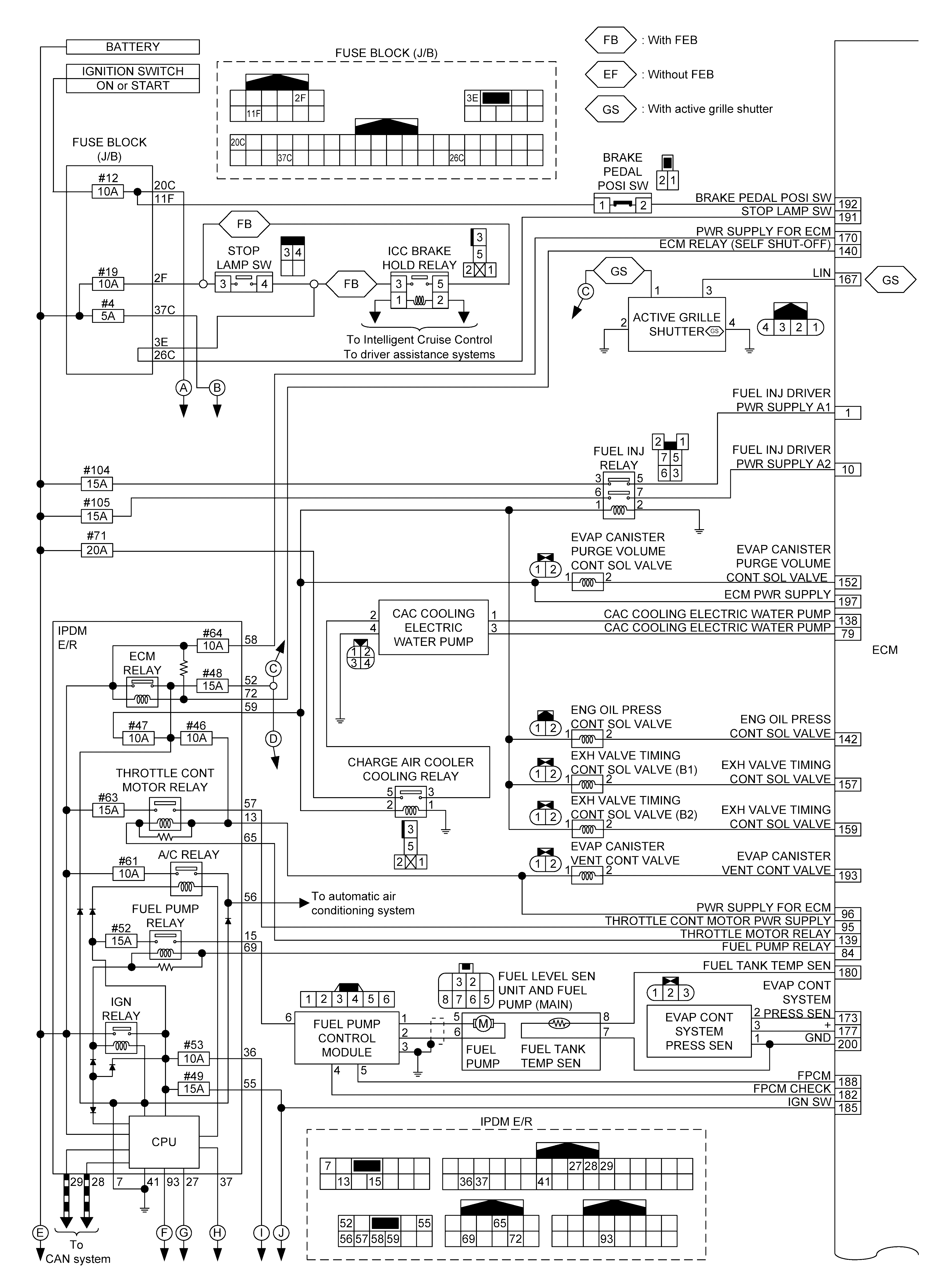
Turbo Low Pressure Models

GNSILL0341032Courtesy of NISSAN NORTH AMERICA, INC.
GNSILL0319023Courtesy of NISSAN NORTH AMERICA, INC.
GNSILL0332996Courtesy of NISSAN NORTH AMERICA, INC.
GNSILL0341030Courtesy of NISSAN NORTH AMERICA, INC.