LEMON Manuals: Even more car manuals for everyone: 1960-2025
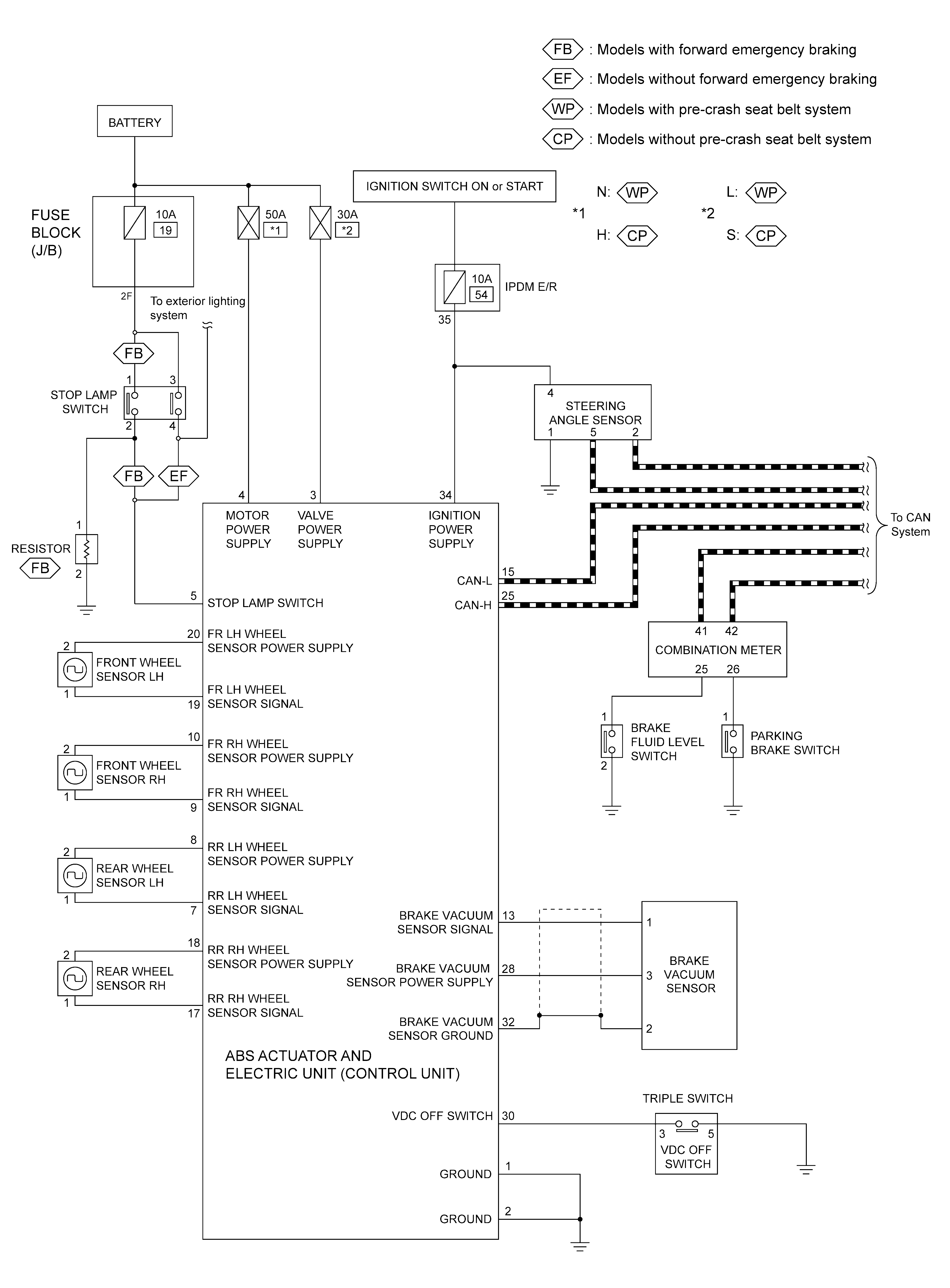
Home >> Infiniti >> 2022 >> Q60 Pure, AWD >> Repair and Diagnosis >> Brakes >> Traction Control >> Brake Control System (Diagnostics) >> Description >> System (Brake Control) >> Brake Control System >> Circuit Diagram
April 5, 2026: LEMON Manuals is launched! Read the announcement.

Circuit Diagram

GNSILL0354548Courtesy of NISSAN NORTH AMERICA, INC.
GNSILL0354549Courtesy of NISSAN NORTH AMERICA, INC.