LEMON Manuals: Even more car manuals for everyone: 1960-2025
Home >> Infiniti >> 2023 >> Q50 Luxe, AWD >> Repair and Diagnosis >> Body & Frame >> Windows >> Power Window Control System (Diagnostics) >> Description >> System >> Power Window System >> Circuit Diagram
April 5, 2026: LEMON Manuals is launched! Read the announcement.

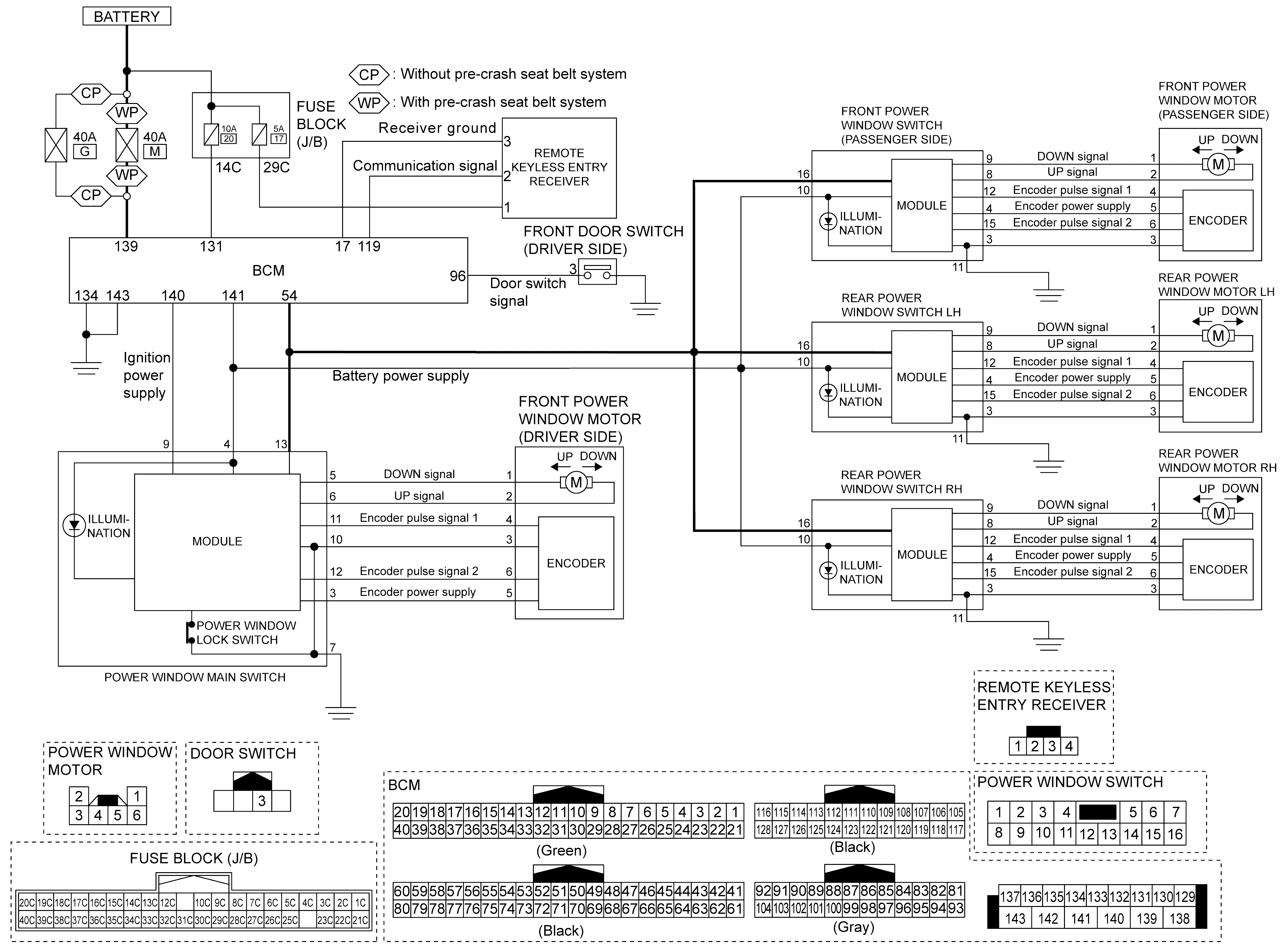
Circuit Diagram

GNSDB39859Courtesy of NISSAN NORTH AMERICA, INC.