LEMON Manuals: Even more car manuals for everyone: 1960-2025
Home >> Infiniti >> 2023 >> Q50 Sensory, AWD >> Repair and Diagnosis >> Engine Performance >> Engine Control Systems >> Engine Control System (Diagnostics) (1 Of 4) >> Description >> Component Location >> Engine Control System >> Component Location - VR30DDTT Engine >> Charge Air Cooler Cooling System Component
April 5, 2026: LEMON Manuals is launched! Read the announcement.

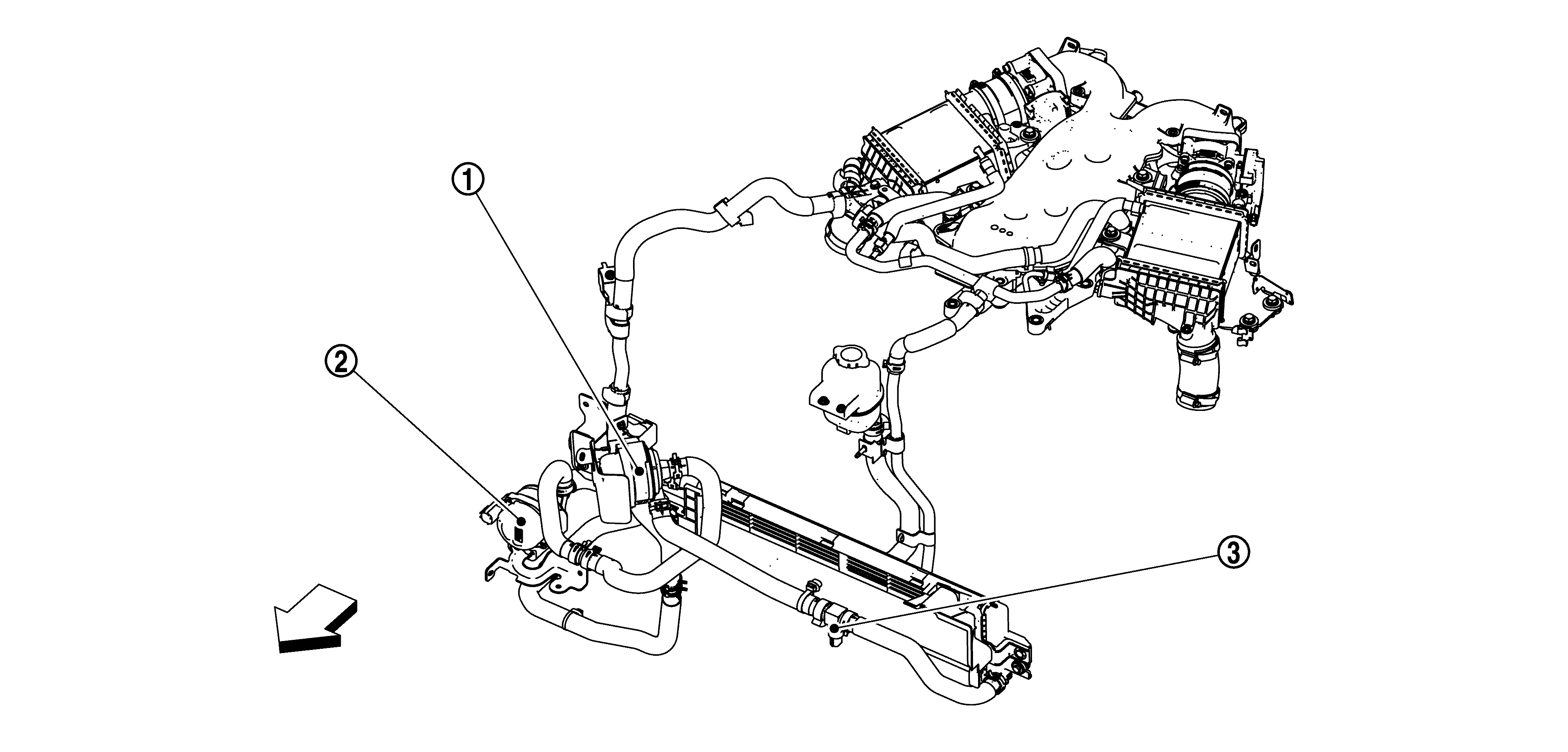
Charge Air Cooler Cooling System Component

TURBO HIGH PRESSURE MODELS 

GNSDB24854Courtesy of NISSAN NORTH AMERICA, INC.

SYMBOL

Vehicle front

No.

Component

Function

SYMBOL

Charge air cooler cooling electric water pump 2

Refer to Component Description .

SYMBOL

Charge air cooler cooling electric water pump 1

SYMBOL

Charge air cooler coolant temperature sensor

Refer to Component Description .

TURBO LOW PRESSURE MODELS 

GNSDB26687Courtesy of NISSAN NORTH AMERICA, INC.

SYMBOL

Vehicle front

No.

Component

Function

SYMBOL

Charge air cooler cooling electric water pump

Refer to Component Description .

SYMBOL

Charge air cooler coolant temperature sensor

Refer to Component Description .