LEMON Manuals: Even more car manuals for everyone: 1960-2025
Home >> Infiniti >> 2023 >> QX55 Essential >> Repair and Diagnosis (Single Page) >> Accessories & Equipment >> Anti-Theft Systems >> Security Control System (DTC/Circuit Diagnosis) >> DTC/Circuit Diagnosis >> Horn Function >> Component Function Check
April 5, 2026: LEMON Manuals is launched! Read the announcement.

Component Function Check

  1. CHECK FUNCTION 

    SYMBOL CONSULT

    1. Select "VEHICLE SECURITY HORN" in "Active Test" mode of "BCM (THEFT ALM)".
    2. Check the horn operation:

      Test item

      Description

      VEHICLE SECURITY HORN

      ON

      Horn

      Sounds (for 0.5 sec)

    Is the operation normal?

    YES

    Inspection End.

    NO

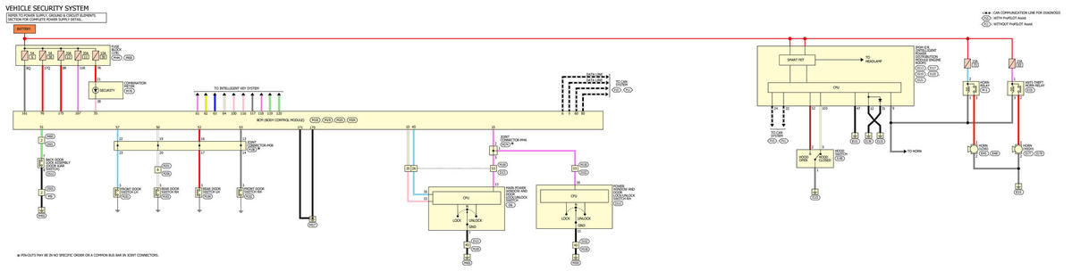
    Refer to Wiring Diagram below.

GNSW70383Courtesy of NISSAN NORTH AMERICA