LEMON Manuals: Even more car manuals for everyone: 1960-2025
Home >> Infiniti >> 2024 >> Q50 Luxe, AWD >> Repair and Diagnosis >> Engine Performance >> Engine Control Systems >> Engine Control System (2 Of 2) >> Description >> Component Parts >> Engine Control System >> Component Location
April 5, 2026: LEMON Manuals is launched! Read the announcement.

Component Location

Engine Room Component 

GNSDB149043Courtesy of NISSAN NORTH AMERICA, INC.
SYMBOL Radiator lower side        
No. Component Function
SYMBOL Turbocharger boost sensor (bank 2) Refer to Component Description .
SYMBOL Electric throttle control actuator (bank 2) Refer to Component Description .
SYMBOL EVAP canister purge volume control solenoid valve Refer to Component Description .
SYMBOL Turbocharger boost sensor (bank 1) Refer to Component Description .
SYMBOL Electric throttle control actuator (bank 1) Refer to Component Description .
SYMBOL Manifold absolute pressure sensor Refer to Component Description .
SYMBOL ECM (with barometric pressure sensor) Refer to Component Description .
SYMBOL Mass air flow sensor (with intake air temperature sensor) (bank 1) Refer to Component Description .
SYMBOL Mass air flow sensor (bank 2) Refer to Component Description .
SYMBOL Engine coolant temperature sensor 2 Refer to Component Description .

Engine Assembly Component 

GNSDB147615Courtesy of NISSAN NORTH AMERICA, INC.
SYMBOL Top view of the engine
(view with intake manifold is removed)
SYMBOL Rear view of the engine SYMBOL Side view of the engine
SYMBOL Engine front        
No. Component Function
SYMBOL Fuel injector (No. 5 cylinder) Refer to Component Description .
SYMBOL Fuel injector (No. 3 cylinder)
SYMBOL Fuel injector (No. 1 cylinder)
SYMBOL Ignition coil (with power transistor) and spark plug (No. 5 cylinder) Refer to Component Description .
SYMBOL Ignition coil (with power transistor) and spark plug (No. 3 cylinder)
SYMBOL Ignition coil (with power transistor) and spark plug (No. 1 cylinder)
SYMBOL Electric intake valve timing control actuator (bank 1) Refer to Component Description .
SYMBOL Engine oil pressure control solenoid valve Refer to Component Description .
SYMBOL Exhaust valve timing control solenoid valve (bank 2) Refer to Component Description .
SYMBOL Engine coolant temperature sensor 1 Refer to Component Description .
SYMBOL Electric intake valve timing control actuator (bank 2) Refer to Component Description .
SYMBOL Turbocharger speed sensor (bank 2)* Refer to Component Description .
SYMBOL High pressure fuel pump Refer to Component Description .
SYMBOL Ignition coil (with power transistor) and spark plug (No. 2 cylinder) Refer to Component Description .
SYMBOL Ignition coil (with power transistor) and spark plug (No. 4 cylinder)
SYMBOL Ignition coil (with power transistor) and spark plug (No. 6 cylinder)
SYMBOL Fuel injector (No. 2 cylinder) Refer to Component Description .
SYMBOL Fuel injector (No. 4 cylinder)
SYMBOL Fuel injector (No. 6 cylinder)
SYMBOL Knock sensor (bank 1) Refer to Component Description .
SYMBOL Knock sensor (bank 2)
SYMBOL Intake camshaft position sensor (bank 2) Refer to Component Description .
SYMBOL Exhaust camshaft position sensor (bank 2) Refer to Component Description .
SYMBOL Fuel rail pressure sensor Refer to Component Description .
SYMBOL Crankshaft position sensor Refer to Component Description .
SYMBOL Exhaust camshaft position sensor (bank 1) Refer to Component Description .
SYMBOL Intake camshaft position sensor (bank 1) Refer to Component Description .
SYMBOL Turbocharger speed sensor (bank 1)* Refer to Component Description .
SYMBOL Engine oil pressure sensor Refer to Component Description .
SYMBOL Engine oil temperature sensor Refer to Component Description .
SYMBOL Exhaust valve timing control solenoid valve (bank 1) Refer to Component Description .

*: For turbo high pressure model

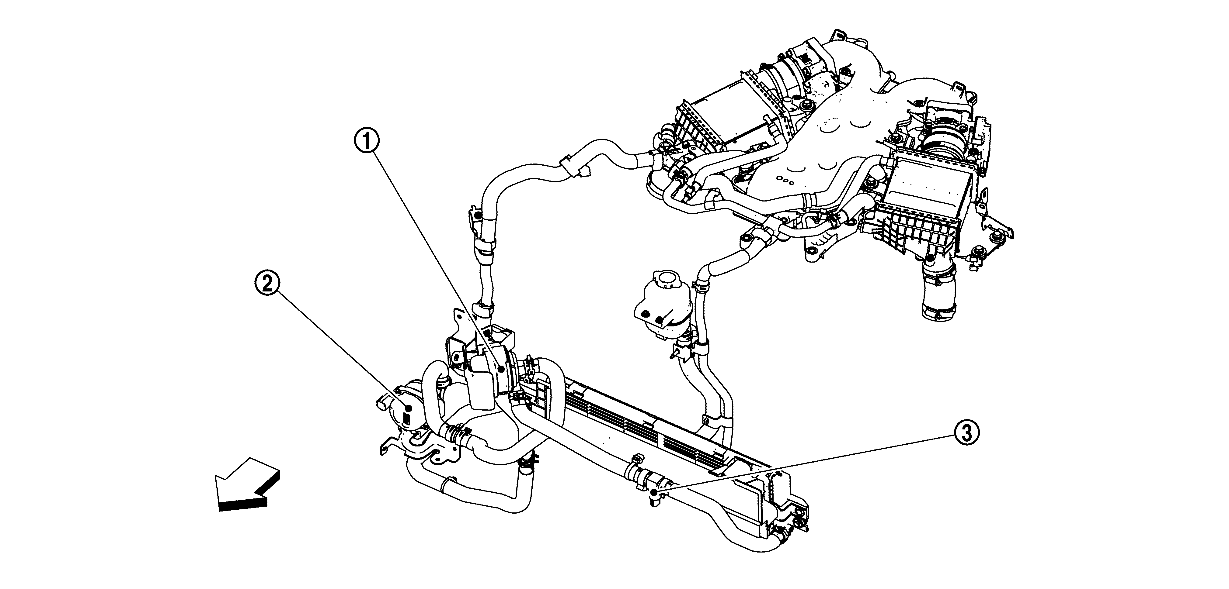
Charge Air Cooler Cooling System Component 

TURBO HIGH PRESSURE MODELS 

GNSDB148145Courtesy of NISSAN NORTH AMERICA, INC.
SYMBOL Vehicle front        
No. Component Function
SYMBOL Charge air cooler cooling electric water pump 2 Refer to Component Description .
SYMBOL Charge air cooler cooling electric water pump 1
SYMBOL Charge air cooler coolant temperature sensor Refer to Component Description .

TURBO LOW PRESSURE MODELS 

GNSDB148925Courtesy of NISSAN NORTH AMERICA, INC.
SYMBOL Vehicle front        
No. Component Function
SYMBOL Charge air cooler cooling electric water pump Refer to Component Description .
SYMBOL Charge air cooler coolant temperature sensor Refer to Component Description .

Exhaust System Component 

GNSDB148510Courtesy of NISSAN NORTH AMERICA, INC.
No. Component Function
SYMBOL Air fuel ratio (A/F) sensor 1 (bank 2) Refer to Component Description .
SYMBOL Heated oxygen sensor 2 (bank 2) Refer to Component Description .
SYMBOL Air fuel ratio (A/F) sensor 1 (bank 1) Refer to Component Description .
SYMBOL Heated oxygen sensor 2 (bank 1) Refer to Component Description .

Vehicle Compartment 

GNSDB149454Courtesy of NISSAN NORTH AMERICA, INC.
SYMBOL Around the battery SYMBOL Around the radiator SYMBOL Fuse and fusible link block
SYMBOL Left side of trunk room SYMBOL Right side of main muffler SYMBOL Rear seat (lower right)
No. Component Function
SYMBOL Refrigerant pressure sensor Refer to Component Description .
SYMBOL Battery current sensor (with battery temperature sensor) Refer to Component Description .
SYMBOL IPDM E/R IPDM E/R controls the internal relays and the actuators.
When CAN communication with ECM is impossible, IPDM E/R performs fail-safe control.
SYMBOL Electric intake valve timing control module Refer to Component Description .
SYMBOL Cooling fan relay 2* Refer to Component Description .
SYMBOL Cooling fan control module 2* Refer to Component Description .
SYMBOL Cooling fan control module 1 Refer to Component Description .
SYMBOL Cooling fan motor-1 Refer to Component Description .
SYMBOL Cooling fan motor-2 Refer to Component Description .
SYMBOL Cooling fan relay 1 Refer to Component Description .
SYMBOL Fuel pump control module Refer to Component Description .
SYMBOL EVAP canister vent control valve Refer to Component Description .
SYMBOL EVAP control system pressure sensor Refer to Component Description .
SYMBOL EVAP canister EVAP canister stores the generated fuel vapors in the sealed fuel tank to activated charcoals of EVAP canister when the engine is not operating or when refueling to the fuel tank.
SYMBOL Fuel level sensor Refer to Component Description .
SYMBOL Low pressure fuel pump Refer to Component Description .
SYMBOL Fuel tank temperature sensor Refer to Component Description .

*: For turbo high pressure model

Interior Compartment 

GNSDB148430Courtesy of NISSAN NORTH AMERICA, INC.
SYMBOL Brake pedal SYMBOL Accelerator pedal SYMBOL Grove box (back side)
No. Component Description
SYMBOL Display control unit Displays a drive mode status on the display screen, according to signals received from ECM.
For details of installation position Refer to Component Location .
SYMBOL ASCD steering switch Refer to Component Description .
ICC steering switch Refer to Component Description .
SYMBOL Combination meter Performs the ON/OFF control of the indicator lamp, warning lamp, and the information display, according to signals received from ECM via CAN communication.
SYMBOL Chassis control module Chassis control module send the drive mode select switch signal to the TCM via the CAN communication line.
For details of installation position, Refer to Component Location .
SYMBOL Drive mode select switch Refer to Component Description .
SYMBOL A/C auto amp. Controls the air-conditioning system (e.g. compressor, blower fan motor), according to a command from ECM.
SYMBOL Stop lamp switch Refer to Component Description .
SYMBOL Brake pedal position switch Refer to Component Description .
SYMBOL Accelerator pedal position switch (with ECO pedal) Refer to Component Description .
SYMBOL Accelerator pedal position switch (without ECO pedal) Refer to Component Description .
SYMBOL Steering force control module (with direct adaptive steering) For details of installation position, Refer to Component Location .