LEMON Manuals: Even more car manuals for everyone: 1960-2025
Home >> Infiniti >> 2024 >> Q50 Luxe, AWD >> Repair and Diagnosis >> Engine Performance >> Engine Control Systems >> Engine Control System (2 Of 2) >> Description >> System >> Engine Control System >> Circuit Diagram
April 5, 2026: LEMON Manuals is launched! Read the announcement.

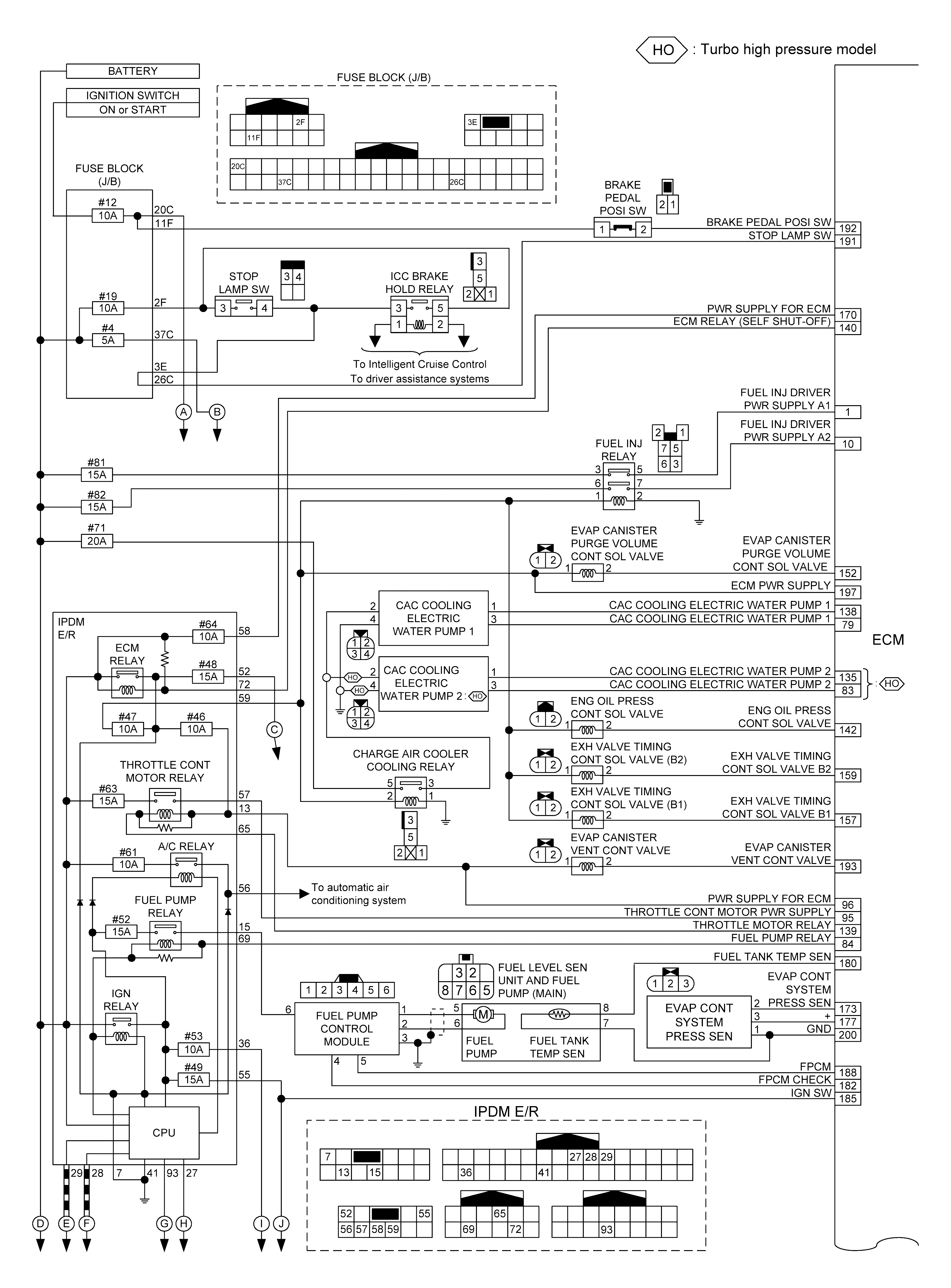
Circuit Diagram

GNSDB149383Courtesy of NISSAN NORTH AMERICA, INC.
GNSDB148559Courtesy of NISSAN NORTH AMERICA, INC.
GNSDB148963Courtesy of NISSAN NORTH AMERICA, INC.
GNSDB147590Courtesy of NISSAN NORTH AMERICA, INC.