System Description
- The system switches fluid pressure of each brake caliper to increase, to hold or to decrease according to signals from control unit in ABS actuator and electric unit (control unit). This control system is applied to VDC function, TCS function, ABS function, EBD function, brake limited slip differential (BLSD) function, brake assist function, hill start assist function and Brake force distribution function.
- Fail-safe function is available for each function and is activated by each function when system malfunction occurs.
SYSTEM DIAGRAM
INPUT SIGNAL AND OUTPUT SIGNAL
Major signal transmission between each unit via communication lines is shown in the following table.
| Component | Signal description |
|---|---|
| Steering force control module* | Mainly transmits the following signals to ABS actuator and electric unit (control unit) via CAN communication.
|
| ECM | Mainly transmits the following signals to ABS actuator and electric unit (control unit) via CAN communication.
Mainly receives the following signals from ABS actuator and electric unit (control unit) via CAN communication.
|
| TCM | Mainly transmits the following signals to ABS actuator and electric unit (control unit) via CAN communication.
|
| Chassis control module | Mainly transmits the following signals to ABS actuator and electric unit (control unit) via CAN communication.
|
| Combination meter | Mainly transmits the following signals to ABS actuator and electric unit (control unit) via CAN communication.
Mainly receives the following signals from ABS actuator and electric unit (control unit) via CAN communication.
|
| Steering angle sensor | Mainly transmits the following signals to ABS actuator and electric unit (control unit) via CAN communication.
|
*: Models with Direct adaptive steering system.
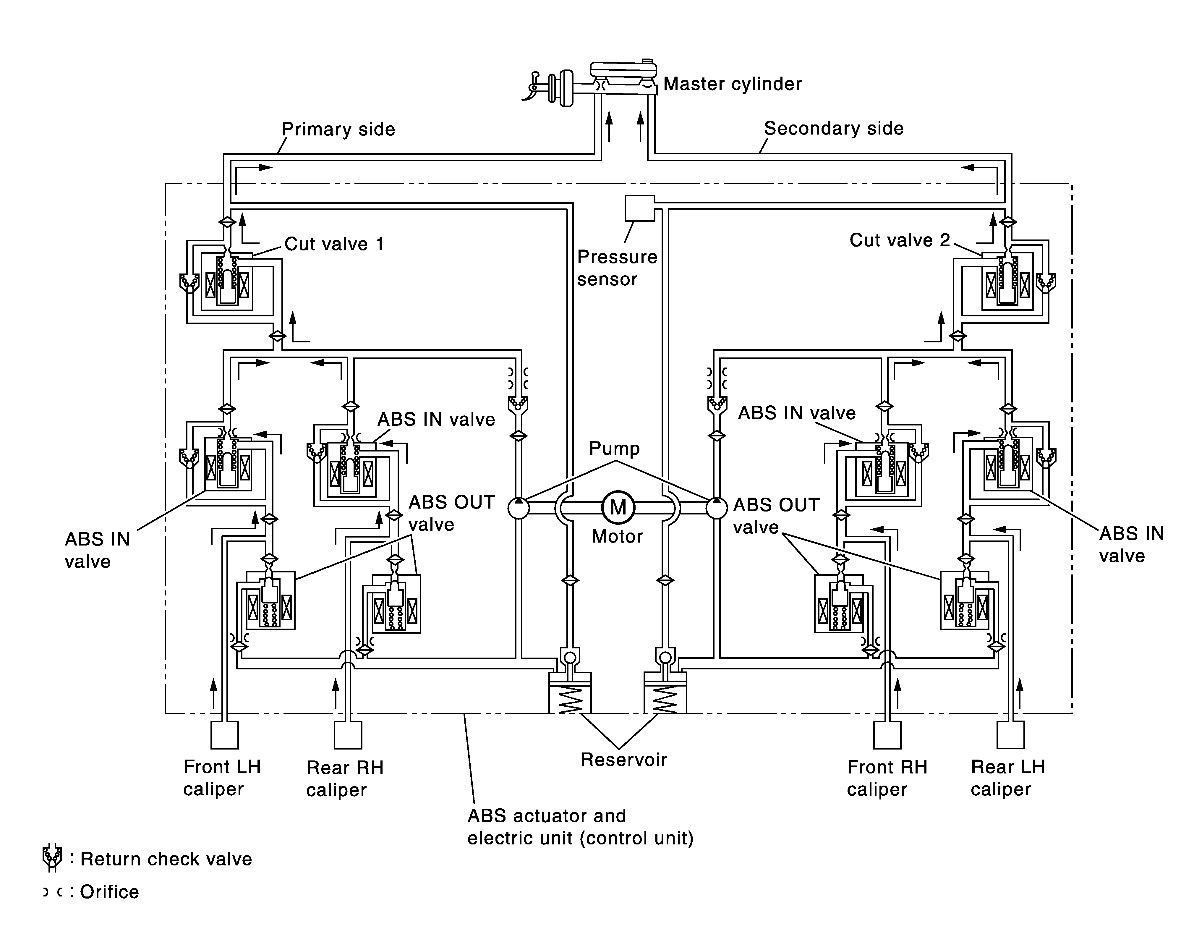
VALVE OPERATION (ABS AND EBD)
Each valve is operated and fluid pressure of brake caliper is controlled.
When ordinary brake is applied and ABS is in operation (when pressure increases).
| Name | Not activated | When Pressure Increases |
|---|---|---|
| Cut valve 1 | Power supply is not supplied (open) | Power supply is not supplied (open) |
| Cut valve 2 | Power supply is not supplied (open) | Power supply is not supplied (open) |
| ABS IN valve | Power supply is not supplied (open) | Power supply is not supplied (open) |
| ABS OUT valve | Power supply is not supplied (close) | Power supply is not supplied (close) |
| Each caliper (fluid pressure) | - | Pressure increases |
When front RH wheel caliper pressure increases
- Motor is activated. Brake fluid is pressurized by pump and is sent to secondary line through cut valve 2. At the same time, pressurized brake fluid is supplied to front RH caliper through ABS IN valve.
When front LH wheel caliper pressure increases
- Motor is activated. Brake fluid is pressurized by pump and is sent to primary line through cut valve 1. At the same time, pressurized brake fluid is supplied to front LH wheel caliper through ABS IN valve.
When rear RH wheel caliper pressure increases
- Motor is activated. Brake fluid is pressurized by pump and is sent to primary line through cut valve 1. At the same time, pressurized brake fluid is supplied to rear RH wheel caliper through ABS IN valve.
When rear LH wheel caliper pressure increases
- Motor is activated. Brake fluid is pressurized by pump and is sent to secondary line through cut valve 2. At the same time, pressurized brake fluid is supplied to rear LH wheel caliper through ABS IN valve.
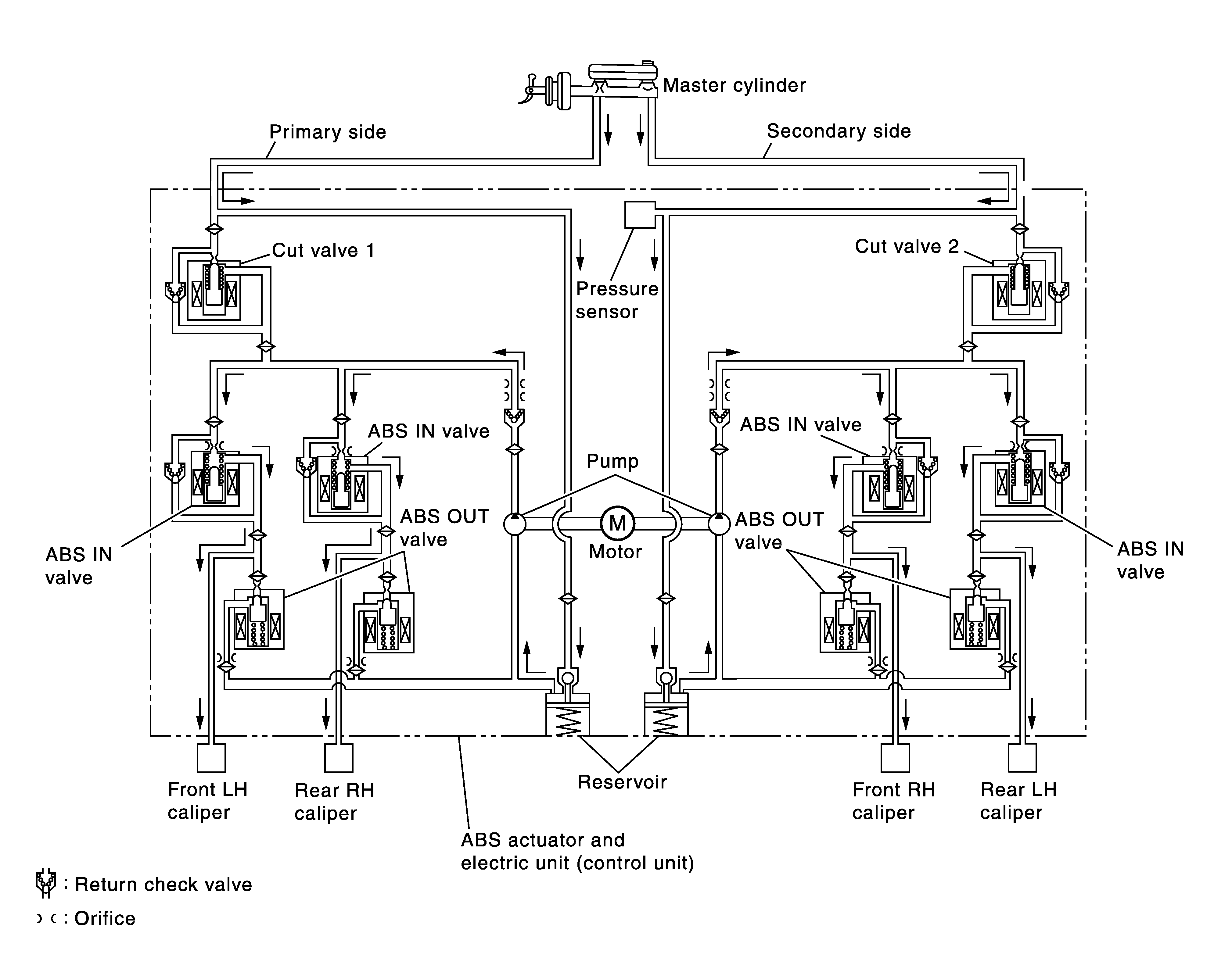
When ABS operation starts (when pressure holds)
| Name | Not activated | When pressure holds |
|---|---|---|
| Cut valve 1 | Power supply is not supplied (open) | Power supply is not supplied (open) |
| Cut valve 2 | Power supply is not supplied (open) | Power supply is not supplied (open) |
| ABS IN valve | Power supply is not supplied (open) | Power supply is supplied (close) |
| ABS OUT valve | Power supply is not supplied (close) | Power supply is not supplied (close) |
| Each caliper (fluid pressure) | - | Pressure holds |
When front RH wheel caliper pressure holds
- Motor is activated. Brake fluid is pressurized by pump and is sent to secondary line through cut valve 2. At the same time, because ABS IN valve and ABS OUT vale are closed, fluid pressure holds.
When front LH wheel caliper pressure holds
- Motor is activated. Brake fluid is pressurized by pump and is sent to primary line through cut valve 1. At the same time, because ABS IN valve and ABS OUT vale are closed, fluid pressure holds.
When rear RH wheel caliper pressure holds
- Motor is activated. Brake fluid is pressurized by pump and is sent to primary line through cut valve 1. At the same time, because ABS IN valve and ABS OUT vale are closed, fluid pressure holds.
When rear LH wheel caliper pressure holds
- Motor is activated. Brake fluid is pressurized by pump and is sent to secondary line through cut valve 2. At the same time, because ABS IN valve and ABS OUT vale are closed, fluid pressure holds.
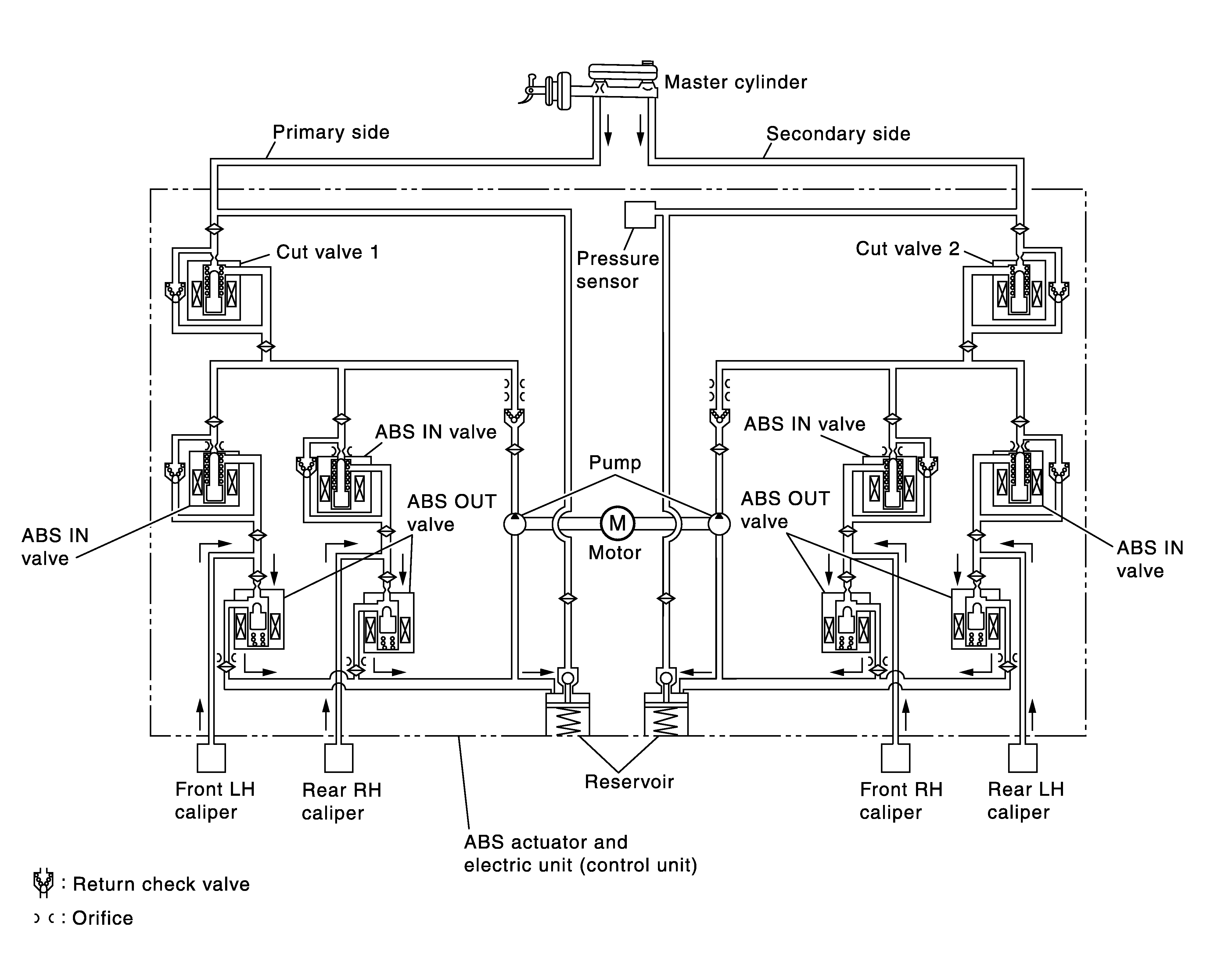
ABS is in operation (when pressure decreases)
| Name | Not activated | When pressure decreases |
|---|---|---|
| Cut valve 1 | Power supply is not supplied (open) | Power supply is not supplied (open) |
| Cut valve 2 | Power supply is not supplied (open) | Power supply is not supplied (open) |
| ABS IN valve | Power supply is not supplied (open) | Power supply is supplied (close) |
| ABS OUT valve | Power supply is not supplied (close) | Power supply is supplied (open) |
| Each caliper (fluid pressure) | - | Pressure decreases |
When front RH wheel caliper pressure decreases
- Being supplied to reservoir through ABS OUT valve, the fluid pressure of brake caliper is decreased.
When front LH wheel caliper pressure decreases
- Being supplied to reservoir through ABS OUT valve, the fluid pressure of brake caliper is decreased.
When rear RH wheel caliper pressure decreases
- Being supplied to reservoir through ABS OUT valve, the fluid pressure of brake caliper is decreased.
When rear LH wheel caliper pressure decreases
- Being supplied to reservoir through ABS OUT valve, the fluid pressure of brake caliper is decreased.
Component Parts and Function
| Component | FUNCTION |
|---|---|
| Reservoir | Temporarily reserves the brake fluid drained from brake caliper, so that pressure efficiently decreases when decreasing pressure of brake caliper. |
| Pump | Returns the brake fluid reserved in reservoir to master cylinder by reducing pressure. |
| Motor | Drives the pump according to signals from control unit. |
| ABS IN valve | Switches the fluid pressure line to increase or hold according to signals from control unit. |
| ABS OUT valve | Switches the fluid pressure line to increase, hold or decrease according to signals from control unit. |
| Return check valve | Returns the brake fluid from brake caliper to master cylinder by bypassing orifice of each valve when brake is released. |
| Cut valve 1 Cut valve 2 |
Performs the duty control of fluid pressure increased by pump according to signals from control unit. |
| Pressure Sensor | Detects the brake pedal operation amount. |
VALVE OPERATION (OTHER THAN ABS AND EBD)
Each valve is operated and fluid pressure of brake caliper is controlled.
When Pressure Increases
| Name | Not activated | When Pressure Increases |
|---|---|---|
| Cut valve 1 | Power supply is not supplied (open) | Wheel other than the one that the pressure is to be increased: Power supply is not supplied (open) Only wheel that the pressure is to be increased: Power supply is supplied (close) |
| Cut valve 2 | Power supply is not supplied (open) | Wheel other than the one that the pressure is to be increased: Power supply is not supplied (open) Only wheel that the pressure is to be increased: Power supply is supplied (close) |
| ABS IN valve | Power supply is not supplied (open) | Only wheel that the pressure is to be increased: Power supply is not supplied (open) Wheel other than the one that the pressure is to be increased: Power supply is supplied (close) |
| ABS OUT valve | Power supply is not supplied (close) | Power supply is not supplied (close) |
| Each caliper (fluid pressure) | - | Pressure increases |
When front RH wheel caliper pressure increases
- Motor is activated. Brake fluid from pump is supplied to front RH wheel caliper through ABS IN valve. For other wheel, ABS IN valve is closed and brakes fluid is not supplied to caliper.
When front LH wheel caliper pressure increases
- Motor is activated. Brake fluid from pump is supplied to front LH wheel caliper through ABS IN valve. For other wheel, ABS IN valve is closed and brakes fluid is not supplied to caliper.
When rear RH wheel caliper pressure increases
- Motor is activated. Brake fluid from pump is supplied to rear RH wheel caliper through ABS IN valve. For other wheel, ABS IN valve is closed and brakes fluid is not supplied to caliper.
When rear LH wheel caliper pressure increases
- Motor is activated. Brake fluid from pump is supplied to rear LH wheel caliper through ABS IN valve. For other wheel, ABS IN valve is closed and brakes fluid is not supplied to caliper.
Released
| Name | Not activated | When pressure decreases |
|---|---|---|
| Cut valve 1 | Power supply is not supplied (open) | Power supply is not supplied (open) |
| Cut valve 2 | Power supply is not supplied (open) | Power supply is not supplied (open) |
| ABS IN valve | Power supply is not supplied (open) | Power supply is not supplied (open) |
| ABS OUT valve | Power supply is not supplied (close) | Power supply is supplied (open) |
| Each caliper (fluid pressure) | - | Pressure decreases |
When front RH wheel caliper pressure decreases
- Being returned to master cylinder through ABS IN valve, fluid pressure of brake caliper is decreased.
When front LH wheel caliper pressure decreases
- Being returned to master cylinder through ABS IN valve, fluid pressure of brake caliper is decreased.
When rear RH wheel caliper pressure decreases
- Being returned to master cylinder through ABS IN valve, fluid pressure of brake caliper is decreased.
When rear LH wheel caliper pressure decreases
- Being returned to master cylinder through ABS IN valve, fluid pressure of brake caliper is decreased.
Component Parts and Function
| Component | Function |
|---|---|
| Reservoir | Temporarily reserves the brake fluid drained from brake caliper, so that pressure efficiently decreases when decreasing pressure of brake caliper. |
| Pump | Returns the brake fluid reserved in reservoir to master cylinder by reducing pressure. |
| Motor | Drives the pump according to signals from control unit. |
| ABS IN valve | Switches the fluid pressure line to increase or hold according to signals from control unit. |
| ABS OUT valve | Switches the fluid pressure line to increase, hold or decrease according to signals from control unit. |
| Return check valve | Returns the brake fluid from brake caliper to master cylinder by bypassing orifice of each valve when brake is released. |
| Cut valve 1 Cut valve 2 |
Performs the duty control of fluid pressure increased by pump according to signals from control unit. |
| Pressure Sensor | Detects the brake pedal operation amount. |
CONDITION FOR TURN ON THE WARNING LAMP
Turns ON when ignition switch turns ON and turns OFF when the system is normal, for bulb check purposes.
| Condition (status) | ABS warning lamp | Brake warning lamp | VDC warning lamp |
|---|---|---|---|
| Ignition switch OFF. | OFF | OFF | OFF |
| For approx. 1 second after the ignition switch is turned ON | ON | ON | ON |
| Approx. 1 second after ignition switch is turned ON (when the system is in normal operation). | OFF | OFF | OFF |
| After engine starts | OFF | OFF | OFF |
| When brake fluid is less than the specified level (brake fluid level switch ON) | OFF | ON | OFF |
| When parking brake operates (parking brake switch ON) | OFF | ON | OFF |
| VDC function is malfunctioning | OFF | OFF | ON |
| TCS function is malfunctioning | OFF | OFF | ON |
| ABS function is malfunctioning | ON | OFF | ON |
| EBD function is malfunctioning | ON | ON | ON |
| Brake limited slip differential (BLSD) function is malfunctioning | OFF | OFF | ON |
| Brake assist function is malfunctioning | OFF | OFF | ON |
| hill start assist function is malfunctioning | OFF | OFF | ON |
| Brake force distribution function is malfunctioning | OFF | OFF | ON |
| When brake booster vacuum decreases | OFF | ON | OFF |
| When vacuum sensor is malfunctioning | OFF | ON | OFF |
| VDC function is operating | OFF | OFF | Blinking |
| TCS function is operating | OFF | OFF | Blinking |
| ABS function is operating | OFF | OFF | OFF |
| EBD function is operating | OFF | OFF | OFF |
| Brake limited slip differential (BLSD) function is operating | OFF | OFF | Blinking |
| Brake assist function is operating | OFF | OFF | OFF |
| hill start assist function is operating | OFF | OFF | OFF |
CONDITION FOR TURN ON THE INDICATOR LAMP
VDC OFF indicator lamp
- Turns ON when VDC function and TCS function are switched to non-operational status (OFF) by VDC OFF switch.
- Turns ON when ignition switch turns ON and turns OFF when the system is normal, for bulb check purposes.
| Condition (status) | VDC OFF indicator lamp |
|---|---|
| Ignition switch OFF. | OFF |
| For approx. 1 second after the ignition switch is turned ON | ON |
| Approx. 1 second after ignition switch is turned ON (when the system is in normal operation). | OFF |
| When VDC OFF switch is ON (VDC function, TCS function and Active trace control function are OFF) | ON |