LEMON Manuals: Even more car manuals for everyone: 1960-2025
Home >> Infiniti >> 2024 >> QX50 Autograph >> Repair and Diagnosis >> Body & Frame >> Door Locks >> Security Control System >> Wiring Diagram >> Intelligent Key System/Engine Start Function >> Wiring Diagram
April 5, 2026: LEMON Manuals is launched! Read the announcement.

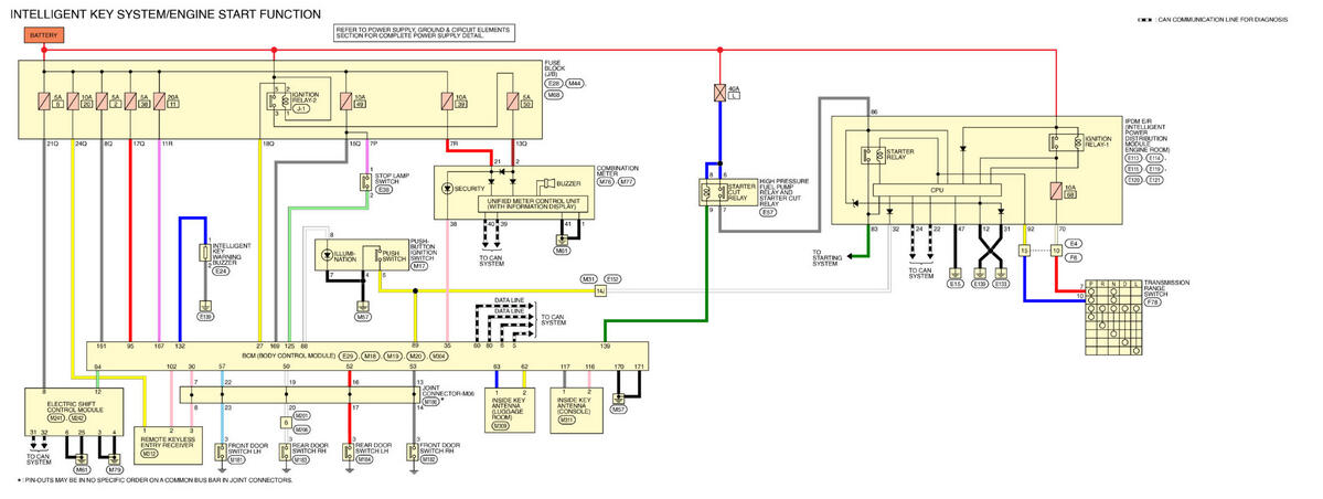
Intelligent Key System/Engine Start Function: Wiring Diagram

GNSW107442Courtesy of NISSAN NORTH AMERICA, INC.