LEMON Manuals: Even more car manuals for everyone: 1960-2025
Home >> Infiniti >> 2024 >> QX55 Essential >> Repair and Diagnosis >> Accessories & Equipment >> Drivers Assistance Systems - ADAS >> Around View Monitor System >> Basic Inspection >> Calibrating Camera Image (Around View Monitor) >> Work Procedure
April 5, 2026: LEMON Manuals is launched! Read the announcement.

Work Procedure

CAUTION:

When around view monitor control unit is replaced, perform the control unit setting before performing this calibration. Refer to Description .

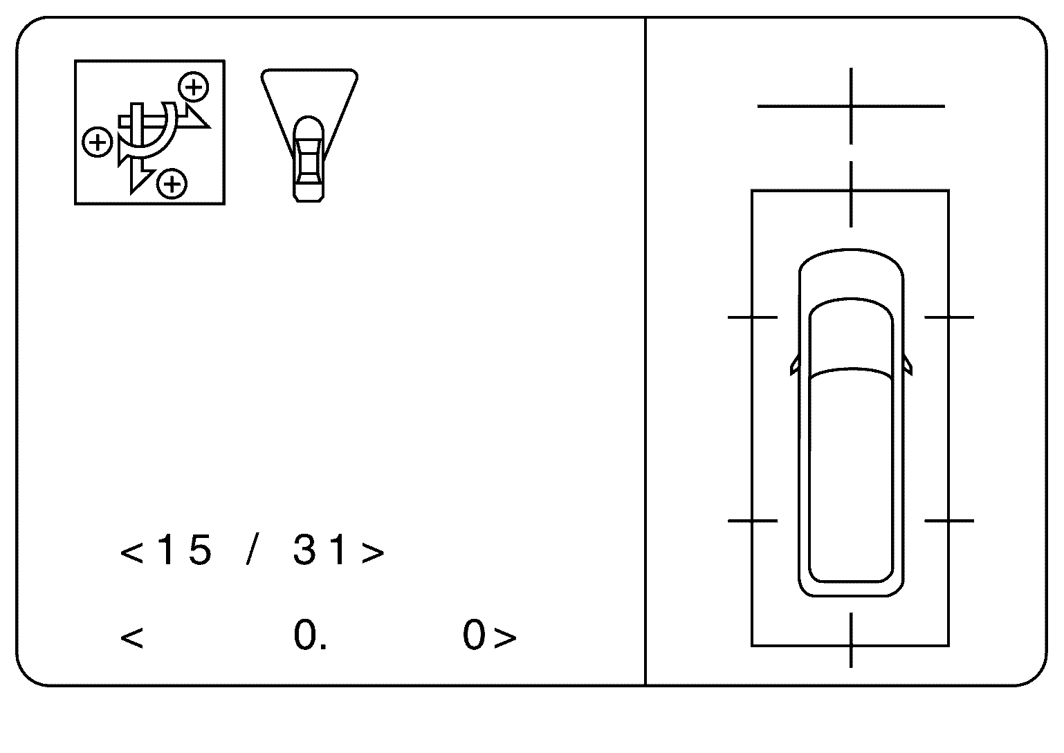
  1. CHECK AROUND VIEW MONITOR SCREEN 
    1. Check whether or not un-match display "SYMBOL " is on screen.
      GNSDB139405Courtesy of NISSAN NORTH AMERICA, INC.

    Is un-match display on screen?

    YES>>

    GO TO 2.

    NO>>

    GO TO 4.

  2. CHECK WHETHER OR NOT AROUND VIEW MONITOR CONTROL UNIT IS REPLACED 
    1. Check whether or not around view monitor control unit is replaced.

    Is around view monitor control unit replaced?

    YES>>

    GO TO 3.

    NO>>

    GO TO 5.

  3. RELEASE UN-MATCH DISPLAY (PERFORM ONLY WHEN AROUND VIEW MONITOR CONTROL UNIT IS REPLACED) 
    1. SYMBOL CONSULT Work Support
      1. Select "CALIBRATING CAMERA IMAGE".
        NOTE: SYMBOL In random order, perform the operation for all cameras for which un-match display "SYMBOL " appears.
        • Front camera: "CALIBRATING CAMERA IMAGE (FRONT CAMERA)"
        • Passenger side camera: "CALIBRATING CAMERA IMAGE (PASS-SIDE CAMERA)"
        • Driver side camera: "CALIBRATING CAMERA IMAGE (DR-SIDE CAMERA)"
        • Rear camera: "CALIBRATING CAMERA IMAGE (REAR CAMERA)"
      2. On each camera calibration screen, press "APPLY", and then press "OK" button.
        CAUTION:
        • Never perform any operation other than selecting "APPLY" button.
        • Never perform "INITIALIZE CAMERA IMAGE CALIBRATION".
      3. Display the around view monitor screen. Check that images are displayed normally without any difference between images for each camera.

    Is there a malfunction such as a difference between camera images?

    YES>>

    Calibration end.

    NO>>

    GO TO 1.

  4. PERFORM SIMPLIFIED CONFIRMATION/ADJUSTMENT BY "FINE TUNING OF BIRDS-EYE VIEW" 
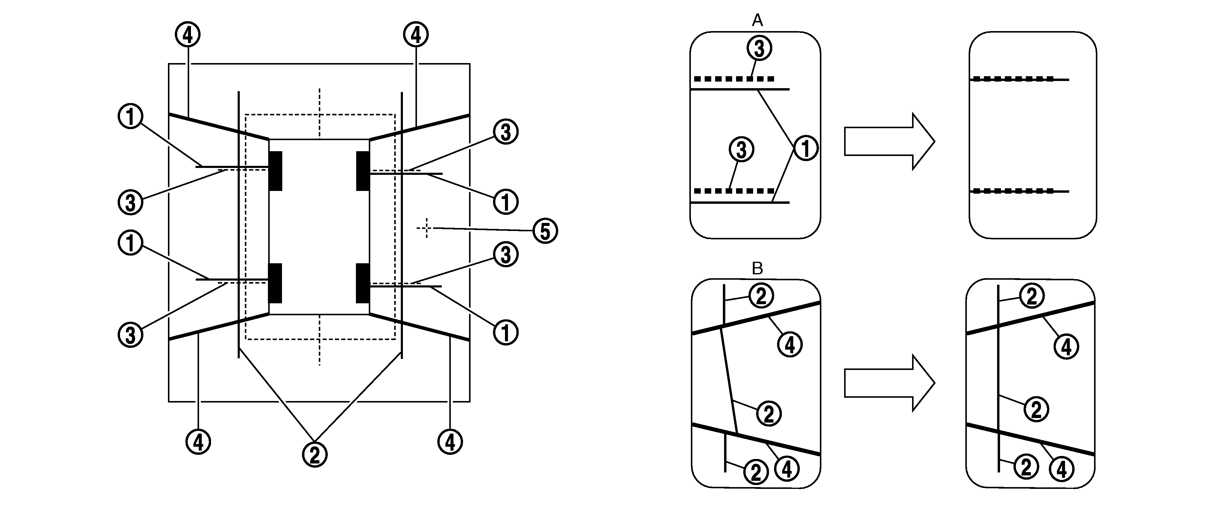
      1. Put target line 1 beside each axle using packing tape, etc.
      2. Put target line 2 at a position approximately 30 cm (11.81 in) away from each side of the vehicle (the left and right). Check that the target line is a length equivalent to the vehicle length plus an additional approximate length of 1.0 m (39.37 in) (parallel to the vehicle as much as possible). Preparation of simplified target line
        GNSDB109324Courtesy of NISSAN NORTH AMERICA, INC.
        1. Target lines 1 2. Target lines 2    
        A. Approx. 30 cm (11.81 in) B. Approx. 1.0 m (39.37 in)    
      3. SYMBOL CONSULT Work SupportSelect "FINE TUNING OF BIRDS-EYE VIEW".
      4. Select the left and right cameras on CONSULT screen. Perform the following calibration:
        • Check that target line 1 and marker are aligned normally on screen. If difference is detected, align marker using "+" and "-" of "AXIS X" and "AXIS Y" on CONSULT screen.
        • Check that target line 2 is aligned normally on screen without difference between images of each camera. If difference is detected, align images so that line 2 is displayed in a straight line using "+" and "-"of "AXIS X", "AXIS Y", and "ROTATE" on CONSULT screen.
          NOTE: SYMBOL Press "SELECT" on CONSULT screen and select camera position for adjustment.
          CAUTION:
          • Never adjust the front camera and rear camera. Only adjust the side cameras LH/RH.
          • Perform adjustment operation slowly because approximately 1 second is required for changing image on screen. Simplified target line adjustment method
            GNSDB111363Courtesy of NISSAN NORTH AMERICA, INC.
            1. Target lines 1 2. Target lines 2 3. Marker for target line 1
            4. Boundary between cameras 5. Crosshair cursor (mark indicated by the selected camera)    
            A. Adjustment method for target lines 1 (right) B. Adjustment method for target lines 2 (right)    
      5. Adjust the left and right cameras. Check that difference of images on screen between target line 1 and marker, and between target lines 2 are solved. Press "APPLY".
        NOTE: SYMBOL
        • The setting can be initialized to factory default condition using "CALIBRATING CAMERA IMAGE" of Work Support.
        • The adjustment value on this mode is canceled when "INITIALIZE CAMERA IMAGE CALIBRATION" is performed.

    Is the difference corrected?

    YES>>

    • Select "OK" to end calibration.
      CAUTION:

      After selecting "OK", never perform any operation other than "BACK" on CONSULT.

    NO>>

    GO TO 5.

  5. PERFORM "CALIBRATING CAMERA IMAGE" 
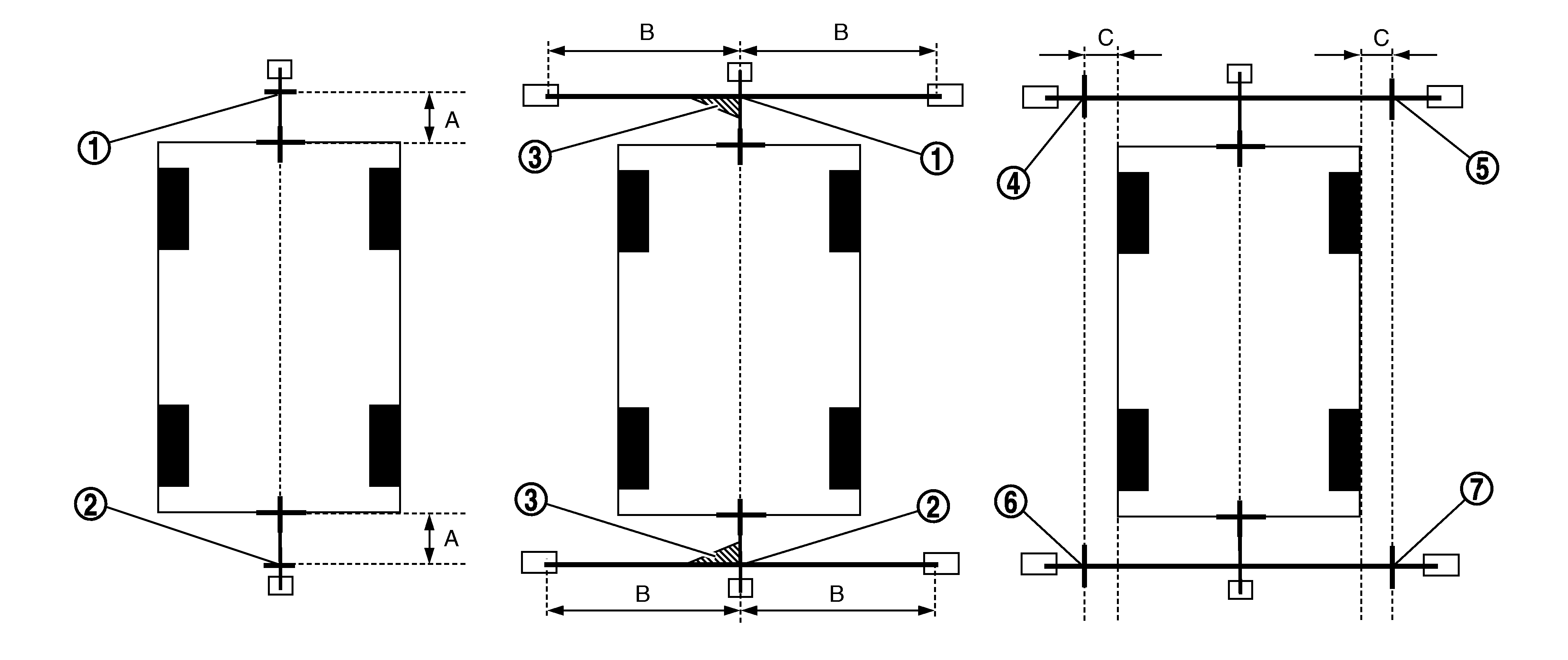
    1. Preparation of target line
      1. Hang a string with a weight as shown in the figure. Put the points FM0 and RM0 (mark) on the ground at the center of the vehicle front end and rear end using white packing tape or a pen.
      2. Route the vinyl string under the vehicle, and then pull and fix the vinyl string at a point approximately 1.0 m (39.37 in) at the front and rear of the vehicle through points FM0 and RM0 using packing tape.
        GNSDB140545Courtesy of NISSAN NORTH AMERICA, INC.
        1. Thread 2. Weight 3. Point FM0 (mark)
        4. Point RM0 (mark) 5. Packing tape (to fix the vinyl string) 6. Vinyl string
      3. Put points FM and RM (mark) 75 cm (29.53 in) from the points FM0 and RM0 individually.
      4. Route the vinyl string through points FM and RM using a triangle scale, and then fix it at approximately 1.5 m (59.06 in) on both sides with packing tape.
      5. Put points FL, FR, RL, and RR (mark) at a distance of half the vehicle width, plus 30 cm (11.81 in) to the left and right from points FM and RM. Target line preparation procedure 2
        GNSDB110174Courtesy of NISSAN NORTH AMERICA, INC.
        1. Point FM 2. Point RM 3. Triangle scale
        4. Point FL (mark) 5. Point FR (mark) 6. Point RL (mark)
        7. Point RR (mark)        
        A. 75 cm (29.53 in) B. Approximately 1.5 m (59.06 in) C: 30 cm (11.81 in)[A half of the vehicle width plus 30 cm (11.81 in) from the points FM and RM]
      6. Draw the lines of the points FL - RL and FR - RR with the vinyl string, and fix them with packing tape.
      7. Put a mark at the center of front axle. Use a triangle ruler to draw a line at the position 1 m (39.37 in) backward from the mark placed at the center of front axle so that the line becomes perpendicular to the line drawn between point FL-RL and point FR-RR and fix with packing tape.
      8. Put a mark at the center of rear axle. Use a triangle ruler to draw a line at the position 1 m (39.37 in) backward from the mark placed at the center of rear axle so that the line becomes perpendicular to the line drawn between point FL-RL and point FR-RR and fix with packing tape. Target line preparation procedure 3
        GNSDB109448Courtesy of NISSAN NORTH AMERICA, INC.
        1. Point FL 2. Point FR 3. Point RL
        4. Point RR 5. Center position of axle 6. Triangle scale
        A. 1 m (39.37 in)        
    2. Perform "CALIBRATING CAMERA IMAGE"
    3. SYMBOL CONSULT Work Support
      1. Select "CALIBRATING CAMERA IMAGE".
        NOTE: SYMBOL In random order, perform the operation for all cameras.
        • Front camera: "CALIBRATING CAMERA IMAGE (FRONT CAMERA)"
        • Passenger side camera: "CALIBRATING CAMERA IMAGE (PASS-SIDE CAMERA)"
        • Driver side camera: "CALIBRATING CAMERA IMAGE (DR-SIDE CAMERA)"
        • Rear camera: "CALIBRATING CAMERA IMAGE (REAR CAMERA)"
      2. On each calibration screen of "REAR CAMERA", "FRONT CAMERA", "DR-SIDE CAMERA", and "PASS-SIDE CAMERA", operate "+" and "-" of "AXIS X", "AXIS Y", and "ROTATE" so that images on screen of target line and calibration maker are aligned.
      3. Press "APPLY" on CONSULT screen. "Writing..." is displayed, and then the adjustment result is displayed on the display.
        CAUTION:

        Check that "Writing..." is displayed. Never perform other operations while "Writing..." is displayed.

      4. Press "APPLY" on CONSULT screen. "Writing..." is displayed, and then the adjustment result is written to around view monitor control unit.
        CAUTION:

        Check that "Writing..." is displayed. Never perform other operations while "Writing..." is displayed.

    >>

    GO TO 6.

  6. PERFORM "FINE TUNING OF BIRDS-EYE VIEW" 
    1. This mode is designed to align the boundary between each camera image that cannot be aligned in the "CALIBRATING CAMERA IMAGE" mode.SYMBOL CONSULT Work Support
      1. Select "FINE TUNING OF BIRDS-EYE VIEW".
      2. Operate "+" and "-" of "AXIS X", "AXIS Y", and "ROTATE" so that images on screen of target line on the ground and marker are aligned between each camera.
        GNSDB109054Courtesy of NISSAN NORTH AMERICA, INC.
        CAUTION:

        Perform adjustment operation slowly because approximately 1 second is required for changing image on screen.

        NOTE: SYMBOL Press "SELECT" on CONSULT screen and select camera position for adjustment.
      3. Press "APPLY" on CONSULT screen. "Writing..." is displayed, and then the adjustment result is displayed on the display.
        CAUTION:

        Check that "Writing..." is displayed. Never perform other operations while "Writing..." is displayed.

      4. Press "APPLY" on CONSULT screen. "Writing..." is displayed, and then the adjustment result is written to around view monitor control unit.
        CAUTION:
        • Check that "Writing..." is displayed. Never perform other operations while "Writing..." is displayed.
        • After selecting "OK", never perform any operation other than "BACK" on CONSULT.
      NOTE: SYMBOL
      • The setting can be initialized to the factory default setting using "CALIBRATING CAMERA IMAGE" of Work Support.
      • The adjustment value on this mode is canceled when "INITIALIZE CAMERA IMAGE CALIBRATION" is performed.

    >>

    Calibration end.