LEMON Manuals: Even more car manuals for everyone: 1960-2025
Home >> Jaguar >> 1987 >> XJ-6 L6-4.2L >> Repair and Diagnosis >> Powertrain Management >> Computers and Control Systems >> Coolant Temperature Sensor/Switch (For Computer) >> Locations
April 5, 2026: LEMON Manuals is launched! Read the announcement.

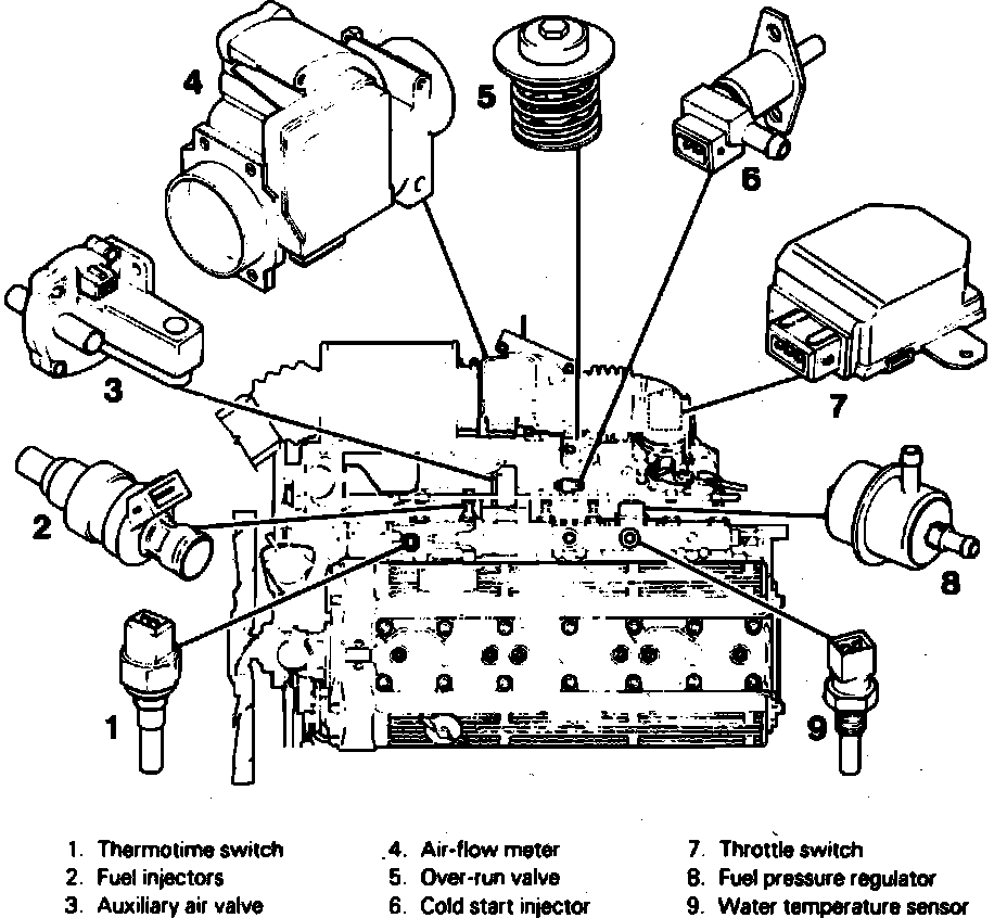
Coolant Temperature Sensor/Switch (For Computer): Locations

Engine Component Locations.:




LH Side Of Intake Manifold

Applicable to: XJ6