LEMON Manuals: Even more car manuals for everyone: 1960-2025
Home >> Lexus >> 1990 >> ES 250 Standard >> Repair and Diagnosis >> Accessories & Equipment >> Cruise Control Systems >> Component Testing >> Neutral/Start Switch
April 5, 2026: LEMON Manuals is launched! Read the announcement.

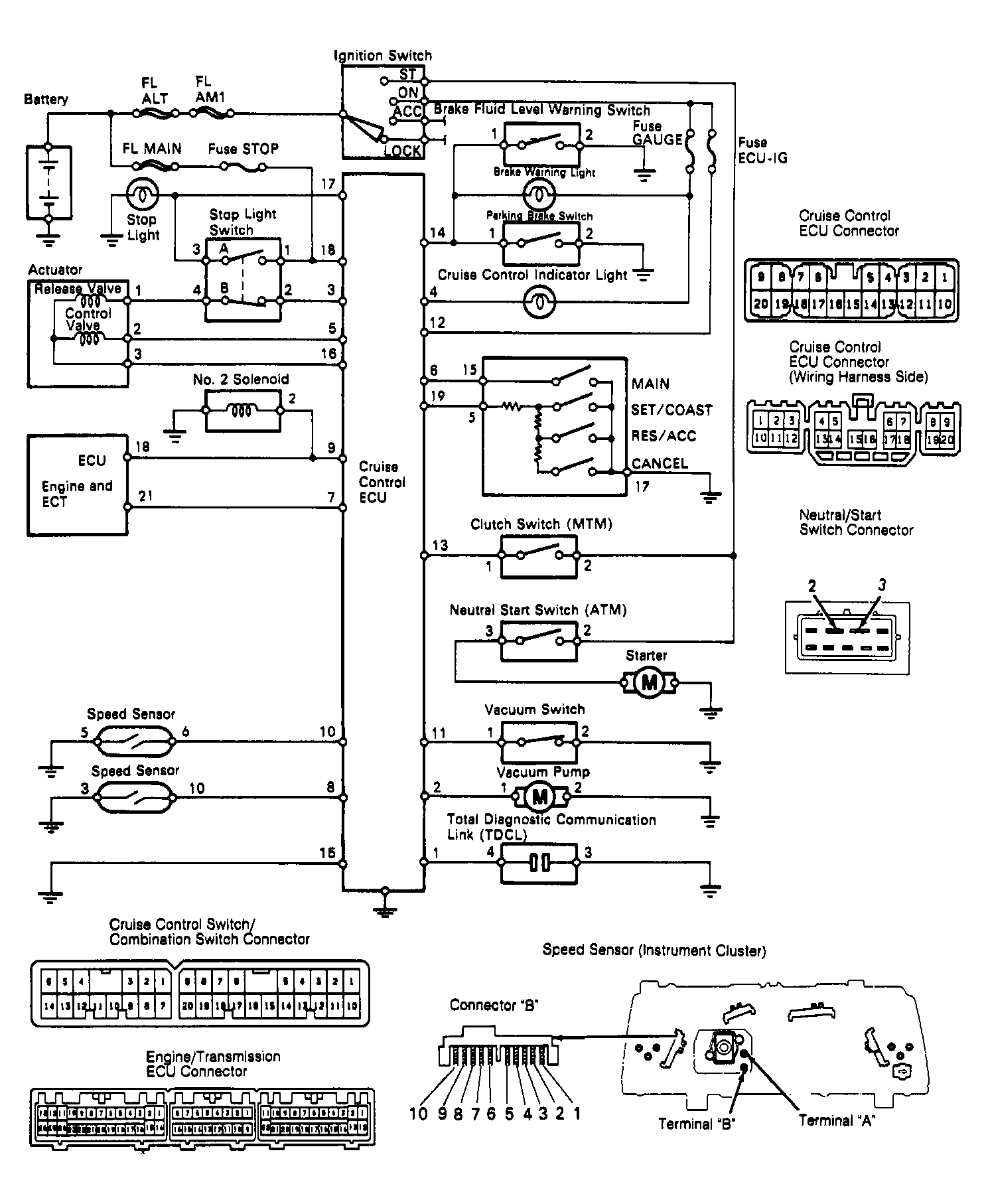
Neutral/Start Switch

Ensure continuity exists between neutral/start switch terminals No. 2 and 3. See Figure. If continuity is not as specified, replace switch.