LEMON Manuals: Even more car manuals for everyone: 1960-2025
Home >> Lexus >> 1990 >> LS 400 V8-4.0L (1UZ-FE) >> Repair and Diagnosis >> Diagrams >> Connector Views >> Electronic Brake Control Module
April 5, 2026: LEMON Manuals is launched! Read the announcement.

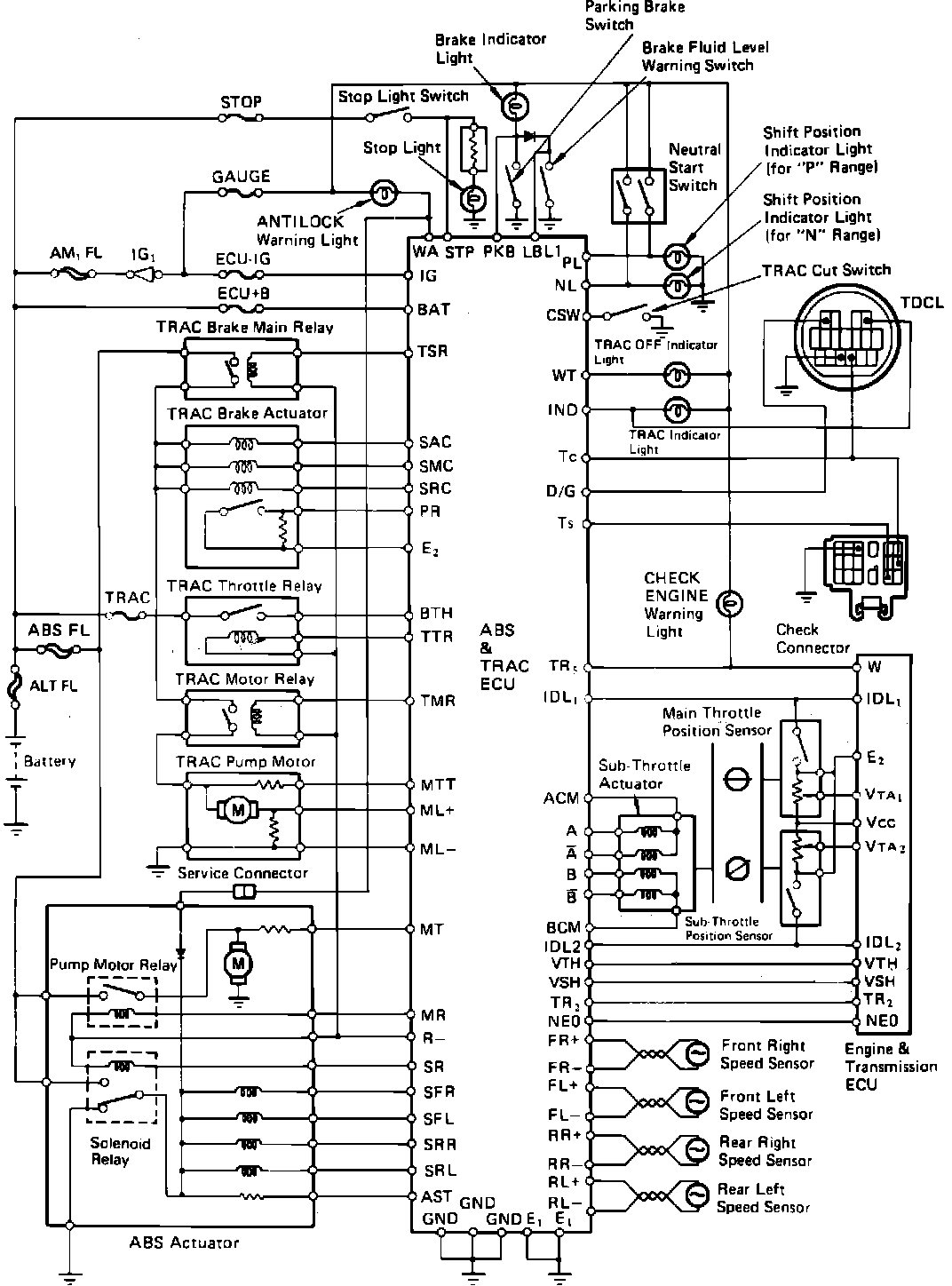
Electronic Brake Control Module

Fig. 11 Wiring Circuit & Pin Identification (Part 1 Of 2). W/TRAC:



Fig. 11 Wiring Circuit & Pin Identification (Part 2 Of 2). W/TRAC: