LEMON Manuals: Even more car manuals for everyone: 1960-2025
Home >> Lexus >> 1990 >> LS 400 >> Repair and Diagnosis >> Brakes >> Traction Control >> Traction Control System >> Wiring Diagrams
April 5, 2026: LEMON Manuals is launched! Read the announcement.

Wiring Diagrams

Fig 1: Traction Control System Wiring Diagram (1990)
G90A21352Courtesy of © TOYOTA, LICENSE AGREEMENT TMS1002
Fig 2: Traction Control System Wiring Diagram (1991)
G91E17941Courtesy of © TOYOTA, LICENSE AGREEMENT TMS1002
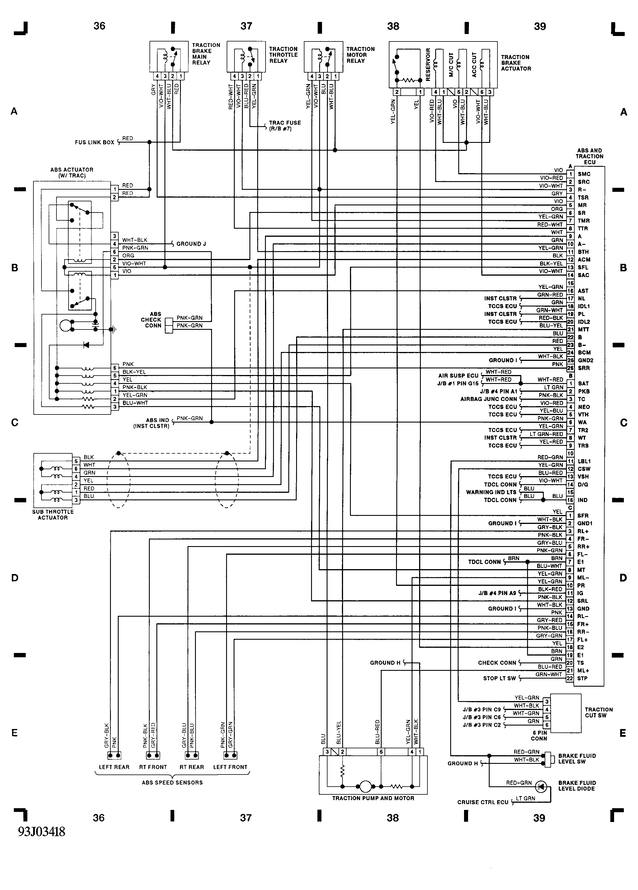
Fig 3: Traction Control System Wiring Diagram (1992)
G93J03418Courtesy of © TOYOTA, LICENSE AGREEMENT TMS1002