LEMON Manuals: Even more car manuals for everyone: 1960-2025
Home >> Lexus >> 1993 >> LS 400 >> Repair and Diagnosis >> Brakes >> Traction Control >> Traction Control System >> Wiring Diagrams
April 5, 2026: LEMON Manuals is launched! Read the announcement.

Wiring Diagrams

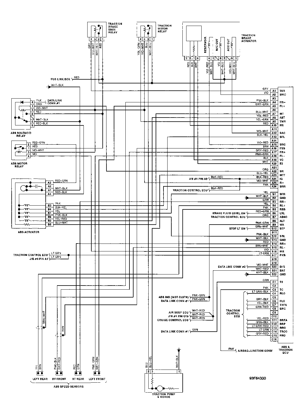
Fig 1: Traction Control (TRAC) System Wiring Diagram (1 Of 2)
G93F84330Courtesy of © TOYOTA, LICENSE AGREEMENT TMS1002
Fig 2: Traction Control (TRAC) System Wiring Diagram (2 Of 2)
G93C87090Courtesy of © TOYOTA, LICENSE AGREEMENT TMS1002