LEMON Manuals: Even more car manuals for everyone: 1960-2025
Home >> Lexus >> 1994 >> SC 400 >> Repair and Diagnosis >> Body & Frame >> Door Locks >> Keyless Entry System >> Wiring Diagrams
April 5, 2026: LEMON Manuals is launched! Read the announcement.

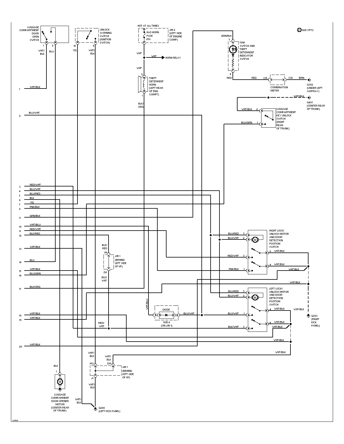
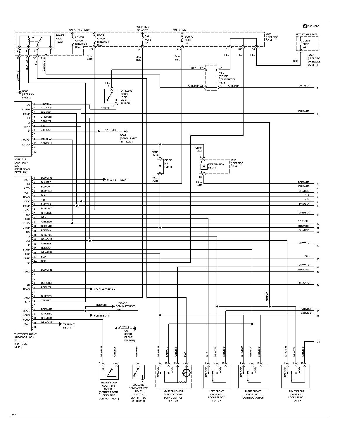
Wiring Diagrams

Fig 1: Theft Deterrent System Wiring Diagram (1 Of 2)
Fig 2: Theft Deterrent System Wiring Diagram (2 Of 2)