LEMON Manuals: Even more car manuals for everyone: 1960-2025
Home >> Lexus >> 1997 >> LX 450 L6-4.5L (1FZ-FE) >> Repair and Diagnosis >> Cruise Control >> Cruise Control Switch >> Testing and Inspection >> Control Switch Circuit (Cruise Control Switch)
April 5, 2026: LEMON Manuals is launched! Read the announcement.

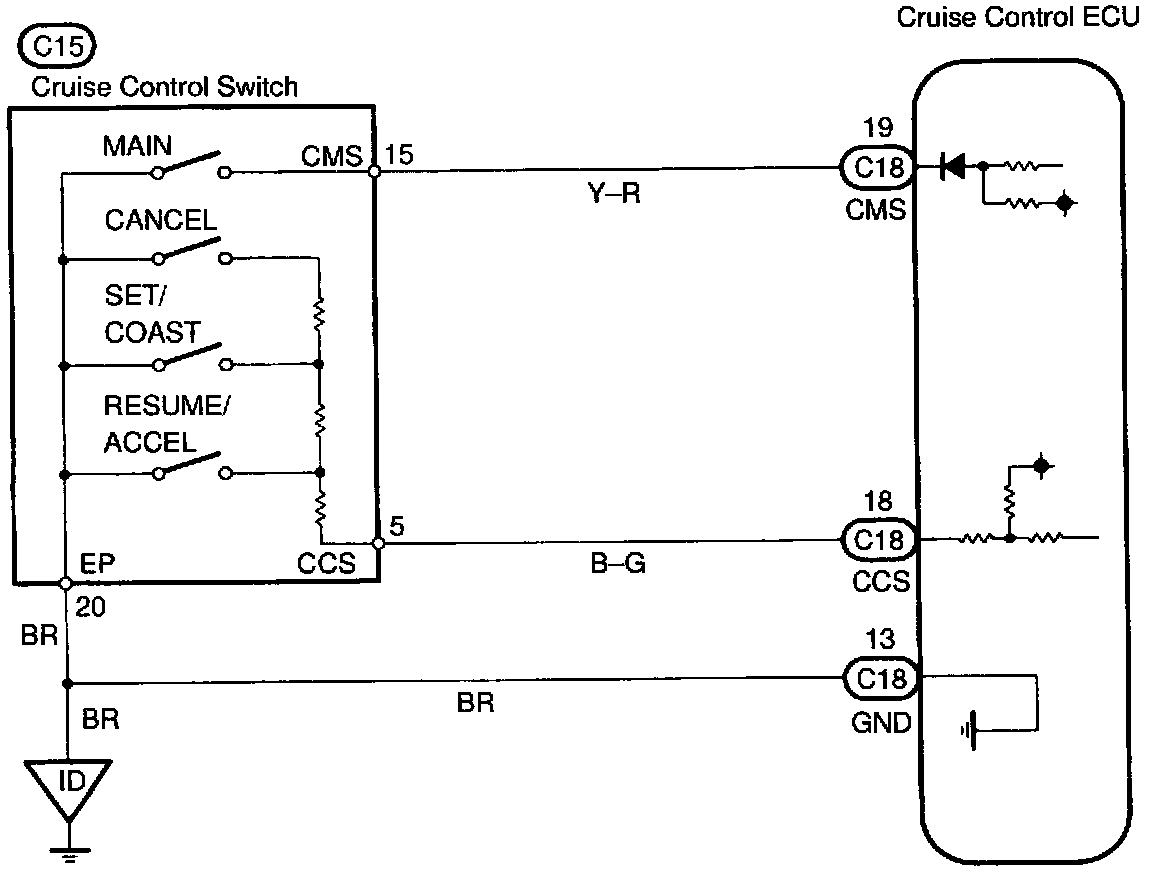
Control Switch Circuit (Cruise Control Switch)

CIRCUIT DESCRIPTION
This circuit carries the SET/COAST, RESUME/ACCEL and CANCEL signals (each voltage) to the ECU.





DETECTING CONDITION





WIRING DIAGRAM

















INSPECTION PROCEDURE