LEMON Manuals: Even more car manuals for everyone: 1960-2025
Home >> Lexus >> 1997 >> SC 400 V8-4.0L (1UZ-FE) >> Repair and Diagnosis >> Cruise Control >> Cruise Control Module >> Testing and Inspection >> Back-up Power Source Circuit
April 5, 2026: LEMON Manuals is launched! Read the announcement.

Back-up Power Source Circuit

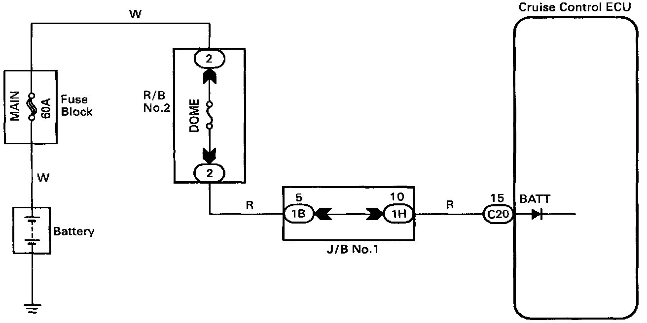
CIRCUIT DESCRIPTION
The ECU back-up power source provides power even when the ignition is off and is used for DTC memory, etc..





WIRING DIAGRAM








INSPECTION PROCEDURE