LEMON Manuals: Even more car manuals for everyone: 1960-2025
Home >> Lexus >> 1998 >> LS 400 V8-4.0L (1UZ-FE) >> Repair and Diagnosis >> Powertrain Management >> Computers and Control Systems >> Relays and Modules - Computers and Control Systems >> Engine Control Module >> Testing and Inspection >> Component Tests and General Diagnostics
April 5, 2026: LEMON Manuals is launched! Read the announcement.

Component Tests and General Diagnostics


ECM Power Source Circuit

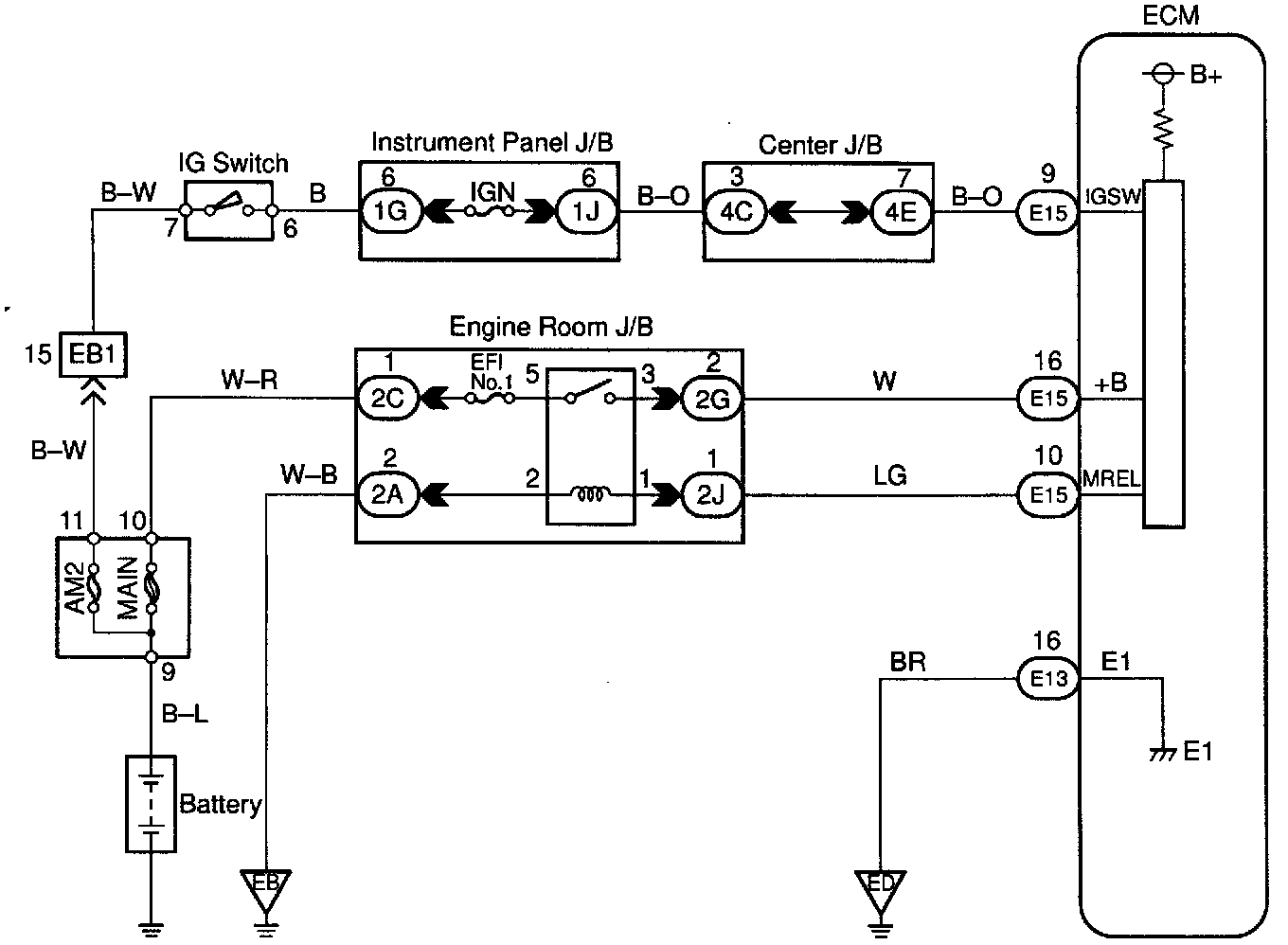
CIRCUIT DESCRIPTION
When the ignition switch is turned ON, battery positive voltage is applied to the terminal IGSW of the ECM and the EFI main relay (Making: EFI) control circuit in the ECM sends a signal to the terminal MREL of the ECM switching on the EFI main relay.
This signal causes current to flow to the coil, closing the contacts of the EFI main relay and supplying power to the terminals +B of the ECM.
If the ignition switch is turned off, the ECM continues to switch on the EFI main relay for a maximum of 2 seconds for the initial setting of the lac valve.





WIRING DIAGRAM

Step 1:




Step 2:




Step 3:




Step 4:




Step 5:




Step 6:




Step 7:




Step 8:




Step 9:





INSPECTION PROCEDURE