LEMON Manuals: Even more car manuals for everyone: 1960-2025
Home >> Lexus >> 1999 >> LS 400 V8-4.0L (1UZ-FE) >> Repair and Diagnosis >> Diagrams >> Electrical Diagrams >> Navigation System >> Navigation Module
April 5, 2026: LEMON Manuals is launched! Read the announcement.

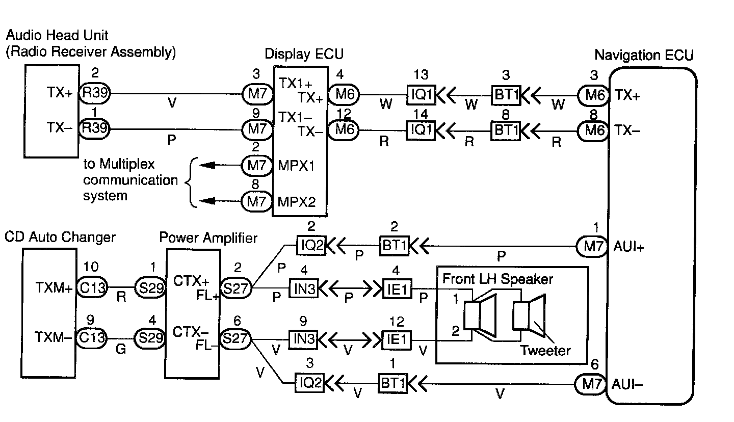
Navigation Module