LEMON Manuals: Even more car manuals for everyone: 1960-2025
Home >> Lexus >> 1999 >> RX 300 FWD V6-3.0L (1MZ-FE) >> Repair and Diagnosis >> Relays and Modules >> Relays and Modules - Powertrain Management >> Relays and Modules - Computers and Control Systems >> Body Control Module >> Testing and Inspection >> Component Tests and General Diagnostics >> Theft Deterrent Indicator Circuit
April 5, 2026: LEMON Manuals is launched! Read the announcement.

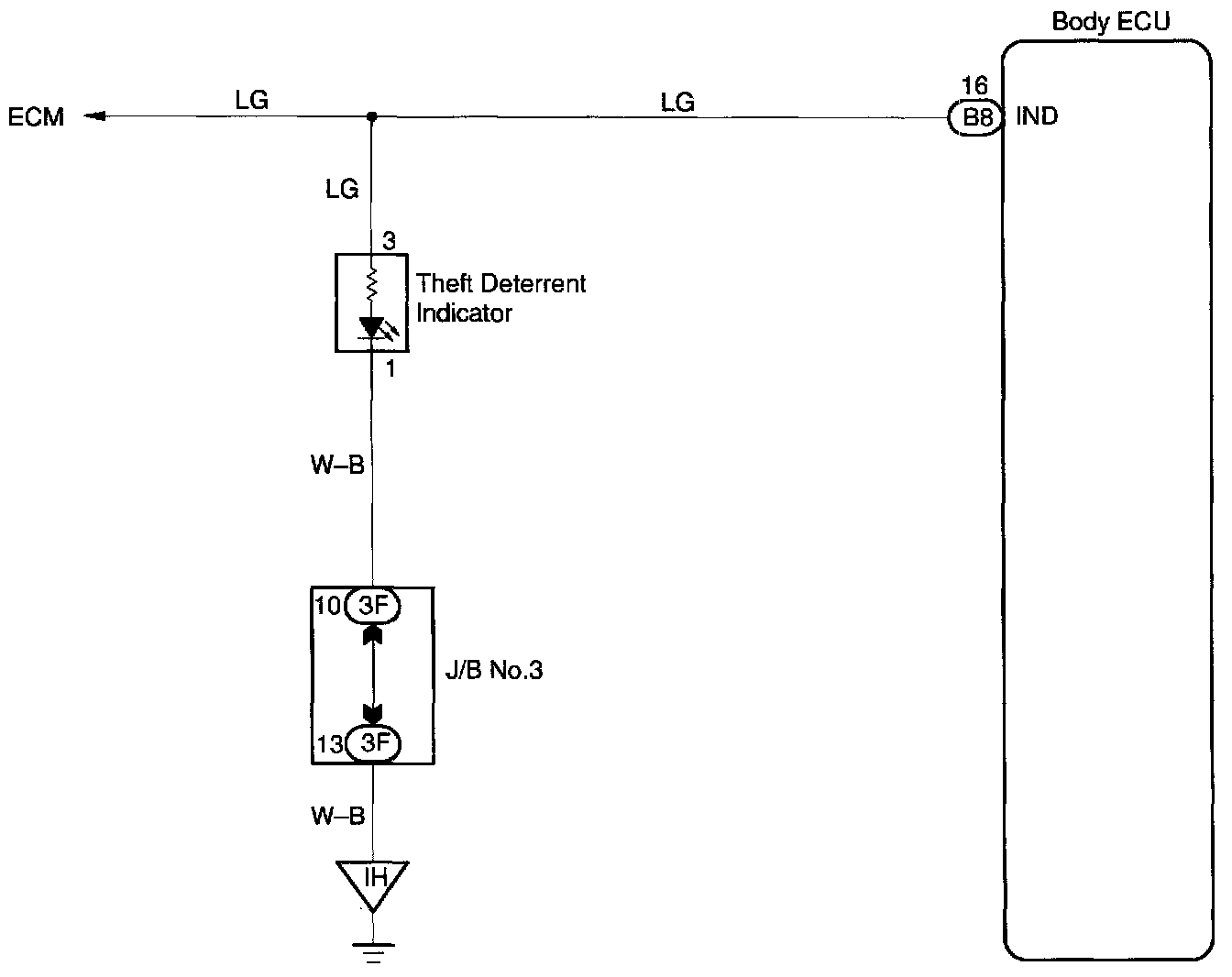
Theft Deterrent Indicator Circuit

CIRCUIT DESCRIPTION
When the theft deterrent system is preparing to set, this circuit lights up the indicator light. When the system has been set, it continually turns the indicator light on for 1 second and turns it off for 1 second, thus blinking the indicator light.

This theft deterrent indicator is connected to the ECM and outputs the key judgment of the immobilizer.




WIRING DIAGRAM

Step 1:




Step 2:




Step 3:




INSPECTION PROCEDURE

HINT: In case of using the LEXUS hand-held tester, start the inspection from step 1 and in case of not using the LEXUS hand-held tester, start from step 2.