LEMON Manuals: Even more car manuals for everyone: 1960-2025
Home >> Lexus >> 1999 >> SC 400 V8-4.0L (1UZ-FE) >> Repair and Diagnosis >> Body and Frame >> Seats >> Power Seat Control Module >> Testing and Inspection >> Power Seat Control System (Driver)
April 5, 2026: LEMON Manuals is launched! Read the announcement.

Power Seat Control System (Driver)

CIRCUIT INSPECTION

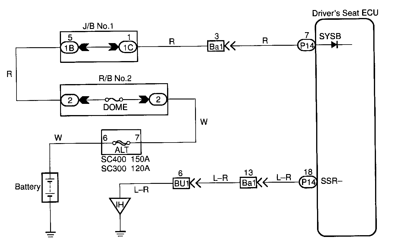
This circuit provides power for ECU operation and is also the power source for the sensors.




WIRING DIAGRAM

Step 1:




Step 2:




Step 3:




INSPECTION PROCEDURE