LEMON Manuals: Even more car manuals for everyone: 1960-2025
Home >> Lexus >> 1999 >> SC 400 V8-4.0L (1UZ-FE) >> Repair and Diagnosis >> Heating and Air Conditioning >> Control Assembly >> Testing and Inspection >> Related Diagnostic Procedures >> Temperature Control Switch Circuit
April 5, 2026: LEMON Manuals is launched! Read the announcement.

Temperature Control Switch Circuit

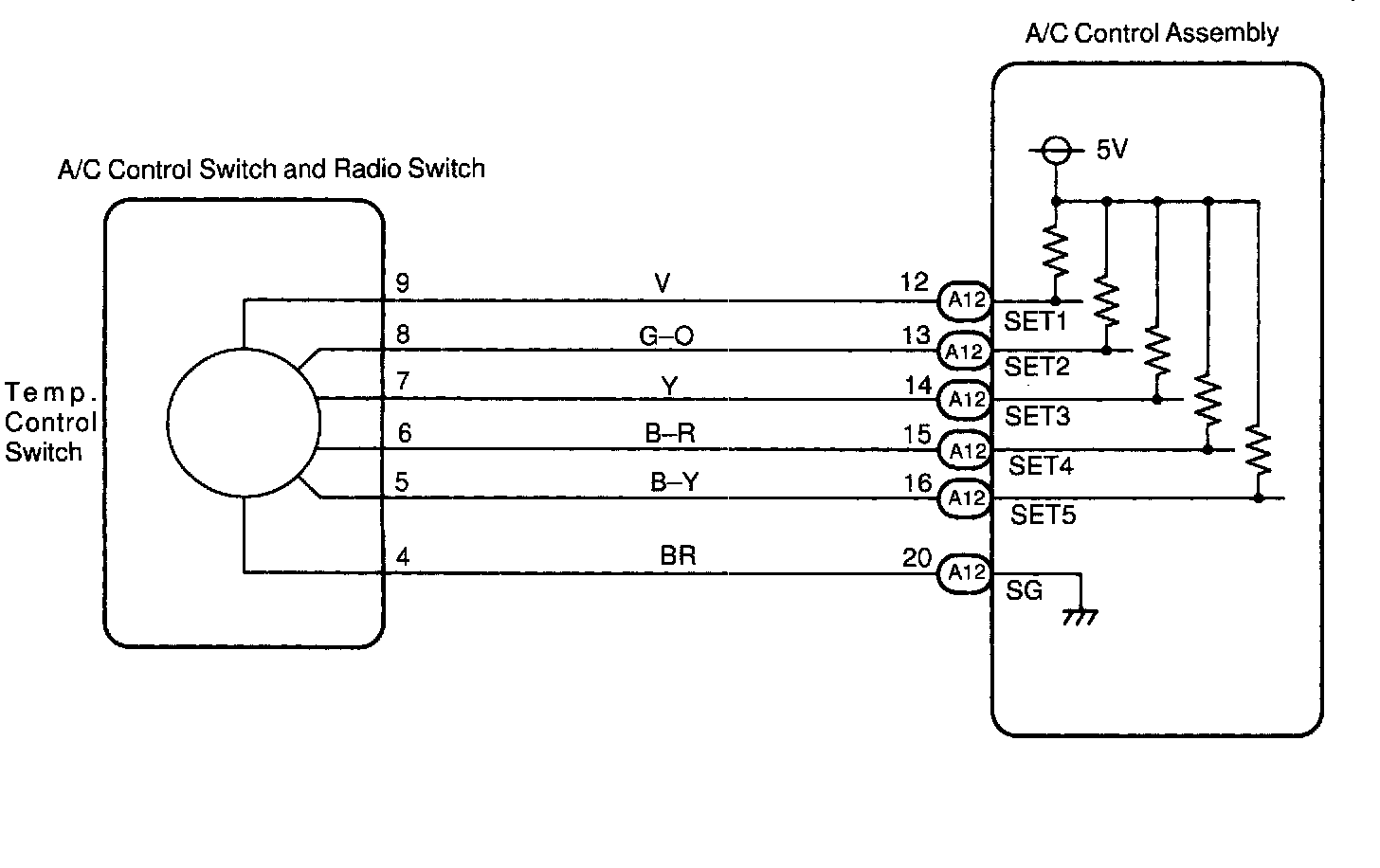
CIRCUIT DESCRIPTION




By turning the temp. control switch, the set temperature of the A/C can be adjusted in steps of 1°F (USA) or 0.5°C (Canada). Turning the switch fully will set the A/C to MAX. COLD or MAX. HOT.

The ECU calculates the set temperature from the combination of Hi (5V) or Low (0V) terminals SET 1 - 5 of the temp. control SW and displays the set temperature on the LCD display.

If a malfunction occurs in the temp. control SW circuit, malfunctions such as not being able to set the desired temperature occur.




WIRING DIAGRAM

Step 1:




Step 2:




Step 3:




INSPECTION PROCEDURE