LEMON Manuals: Even more car manuals for everyone: 1960-2025
Home >> Lexus >> 2000 >> ES 300 V6-3.0L (1MZ-FE) >> Repair and Diagnosis >> Diagrams >> Exploded Views >> Engine >> System Diagram
April 5, 2026: LEMON Manuals is launched! Read the announcement.

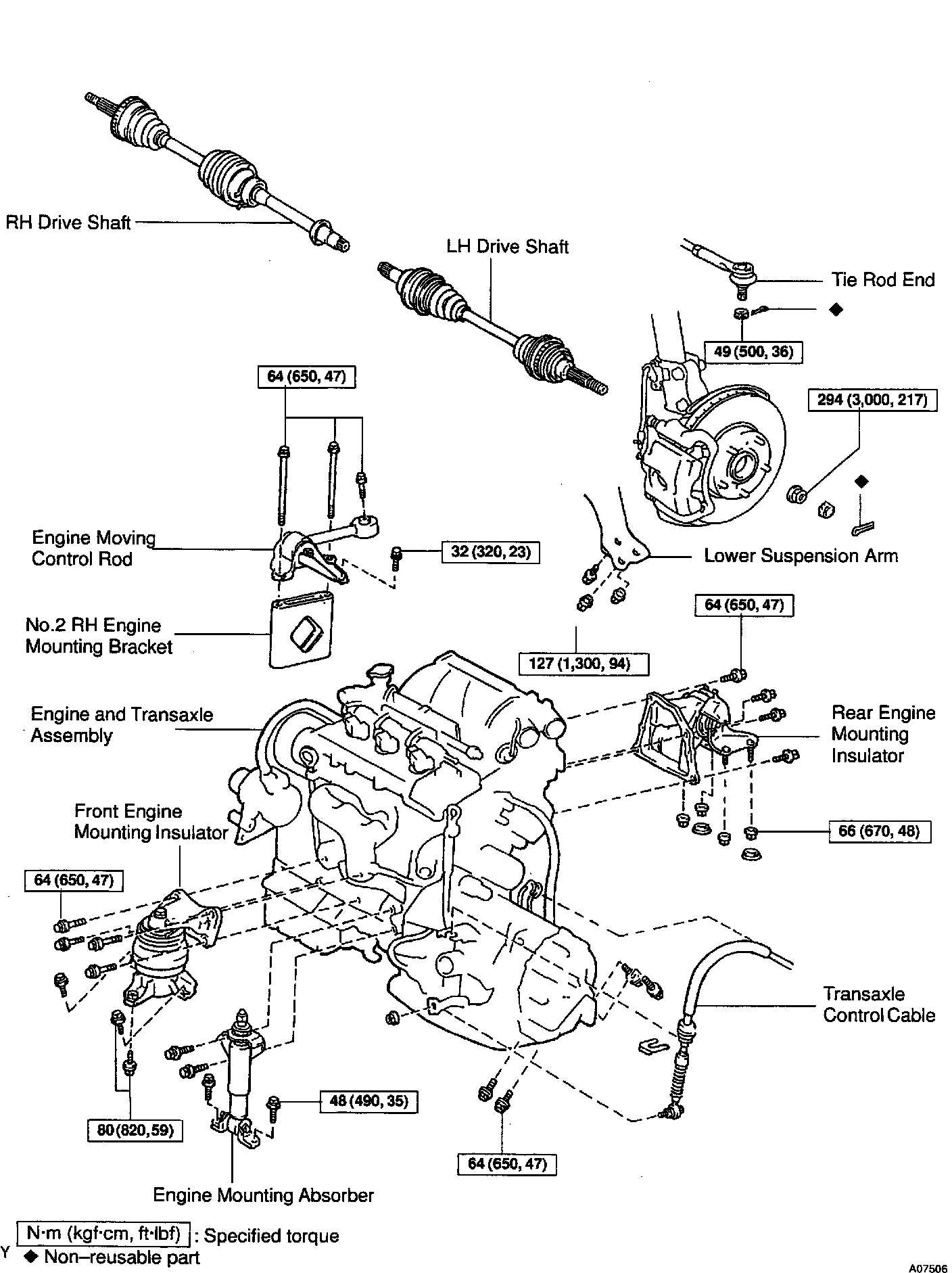
System Diagram

ENGINE UNIT REPLACEMENT W/ RELATED COMPONENTS





Part 1 of 2





Part 2 of 2