LEMON Manuals: Even more car manuals for everyone: 1960-2025
Home >> Lexus >> 2000 >> LS 400 V8-4.0L (1UZ-FE) >> Repair and Diagnosis >> Powertrain Management >> Computers and Control Systems >> Body Control Module >> Testing and Inspection >> Component Tests and General Diagnostics >> Hazard Switch Circuit
April 5, 2026: LEMON Manuals is launched! Read the announcement.

Hazard Switch Circuit

CIRCUIT DESCRIPTION
Body ECU activates the flasher relay during warning of the theft deterrent system and flashers the hazard.

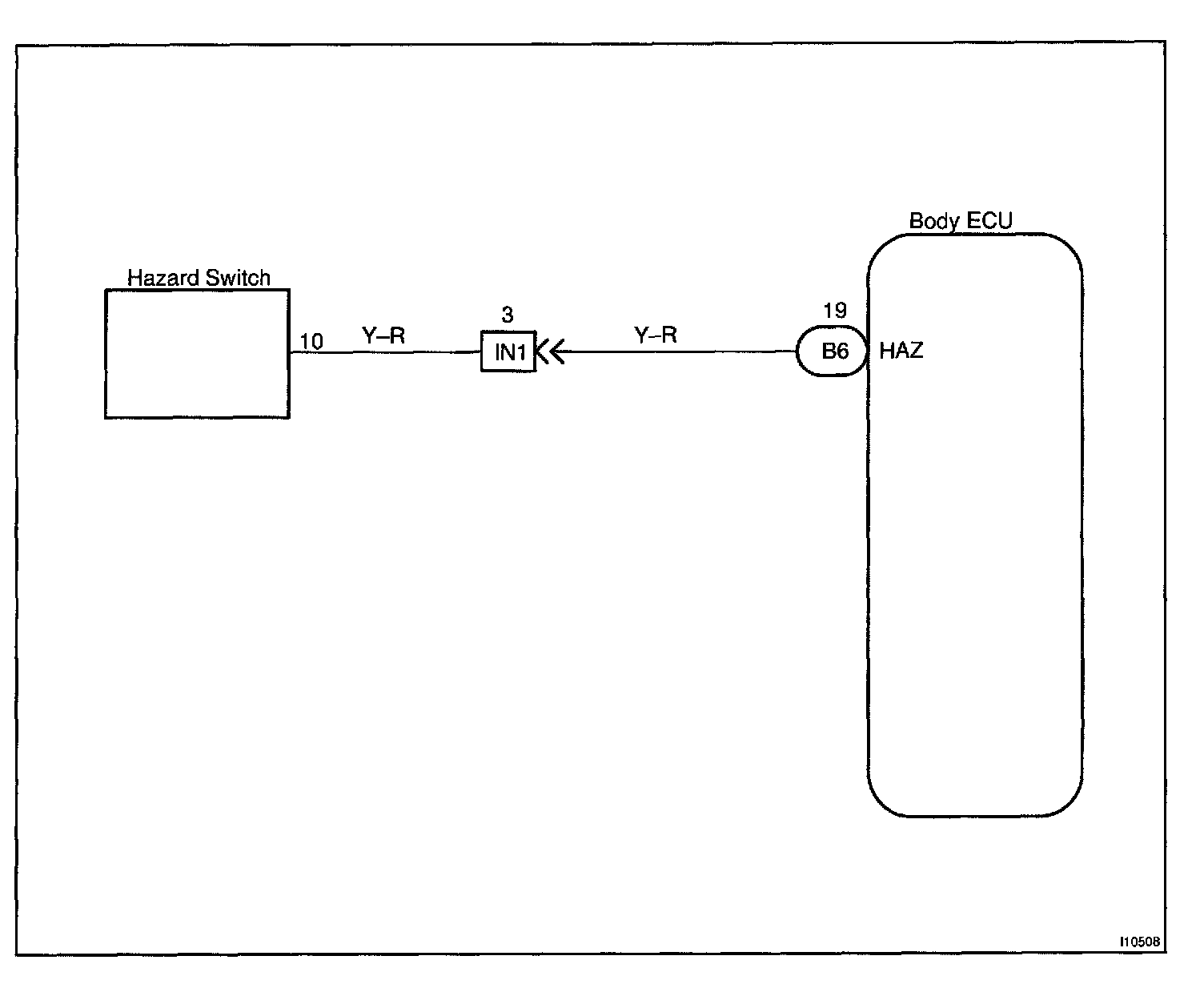
Wiring Diagram:






Steps 1 - 3:




INSPECTION PROCEDURE