LEMON Manuals: Even more car manuals for everyone: 1960-2025
Home >> Lexus >> 2000 >> SC 400 V8-4.0L (1UZ-FE) >> Repair and Diagnosis >> Diagrams >> Exploded Views >> Engine >> System Diagram
April 5, 2026: LEMON Manuals is launched! Read the announcement.

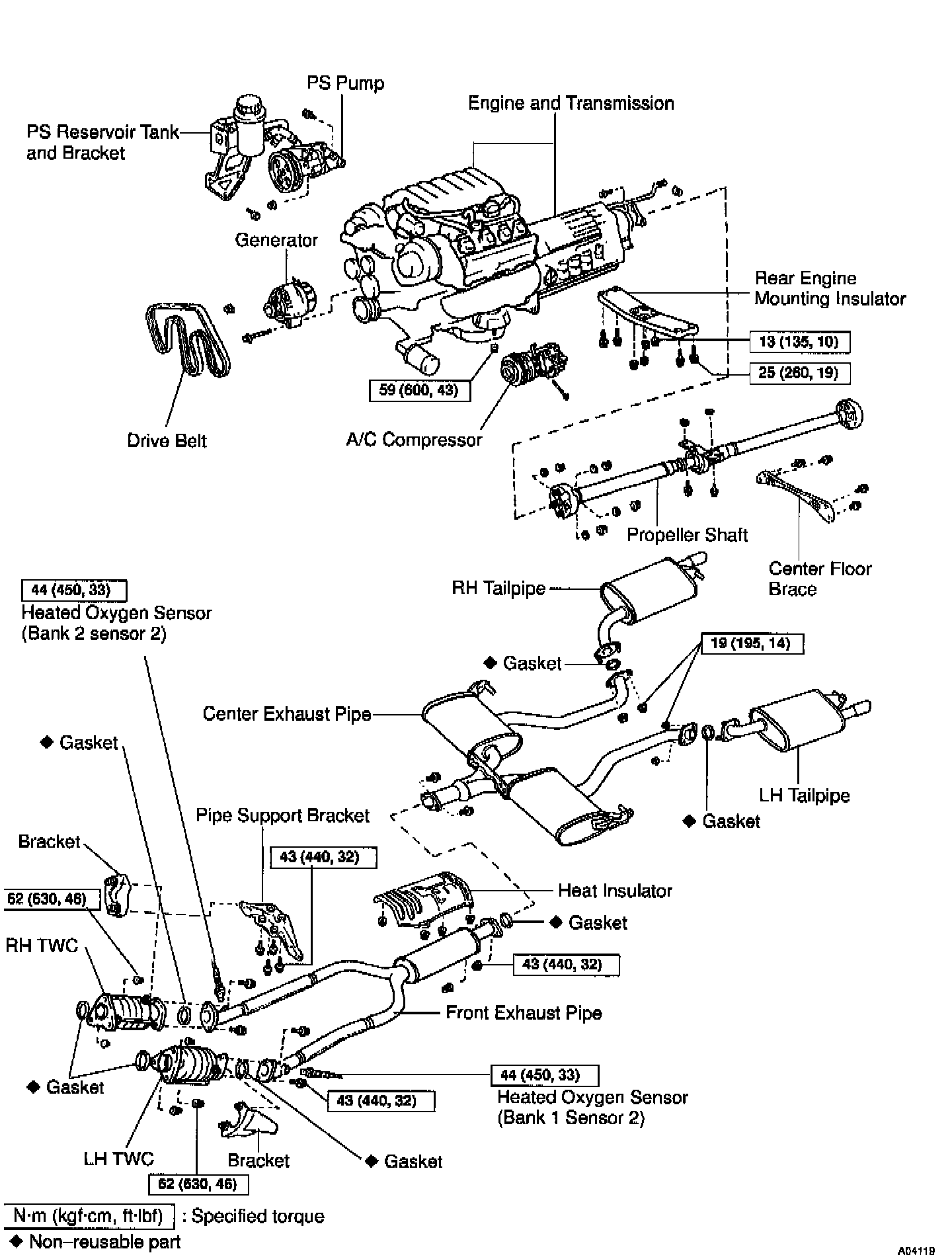
System Diagram

ENGINE UNIT REPLACEMENT W/ RELATED COMPONENTS





Part 1 of 4





Part 2 of 4





Part 3 of 4





Part 4 of 4