LEMON Manuals: Even more car manuals for everyone: 1960-2025
Home >> Lexus >> 2001 >> ES 300 >> Repair and Diagnosis >> External Pages >> Different car >> Section 84 (Engine Controls - Self-Diagnostics) >> Diagnostic Tests >> DTC P0134: Oxygen Sensor Circuit No Activity Detected (Bank 1 Sensor 1) Or DTC P0154: Oxygen Sensor Circuit No Activity Detected (Bank 2 Sensor 1) >> Diagnosis & Repair
April 5, 2026: LEMON Manuals is launched! Read the announcement.

Diagnosis & Repair

WARNING: This page is about a different car, the 2003 Lexus GX 470. However, it is still accessible from the selected car via links, so may be relevant.

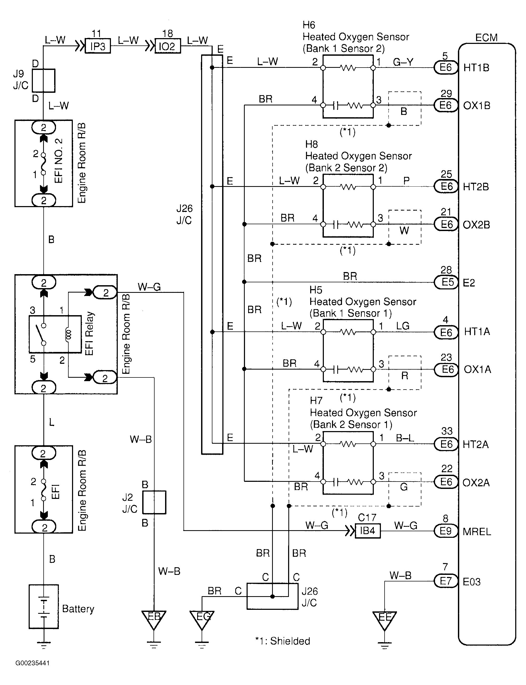
For wiring diagram, see Figure. For diagnosis and repair, see Fig 1-Fig 4 .

Fig 1: Diagnosis & Repair Of Oxygen Sensor Circuit No Activity (Step 1-4)
G00246979Courtesy of © TOYOTA, LICENSE AGREEMENT TMS1002
Fig 2: Diagnosis & Repair Of Oxygen Sensor Circuit No Activity (Step 5-6))
G00246980Courtesy of © TOYOTA, LICENSE AGREEMENT TMS1002
Fig 3: Diagnosis & Repair Of Oxygen Sensor Circuit No Activity (Step 7-12)
G00246981Courtesy of © TOYOTA, LICENSE AGREEMENT TMS1002
Fig 4: Diagnosis & Repair Of Oxygen Sensor Circuit No Activity (Step 13-14)
G00246982Courtesy of © TOYOTA, LICENSE AGREEMENT TMS1002