LEMON Manuals: Even more car manuals for everyone: 1960-2025
Home >> Lexus >> 2001 >> LS 430 V8-4.3L (3UZ-FE) >> Repair and Diagnosis >> Powertrain Management >> Computers and Control Systems >> Body Control Module >> Testing and Inspection >> Component Tests and General Diagnostics >> Body No. 2 Control System >> Power Source Circuit
April 5, 2026: LEMON Manuals is launched! Read the announcement.

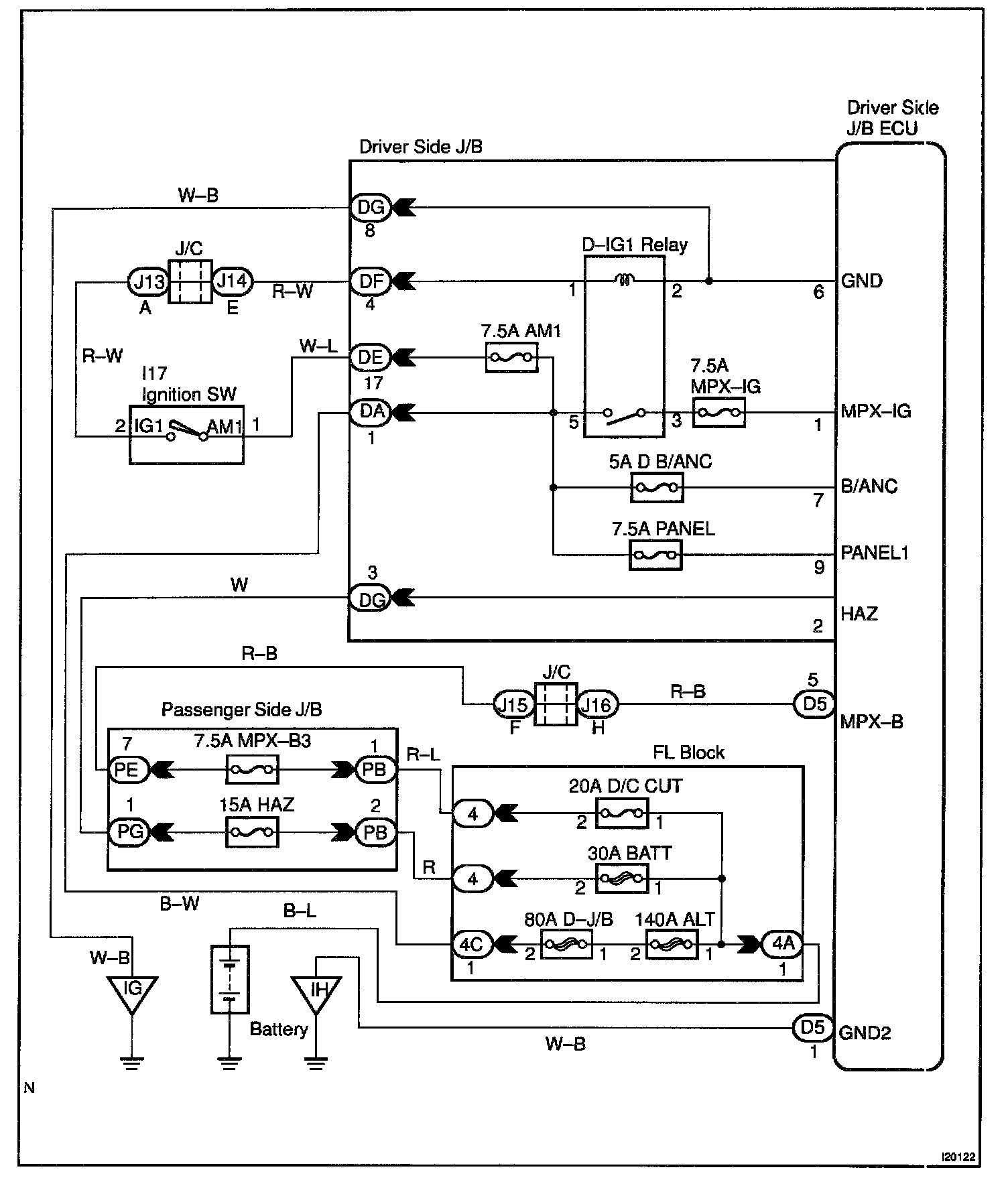
Power Source Circuit

CIRCUIT DESCRIPTION

This circuit provides power to operate the Driver side J/B ECU.

Wiring Diagram:






Steps 1 - 2:




Step 3:




INSPECTION PROCEDURE