LEMON Manuals: Even more car manuals for everyone: 1960-2025
Home >> Lexus >> 2001 >> LS 430 V8-4.3L (3UZ-FE) >> Repair and Diagnosis >> Powertrain Management >> Computers and Control Systems >> Main Relay (Computer/Fuel System) >> Locations
April 5, 2026: LEMON Manuals is launched! Read the announcement.

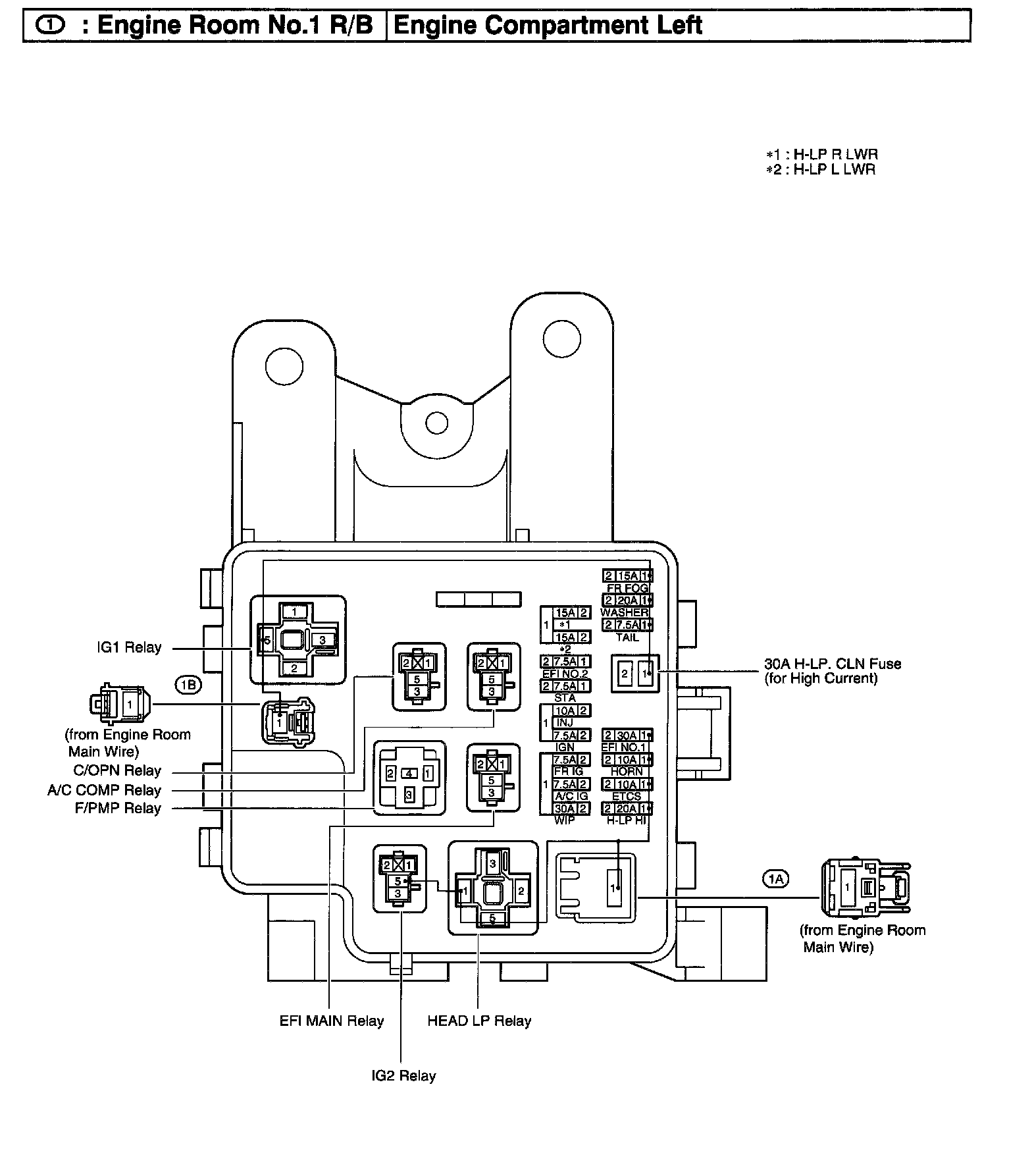
Main Relay (Computer/Fuel System): Locations

Engine Room No.1 R/B:



Engine Room No.2 R/B:



Engine Room No.3 R/B:



Fusible Link Block: