LEMON Manuals: Even more car manuals for everyone: 1960-2025
Home >> Lexus >> 2001 >> LS 430 >> Repair and Diagnosis >> Accessories & Equipment >> Communication Devices >> Gateway System >> Pre-Check
April 5, 2026: LEMON Manuals is launched! Read the announcement.

Gateway System: Pre-Check

  1. DIAGNOSIS SYSTEM 
    1. As shown in the following diagram, ECUs of this vehicle are connected each other by communication buses through which various signals are transmitted. These communication buses are diagnosed by the gateway ECU. When the gateway ECU detects a communication error between ECUs, or B+ short or GND short of a communication bus, a DTC is output and memorized. The gateway ECU cannot diagnose accurately unless it can function normally. Therefore, first confirm the normal condition by performing a "BASIC INSPECTION" described later and then, troubleshoot against each DTC. This multiplex communication (gateway) system consists of 3 BEANs (Body Electrical Area Networks): the door system communication bus; the instrument panel system communication bus and the light system communication bus and AVC-LAN (Audio Visual Communication-Local Area Network) communication bus related to the audio and navigation system. (Dealer option (cellular mobile phone, etc.) communication network can be added to the above.)

      The gateway ECU forward data between BEANs and between a BEAN and AVC-LAN and transmits data between ECUs.

      Fig 1: Identifying Connection Between Each Terminal And Bus
      G03138423Courtesy of © TOYOTA, LICENSE AGREEMENT TMS1002
    2. If DTC of ECU communication stop is output, connectors may be disconnected, or communication buses may be open at 2 points. It will not become abnormal with only 1 communication bus open.
      Fig 2: Identifying ECU Connection (1 Of 2)
      G03138424Courtesy of © TOYOTA, LICENSE AGREEMENT TMS1002
    3. If 2 communication buses are open at the position as shown in the illustration, DTC of ECU communication stop between those 2 buses is output.
      Fig 3: Identifying ECU Connection (2 Of 2)
      G03138425Courtesy of © TOYOTA, LICENSE AGREEMENT TMS1002
  2. BASIC INSPECTION 

    Inspect Gateway ECU. 

    1. Check that the DTC can be read from Gateway ECU using LEXUS hand-held tester. 
      1. OK : Go to step   3  "DTC check". 
      2. NG : Go to next step. 
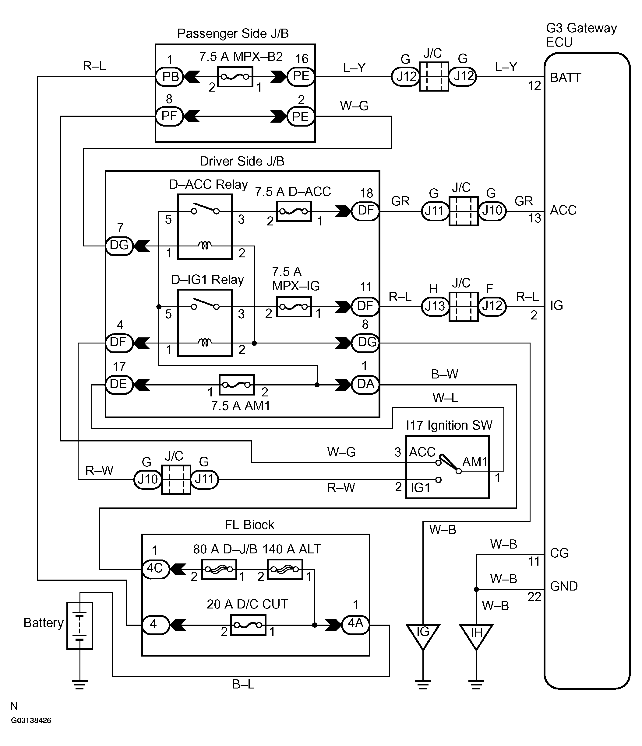
    2. Check the gateway ECU power source circuit. 

      PREPARATION: 

      Disconnect the gateway ECU connector.

      CHECK: 

      Check voltage terminal BATT and GND.

      OK: 

      Voltage: 10 - 14 V 

      CHECK: 

      Check continuity terminal GND, CG and body ground.

      OK: 

      Continuity 

      PREPARATION: 

      Turn the ignition switch ON.

      CHECK: 

      Check voltage terminal IG, ACC and GND.

      OK: 

      Voltage: 10 - 14 V 

      Fig 4: Checking Gateway ECU Power Source Circuit
      G03138426Courtesy of © TOYOTA, LICENSE AGREEMENT TMS1002
      1. NG : Replace or repair wire harness or connector. 
      2. OK : Go to next step. 
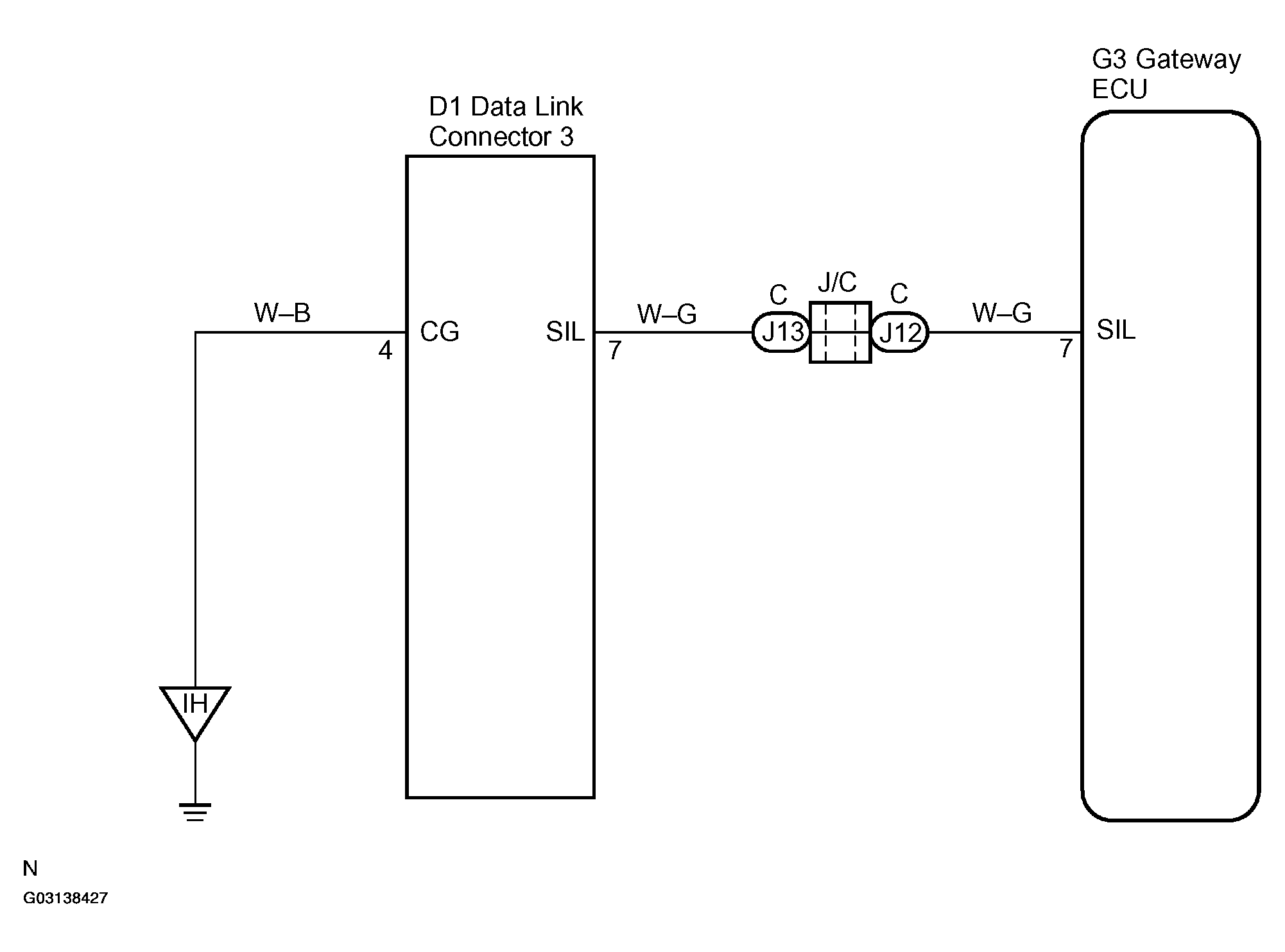
    3. Check wire harness between gateway ECU and DLC3. 
      Fig 5: Checking Wire Harness Between Gateway ECU And DLC3
      G03138427Courtesy of © TOYOTA, LICENSE AGREEMENT TMS1002

      HINT:

      If there is a failure on SIL line, LEXUS hand-held tester cannot communicate with ECM or Airbag sensor assembly also.

      1. NG : Replace or repair wire harness or connector. 
      2. OK : Replace the gateway ECU. 

  3. DTC CHECK (Using LEXUS hand-held tester) 
    1. Prepare a LEXUS hand-held tester.
    2. Connect the LEXUS hand-held tester to DLC3.
    3. Turn the ignition switch ON and switch the LEXUS hand-held tester main switch ON.
    4. Use the LEXUS hand-held tester to check the DTCs, and note them down. For opening instructions, see the LEXUS hand-held tester's instruction book.
    5. See DIAGNOSTIC TROUBLE CODE CHART  to confirm the details of the DTCs.
      Fig 6: Connecting Lexus Hand-Held Tester To Dlc3
      G03138428Courtesy of © TOYOTA, LICENSE AGREEMENT TMS1002
  4. PRESENT CODE & PAST CODE 

    GATEWAY ECU has the following two kinds of DTC. Described as follows are each explanation and dealing method of its DTC.

    1. PRESENT CODE:

      While any failure is continuously occurring, DTC is displayed as "PRESENT CODE".

      In this case, proceed the diagnosis procedure in the CIRCUIT INSPECTION.

    2. PAST CODE:

      In the case that no failure is occurred at present despite that the customer has experienced failure, this is not recorded as "PRESENT CODE". However, GATEWAY ECU, in some cases, can record the failures caused by momentary disconnection or occasional failure as "PAST CODE*". This is set as a help for diagnostic operations.

      As this diagnostic inspection with the PAST CODE as well, basically this is diagnostic operation using each DTC. However, no failure is occurred at present, therefore, it is hard to consider the cause as the related part failure, so check wiring connecting each part or connection failure of the connectors thoroughly.

    *: DTC to detect as "PAST CODE" is all the DTC in the DTC CHART.

  5. DTC CLEARANCE 
    • PRESENT CODE:

      DTC will be cleared when the trouble output as DTC is recovered normally.

    • PAST CODE:

      Clear it using the LEXUS hand-held tester.