LEMON Manuals: Even more car manuals for everyone: 1960-2025
Home >> Lexus >> 2001 >> LS 430 >> Repair and Diagnosis >> Brakes >> Traction Control >> Anti-Lock Brake System >> System Testing >> Test H: VSC Buzzer Circuit >> Testing Procedure
April 5, 2026: LEMON Manuals is launched! Read the announcement.

Testing Procedure

For wiring diagram see Fig 1. For testing procedure see Fig 2 and Fig 3 .

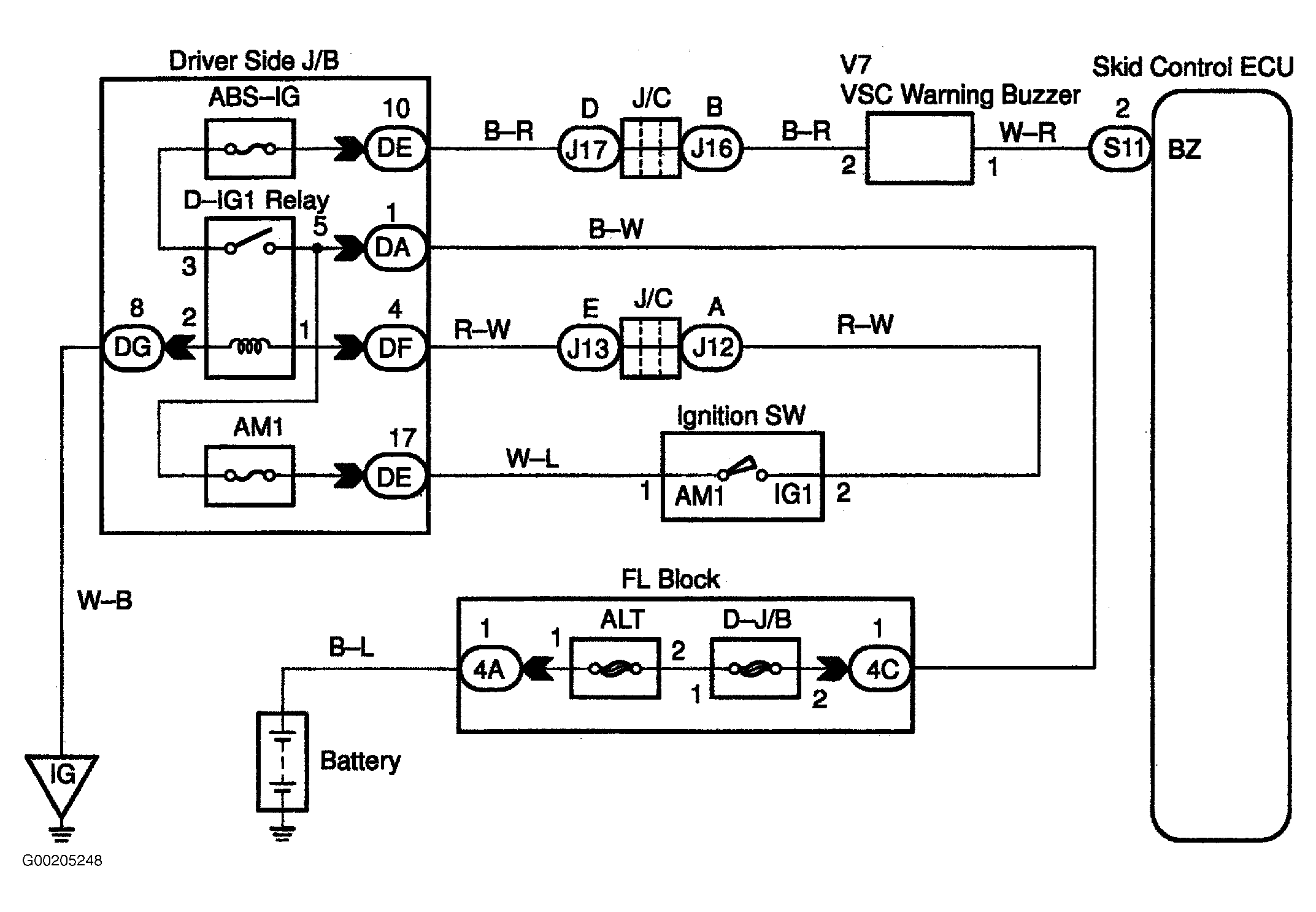
Fig 1: VSC Buzzer Circuit Wiring Diagram
G00205248Courtesy of © TOYOTA, LICENSE AGREEMENT TMS1002
Fig 2: Testing Procedure VSC Buzzer Circuit (1 Of 2)
G00205249Courtesy of © TOYOTA, LICENSE AGREEMENT TMS1002
Fig 3: Testing Procedure VSC Buzzer Circuit (2 Of 2)
G00205250Courtesy of © TOYOTA, LICENSE AGREEMENT TMS1002