LEMON Manuals: Even more car manuals for everyone: 1960-2025
Home >> Lexus >> 2001 >> LS 430 >> Repair and Diagnosis >> External Pages >> Different car >> Section 64 (Engine Controls - System & Component Testing) >> Computerized Engine Controls >> Engine Control Module (ECM) Power Source Circuit (Ignition On) >> Diagnosis & Repair
April 5, 2026: LEMON Manuals is launched! Read the announcement.

Diagnosis & Repair

WARNING: This page is about a different car, the 2003 Lexus LX 470. However, it is still accessible from the selected car via links, so may be relevant.

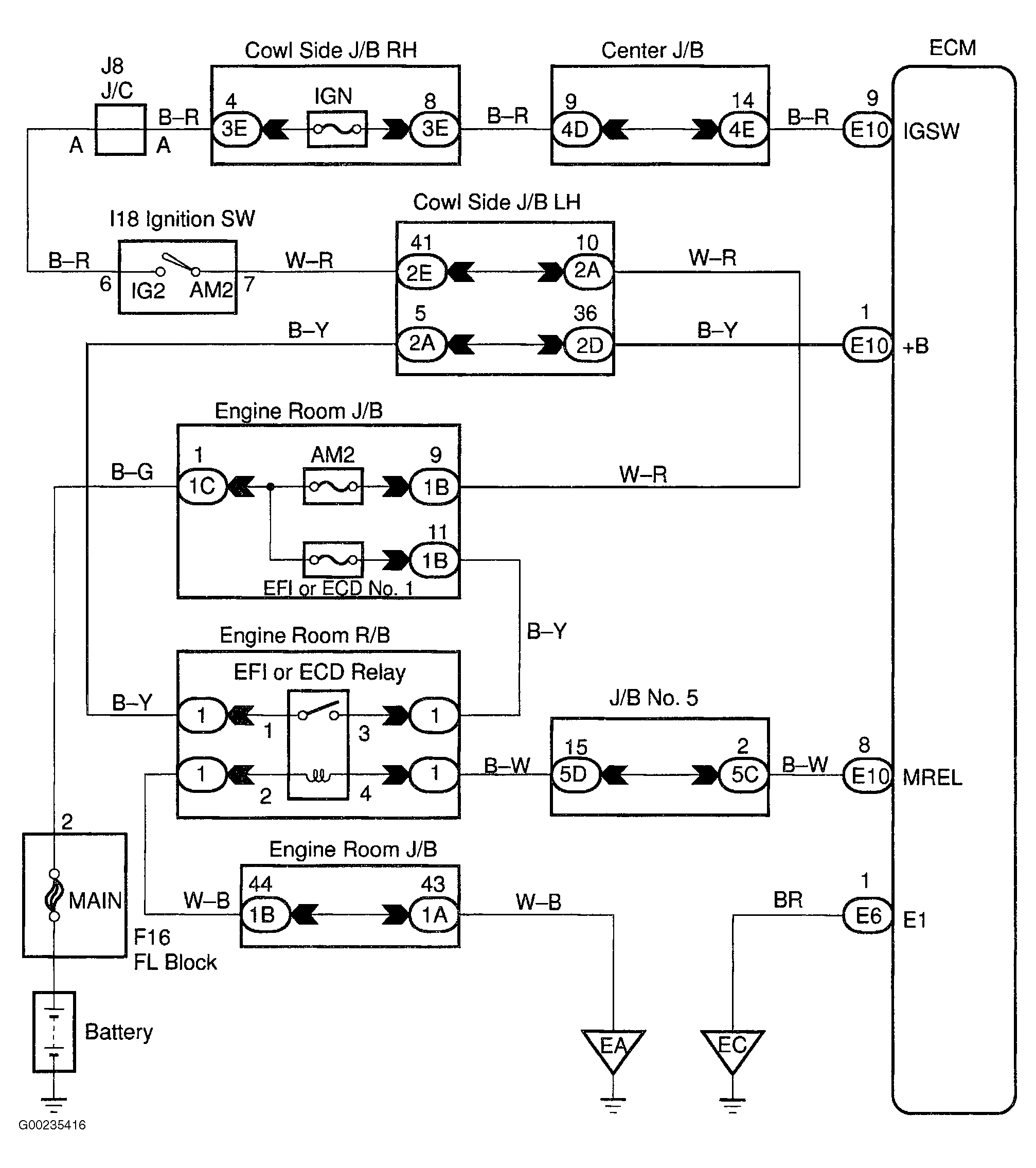
For wiring diagram, see Fig 1. For diagnosis and repair, see Fig 2-Fig 4 .

Fig 1: ECM Power Source Circuit Wiring Diagram
G00235416Courtesy of © TOYOTA, LICENSE AGREEMENT TMS1002
Fig 2: Diagnosis & Repair Of ECM Power Source Circuit (Step 1-3)
G00235417Courtesy of © TOYOTA, LICENSE AGREEMENT TMS1002
Fig 3: Diagnosis & Repair Of ECM Power Source Circuit (Step 4-6)
G00235418Courtesy of © TOYOTA, LICENSE AGREEMENT TMS1002
Fig 4: Diagnosis & Repair Of ECM Power Source Circuit (Step 7-9)
G00235419Courtesy of © TOYOTA, LICENSE AGREEMENT TMS1002