LEMON Manuals: Even more car manuals for everyone: 1960-2025
Home >> Lexus >> 2001 >> LX 470 >> Repair and Diagnosis >> Brakes >> Traction Control >> Anti-Lock/Vehicle Skid Control >> Diagnostic Trouble Code Definitions >> DTC C1241 >> Testing Procedure
April 5, 2026: LEMON Manuals is launched! Read the announcement.

Testing Procedure

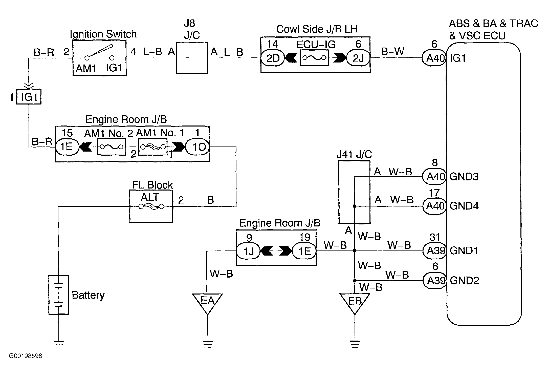
For wiring diagram, see Fig 1. For testing procedure, see Fig 2 and Fig 3 .

Fig 1: Wiring Diagram IG Power Source Circuit
G00198596Courtesy of © TOYOTA, LICENSE AGREEMENT TMS1002
Fig 2: Testing Procedure IG Power Source Circuit (1 Of 2)
G00198597Courtesy of © TOYOTA, LICENSE AGREEMENT TMS1002
Fig 3: Testing Procedure IG Power Source Circuit (2 Of 2)
G00198598Courtesy of © TOYOTA, LICENSE AGREEMENT TMS1002