LEMON Manuals: Even more car manuals for everyone: 1960-2025
Home >> Lexus >> 2001 >> LX 470 >> Repair and Diagnosis >> Brakes >> Traction Control >> Anti-Lock/Vehicle Skid Control >> System Testing >> Test A: Active TRAC Indicator Light Circuit >> Testing Procedure
April 5, 2026: LEMON Manuals is launched! Read the announcement.

Testing Procedure

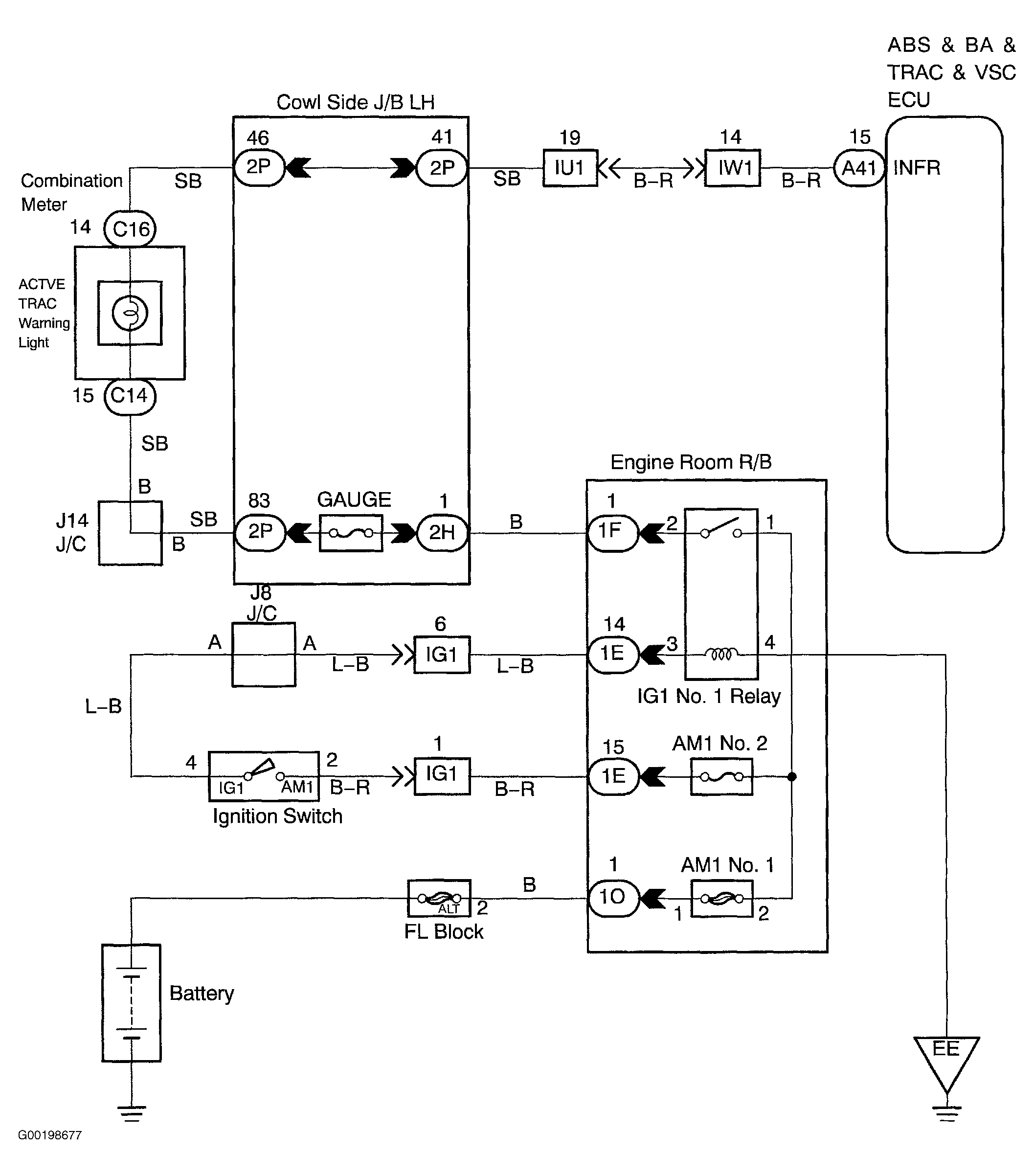
For wiring diagram, see Fig 1. For testing procedure, see Fig 2 & Fig 3 .

Fig 1: Wiring Diagram ACTIVE TRAC Indicator Light Circuit
G00198677Courtesy of © TOYOTA, LICENSE AGREEMENT TMS1002
Fig 2: Testing Procedure ACTIVE TRAC Indicator Light Circuit (1 Of 2)
G00198678Courtesy of © TOYOTA, LICENSE AGREEMENT TMS1002
Fig 3: Testing Procedure ACTIVE TRAC Indicator Light Circuit (2 Of 2)
G00198679Courtesy of © TOYOTA, LICENSE AGREEMENT TMS1002