LEMON Manuals: Even more car manuals for everyone: 1960-2025
Home >> Lexus >> 2003 >> ES 300 >> Repair and Diagnosis >> External Pages >> Different car >> Section 211 (Lighting System) >> Lighting System >> Inspection
April 5, 2026: LEMON Manuals is launched! Read the announcement.

Lighting System: Inspection

WARNING: This page is about a different car, the 2004 Toyota Camry. However, it is still accessible from the selected car via links, so may be relevant.
  1. HEADLAMP DIMMER SWITCH ASSY 
    1. Inspect light control switch continuity.
      1. Check that there is continuity between terminals at each switch position as shown in the chart.
      TEST CONDITIONS

      Switch operation Tester connection Specified condition
      OFF - No continuity
      TAIL 14 - 16 Continuity
      HEAD 13 - 16 - 14 Continuity
      Fig 1: Identiying Light Control Switch Connector Terminals
      G02890968Courtesy of © TOYOTA, LICENSE AGREEMENT TMS1002
    2. Inspect headlamp dimmer switch continuity.
      1. Check that there is continuity between terminals at each switch position as shown in the chart.
      TEST CONDITIONS

      Switch operation Tester connection Specified condition
      FLASH 7 - 8 - 16 Continuity
      LOW BEAM 16 - 17 Continuity
      HI BEAM 7 - 16 Continuity
    3. Inspect turn signal switch continuity.
      1. Check that there is continuity between terminals at each switch position as shown in the chart.
      TEST CONDITIONS

      Switch operation Tester connection Specified condition
      Right turn 2 - 3 Continuity
      Neutral - No continuity
      Left turn 1 - 2 Continuity
    4. Inspect front fog light switch continuity.
      1. Check that there is continuity between terminals at each switch position as shown in the chart.
      TEST CONDITIONS

      Switch operation Tester connection Specified condition
      OFF - No continuity
      ON 10 - 11 Continuity
  2. HEATER CONTROL HOUSING SUB-ASSY 
    1. Auto A/C:

      Inspect hazard warning signal switch.

      TEST CONDITIONS

      Switch operation Tester connection Specified condition
      OFF 1 - 34 No continuity
      ON 1 - 34 Continuity
      Fig 2: Heater Control Housing Sub-Assembly Connector Terminals
      G02890969Courtesy of © TOYOTA, LICENSE AGREEMENT TMS1002
    2. Manual A/C:

      Inspect hazard warning signal switch.

    TEST CONDITIONS

    Switch operation Tester connection Specified condition
    OFF 6 - 32 No continuity
    ON 6 - 32 Continuity
    Fig 3: Inspecting Hazard Warning Signal Switch
    G02890970Courtesy of © TOYOTA, LICENSE AGREEMENT TMS1002
  3. BACK UP LAMP SWITCH ASSY 
    1. Inspect back-up lamp switch continuity.
      1. Check that there is continuity between terminals upon switch operation.

      Standard: 

      OFF (When ball is not pressed): No continuity 

      ON (When ball is pressed): Continuity 

  4. LUGGAGE COMPARTMENT DOOR LOCK ASSY 
    1. Inspect luggage compartment door courtesy lamp switch continuity.
      1. Check that there is continuity between terminal 2 and body ground when switch is operated.

      Standard: 

      ON (When shaft is pressed): No continuity 

      OFF (When shaft is not pressed): Continuity 

      Fig 4: Inspecting Luggage Compartment Door Courtesy Lamp Switch
      G02890971Courtesy of © TOYOTA, LICENSE AGREEMENT TMS1002
  5. FOG LAMP RELAY 
    1. Inspect relay continuity.
    TEST CONDITIONS

    Condition Tester connection Specified condition
    Constant 1 - 2 Continuity
    Apply B+ between terminals 1 and 2. 3 - 5 Continuity
    Fig 5: Identifying Fog Lamp Relay Terminals
    G02890972Courtesy of © TOYOTA, LICENSE AGREEMENT TMS1002
  6. ROOF CONSOLE BOX ASSY 
    1. Inspect map lamp continuity.
      1. Check that there is continuity between terminal 1 and 5 when switch is operated.

      Standard: 

      ON: Continuity 

      OFF: No continuity 

      Fig 6: Identifying Roof Console Box Connector Terminals
      G02890973Courtesy of © TOYOTA, LICENSE AGREEMENT TMS1002
  7. ROOM LAMP ASSY NO. 1 
    1. Inspect room lamp assy No. 1 continuity.
      1. Check that there is continuity between terminals at each switch position as shown in the chart.

      Standard: 

      TEST CONDITIONS

      Switch operation Tester connection Specified condition
      OFF - No continuity
      DOOR 1 - 2 Continuity
      (1) ON 2 - 3 Continuity
      (2) ON 1 - 3 Continuity
      (1) TMMK Made

      (2) TMC Made
      Fig 7: Identifying Room Lamp Assembly Connector Terminals
      G02890974Courtesy of © TOYOTA, LICENSE AGREEMENT TMS1002
  8. GLOVE BOX LAMP ASSY 
    1. Inspect glove box lamp assy continuity.
      1. Check that there is continuity between terminals when switch is operated.

      Standard: 

      ON (When shaft is pressed): No continuity 

      OFF (When shaft is not pressed): Continuity 

  9. LUGGAGE COMPARTMENT LAMP ASSY NO. 1 
    1. Inspect luggage compartment lamp assy No. 1.
    2. Check that there is continuity between terminals when switch is operated.

      Standard: 

      ON: Continuity 

      OFF No continuity 

  10. TAIL LAMP RELAY 
    1. Inspect relay continuity.
    TEST CONDITIONS

    Condition Tester connection Specified condition
    Constant 1 - 2 Continuity
    Apply B+ between terminal 1 and 2 3 - 5 Continuity
    Fig 8: Identifying Tail Lamp Relay Terminals
    G02890975Courtesy of © TOYOTA, LICENSE AGREEMENT TMS1002
  11. DAY TIME RUNNING LIGHT RELAY NO. 2 
    1. Inspect relay continuity.
    TEST CONDITIONS

    Condition Tester connection Specified condition
    Constant 1 - 2 Continuity
    Apply B+ between terminal 1 and 2 3 - 5 Continuity
    Fig 9: Identifying Day Time Running Light Relay Terminals
    G02890976Courtesy of © TOYOTA, LICENSE AGREEMENT TMS1002
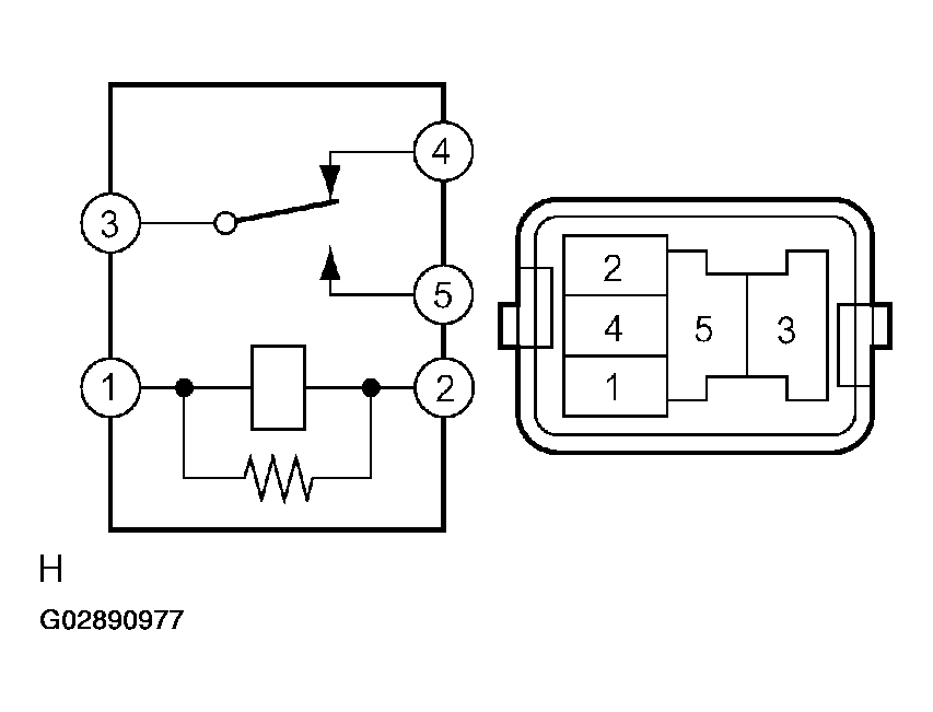
  12. RUNNING LIGHT RELAY 
    1. Inspect relay continuity.
    TEST CONDITIONS

    Condition Tester connection Specified condition
    Constant 1 - 3, 2 - 4 Continuity
    Apply B+ between terminal 1 and 3 4 - 5 Continuity
    Fig 10: Identifying Running Light Relay Terminals
    G02890977Courtesy of © TOYOTA, LICENSE AGREEMENT TMS1002