LEMON Manuals: Even more car manuals for everyone: 1960-2025
Home >> Lexus >> 2003 >> GS 430 >> Repair and Diagnosis >> Body & Frame >> Body, Cab Control Systems >> Body Control Systems >> Circuit Tests >> Driver Buckle Switch Circuit >> Inspection Procedure
April 5, 2026: LEMON Manuals is launched! Read the announcement.

Inspection Procedure

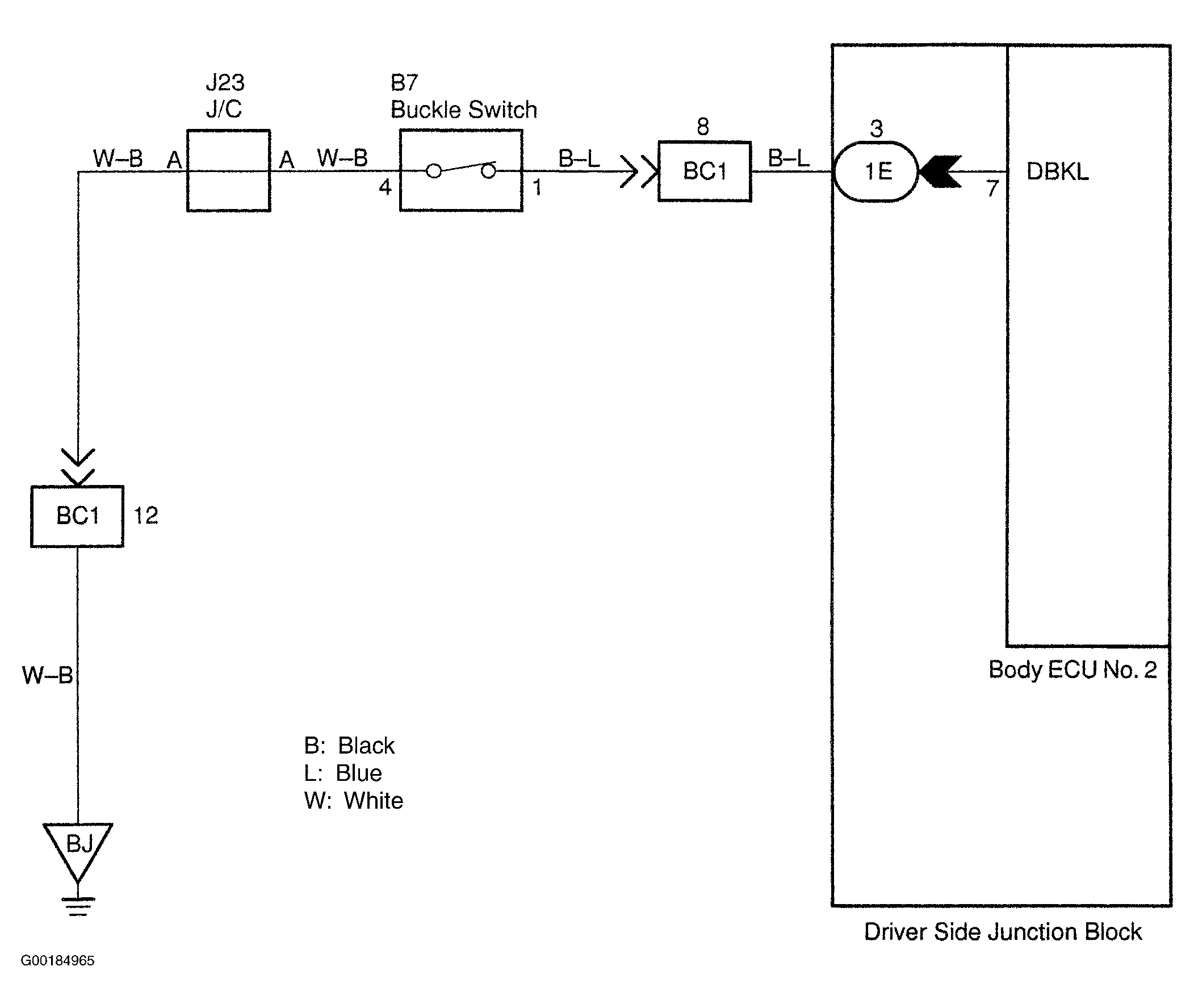
For circuit wiring diagram, see Fig 1.

NOTE: If using the hand-held tester, start the inspection from step  1 and if not using the hand-held tester, start from step  2.
  1. Check the driver buckle switch using the hand-held tester. Connect the hand-held tester to DLC3. See Figure. Check the driver buckle switch using DATA LIST. If the results are OK, perform the next test procedure of the problem symptom. See BODY ECU NO. 2 PROBLEM SYMPTOM INDEX  table. If the results are not OK, go to the next step.
  2. Check the driver buckle switch. See SEAT BELT BUCKLE SWITCH article under COMPONENT TESTS in INSTRUMENT PANEL. If the results are OK, go to the next step. If the results are not OK, replace the driver buckle switch.
  3. Check for short to power, short to ground and continuity in the wiring harness and connector between the driver buckle switch and body ECU No. 2. If the results are OK, perform the next test procedure of the problem symptom. See BODY ECU NO. 2 PROBLEM SYMPTOM INDEX  table. If the results are not OK, repair or replace the wiring harness or connector.
Fig 1: Driver Buckle Switch Circuit Wiring Diagram
G00184965Courtesy of © TOYOTA, LICENSE AGREEMENT TMS1002