LEMON Manuals: Even more car manuals for everyone: 1960-2025
Home >> Lexus >> 2003 >> GX 470 >> Repair and Diagnosis >> Engine Performance >> System >> Engine Controls - System & Component Testing >> Motors & Relays >> Circuit Opening Relay
April 5, 2026: LEMON Manuals is launched! Read the announcement.

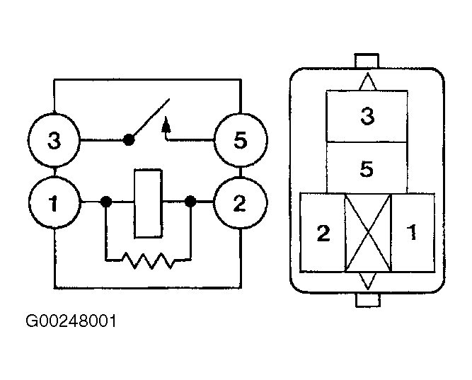
Circuit Opening Relay

  1. To test relay continuity, use ohmmeter to check for continuity and no continuity between specified terminals on C/OPN relay. See Fig 1. If there is no continuity between terminals No. 1 and 2, or there is continuity between terminals No. 3 and 5, replace relay.
  2. Apply battery positive voltage across terminals No. 1 and 2. Using an ohmmeter, check that there is continuity between terminals No. 3 and 5. If there is no continuity, replace relay.
Fig 1: Identifying Relay Terminals
G00248001Courtesy of © TOYOTA, LICENSE AGREEMENT TMS1002