LEMON Manuals: Even more car manuals for everyone: 1960-2025
Home >> Lexus >> 2003 >> GX 470 >> Repair and Diagnosis >> General Information >> Identification >> Introduction >> How To Troubleshoot Ecu Controlled Systems >> Electronic Circuit Inspection Procedure
April 5, 2026: LEMON Manuals is launched! Read the announcement.

Electronic Circuit Inspection Procedure

  1. BASIC INSPECTION 
    1. RESISTANCE MEASURING CONDITION OF ELECTRONIC PARTS
      1. Unless stated, all resistance is measured at an ambient temperature of 68°F (20°C). Resistances measured may be outside the specifications if measured at high temperatures, i.e. immediately after the vehicle has been running. Measurements should be made after the engine has cooled down.
    2. HANDLING CONNECTORS
      1. When disconnecting a connector, first squeeze the mating halves tightly together to release the lock, then press the lock claw and separate the connector.
      2. When disconnecting a connector, do not pull on the harnesses. Grasp the connector directly and separate it.
      3. Before connecting the connector, check that there are no deformed, damaged, loose or missing terminals.
      4. When connecting a connector, press firmly until you hear the lock close with a "click" sound.
      5. If checking the connector with a TOYOTA electric tester, check it from the backside (harness side) on the connector using a mini test lead.
      NOTE:
      • As a waterproof connector cannot be checked from the backside, check by connecting a sub-harness.
      • Do not damage the terminals by moving the inserted tester needle.
      Fig 1: Identifying Correct Way Of Handling Connectors
      G03476317Courtesy of © TOYOTA, LICENSE AGREEMENT TMS1002
    3. CHECKING CONNECTORS
      1. Checking when the connector is connected: Squeeze the connector together to confirm that it is fully inserted and locked.
      2. Checking when the connector is disconnected: Check by pulling the wire harness lightly from the backside of the connector. Look for unlatched terminals, missing terminals, loose crimps or broken conductor wires.

        Check visually for corrosion, metallic or foreign objects and water; and bent, rusted, overheated, contaminated, and deformed terminals.

        NOTE: When testing a gold-plated female terminal, always use a gold-plated male terminal.
        Fig 2: Checking Connectors
        G03476318Courtesy of © TOYOTA, LICENSE AGREEMENT TMS1002
      3. Checking the contact pressure of the terminal: Prepare a spare male terminal. Insert it into a female terminal, and check for good tension when inserting and after full engagement.
      Fig 3: Checking Contact Pressure Of Terminal
      G03476319Courtesy of © TOYOTA, LICENSE AGREEMENT TMS1002
    4. REPAIR METHOD OF CONNECTOR TERMINAL
      1. If there is any dirt on the terminal, clean the contact point using an air gun or shop rag. Never polish the contact point using a sandpaper as the platings may come off.
      2. If there is abnormal contact pressure, replace the female terminal. If the male terminal is gold-plated (gold color), use a gold-plated female terminal; if it is silver-plated (silver color), use a silver-plated female terminal.
      3. Damaged, deformed, or corroded terminals should be replaced. If the terminal will not lock into the housing, the housing may have to be replaced.
      Fig 4: Cleaning Contact Point Using An Air Gun Or Shop Rag
      G03476320Courtesy of © TOYOTA, LICENSE AGREEMENT TMS1002
    5. HANDLING OF WIRE HARNESS
      1. If removing a wire harness, check the wiring and clamping before proceeding so that it can be restored in the same way.
      2. Never twist, pull or slacken the wire harness more than necessary.
      3. Never make the wire harness come into contact with a high temperature part, rotating, moving, vibrating or sharp-edged parts. Avoid panel edges, screw tips and similar sharp items.
      4. When installing parts, never pinch the wire harness.
      5. Never cut or break the cover of the wire harness. If it is cut or broken, replace it or securely repair it with vinyl tape.
      Fig 5: Identifying Wrong Method Of Handling Of Wire Harness
      G03476321Courtesy of © TOYOTA, LICENSE AGREEMENT TMS1002
  2. CHECK OPEN CIRCUIT 
    1. For an open circuit in the wire harness in Figure, perform a resistance check (step b) or a voltage check (step c).
      Fig 6: Checking Open Circuit
      G03476322Courtesy of © TOYOTA, LICENSE AGREEMENT TMS1002
    2. Check the resistance.
      1. Disconnect connectors A and C and measure the resistance between them.

        Resistance: Below 1 Ω 

        HINT:

        Measure the resistance while lightly shaking the wire harness vertically and horizontally.

        Figure:

        Between terminal 1 of connector A and terminal 1 of connector C --> 10 kΩ or higher

        Between terminal 2 of connector A and terminal 2 of connector C --> Below 1 Ω

        If your results match the examples above, an open circuit exists between terminal 1 of connector A and terminal 1 of connector C.

        Fig 7: Measuring Resistance While Lightly Shaking Wire Harness Vertically And Horizontally
        G03476323Courtesy of © TOYOTA, LICENSE AGREEMENT TMS1002
      2. Disconnect connector B and measure the resistance between the connectors.

        Figure:

        Between terminal 1 of connector A and terminal 1 of connector B1 --> Below 1 Ω

        Between terminal 1 of connector B2 and terminal 1 of connector C --> 10 kΩ or higher

        If your results match the examples above, an open circuit exists between terminal 1 of connector B2 and terminal 1 of connector C.

      Fig 8: Disconnecting Connector B And Measure Resistance Between Connectors
      G03476324Courtesy of © TOYOTA, LICENSE AGREEMENT TMS1002
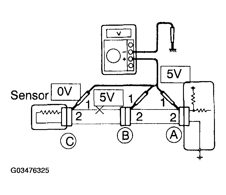
    3. Check the voltage.
      1. In a circuit in which voltage is applied to the ECU connector terminal, an open circuit can be checked by conducting a voltage check.

        Figure:

        With each connector still connected, measure the voltage between the body ground and terminal 1 of connector A at the ECU 5 V output terminal, terminal 1 of connector B and terminal 1 of connector C, in that order.

      2. Example results:

        5 V: Between terminal 1 of connector A and body ground

        5 V: Between terminal 1 of connector B and body ground

        0 V: Between terminal 1 of connector C and body ground

        If your results match the examples above, an open circuit exists in the wire harness between terminal 1 of B and terminal 1 of C.

        Fig 9: Checking Voltage
        G03476325Courtesy of © TOYOTA, LICENSE AGREEMENT TMS1002
  3. CHECK SHORT CIRCUIT 
    1. If the wire harness is ground shorted (Figure), locate the section by conducting a resistance check with the body ground (below).
      Fig 10: Checking Short Circuit
      G03476326Courtesy of © TOYOTA, LICENSE AGREEMENT TMS1002
    2. Check the resistance with the body ground.
      1. Disconnect connectors A and C and measure the resistance between terminals 1 and 2 of connector A and the body ground.

        Resistance: 10 kΩ or higher 

        HINT:

        Measure the resistance while lightly shaking the wire harness vertically and horizontally.

        Figure:

        Between terminal 1 of connector A and body ground --> Below 1 Ω

        Between terminal 2 of connector A and body ground --> 10 kΩ or higher

        If your results match the examples above, a short circuit exists between terminal 1 of connector A and terminal 1 of connector C.

        Fig 11: Measuring Resistance While Lightly Shaking Wire Harness Vertically And Horizontally
        G03476327Courtesy of © TOYOTA, LICENSE AGREEMENT TMS1002
      2. Disconnect connector B and measure the resistance between terminal 1 of connector A and the body ground, and terminal 1 of connector B2 and the body ground.

        Figure:

        Between terminal 1 of connector A and body ground --> 10 kΩ or higher

        Between terminal 1 of connector B2 and body ground --> Below 1 Ω

        If your results match the examples above, a short circuit exists between terminal 1 of connector B2 and terminal 1 of connector C.

        Fig 12: Measuring Resistance Between Terminal 1 Of Connector A And Body Ground
        G03476328Courtesy of © TOYOTA, LICENSE AGREEMENT TMS1002
  4. CHECK AND REPLACE ECU 
    NOTE:
    • Start an inspection of the connector from the backside of the connector at the wire harness side with the connector connected to the ECU.
    • When no measuring condition is specified, perform the inspection with the engine stopped and the ignition switch ON.
    • Check that the connectors are fully seated. Check for loose, corroded or broken wires.
    1. First check the ECU ground circuit. If it is faulty, repair it. If it is normal, the ECU could be faulty. Replace the ECU with a normal functioning one and check if the symptoms occur. If the trouble symptoms stop, replace the ECU.
      1. Measure the resistance between the ECU ground terminal and body ground.

        Resistance: Below 1 Ω 

        Fig 13: Measuring Resistance Between ECU Ground Terminal And Body Ground (Example)
        G03476329Courtesy of © TOYOTA, LICENSE AGREEMENT TMS1002
      2. Disconnect the ECU connector. Check the ground terminals (on the ECU side and wire harness side) for evidence of bending, corrosion or foreign material. Lastly check the contact pressure of the female terminals.
      Fig 14: Disconnecting ECU Connector
      G03476330Courtesy of © TOYOTA, LICENSE AGREEMENT TMS1002