LEMON Manuals: Even more car manuals for everyone: 1960-2025
Home >> Lexus >> 2003 >> IS 300 Base, Automatic >> Repair and Diagnosis >> External Pages >> Different car >> Section 66 (Automatic Headlights) >> System Tests >> Test J: Step Lamp Assembly Does Not Light Up
April 5, 2026: LEMON Manuals is launched! Read the announcement.

Test J: Step Lamp Assembly Does Not Light Up

WARNING: This page is about a different car, the 2002 Lexus ES 300. However, it is still accessible from the selected car via links, so may be relevant.
  1. Perform the ACTIVE TEST by the hand-held tester. Connect the hand-held tester to the DLC3. Turn the ignition switch ON and push the hand-held tester main SW ON. Select the item STEP LIGHT in the ACTIVE TEST and operate the step light. It is OK when the step lamp lights up when the step light SW ON is in the tester. If the results are OK, go to the next step. If the results are not good, go to step  14.
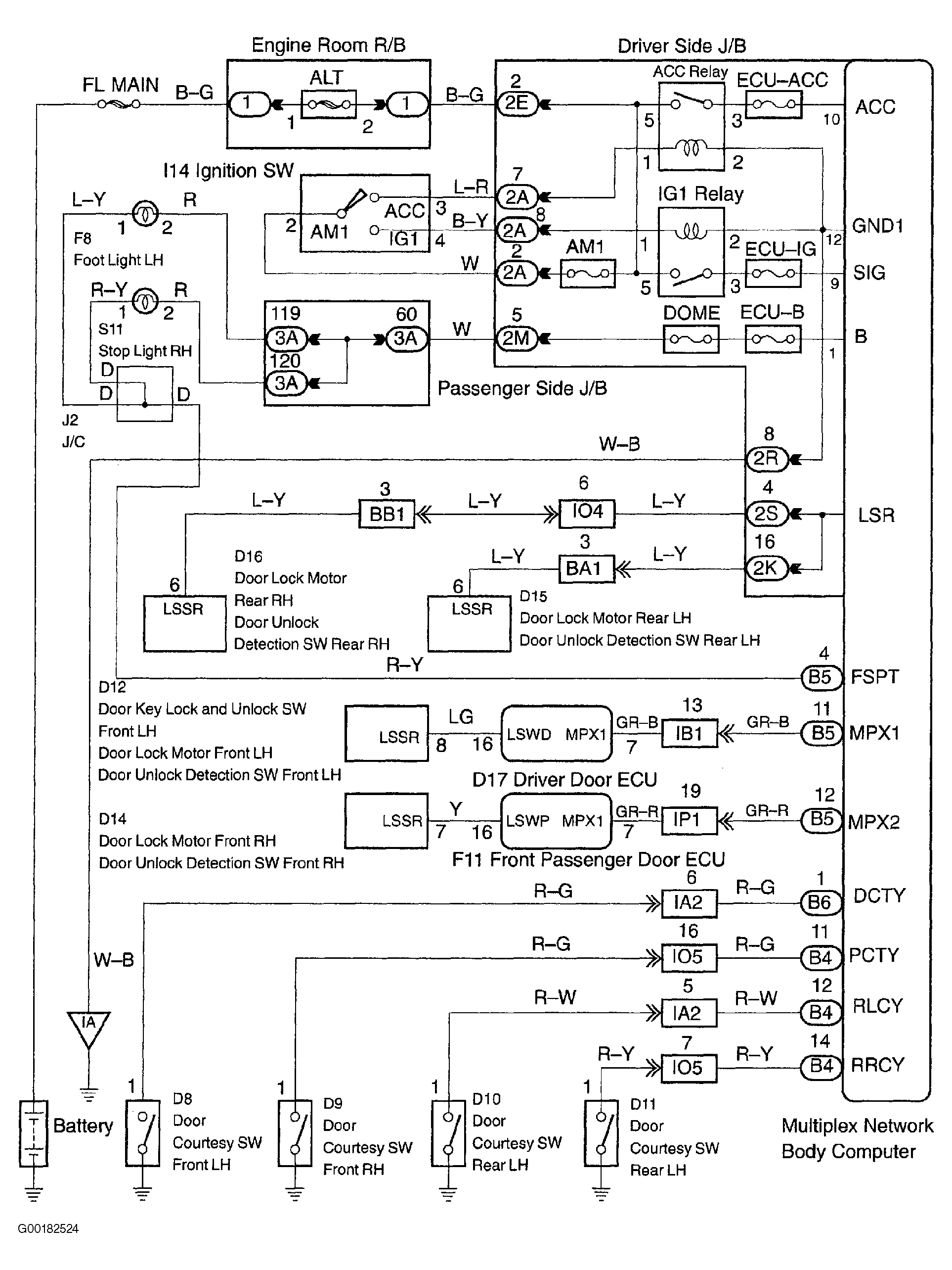
  2. Check the step lamp that does not light up. See Fig 1. If the step lamp does not light up when all the doors are closed and unlocked, go to the next step. If the step lamp does not light up when all the doors are opened, go to step  10. If the step lamp does not light up when the IG switch ON and the shift lever position P, go to step  12.
  3. Check the door locks. To check the driver door ECU (power window regulator master switch), go to the next step. To check the passenger door ECU (power window regulator switch), go to step  6. To check the rear left and right doors, go to step  8.
  4. Check the driver door ECU (power window regulator master switch). Unlock the driver side door. Measure the voltage between terminals No. 16 (LSWD) of the driver door ECU (power window regulator master switch) and 2 (GND). See CONNECTOR IDENTIFICATION . See INSPECTING DRIVER DOOR ECU VOLTAGE  table. If the voltage is OK, go to the next step. If the voltage is not good, check and replace the power window regulator master switch. See POWER WINDOW MASTER SWITCH under REMOVAL & INSTALLATION under POWER DOOR LOCKS, TRUNK LID & FUEL DOOR RELEASE article in DOOR LOCKS & ANTI-THEFT SYSTEMS.
  5. Check the right front door with motor lock assembly. Check the continuity between terminals No. 16 (LSWP) and 3 (KEYE) of the power window master switch. See INSPECTING DRIVER DOOR ECU CONTINUITY  table. If the continuity is OK, repair or replace the harness or connector. If the continuity is not good, replace the right front door with motor lock assembly. See POWER DOOR LOCK MOTOR (FRONT DOOR) under REMOVAL & INSTALLATION under POWER DOOR LOCKS, TRUNK LID & FUEL DOOR RELEASE article in DOOR LOCKS & ANTI-THEFT SYSTEMS.
  6. Check the power window regulator switch assembly. Unlock the driver side door. Measure the voltage between terminals No. 16 (LSWP) of the power window regulator switch and 2 (GND). See INSPECTING DRIVER DOOR ECU VOLTAGE  table. If the voltage is OK, go to the next step. If the voltage is not good, check and replace the power window regulator switch. See POWER WINDOW MASTER SWITCH under REMOVAL & INSTALLATION under POWER DOOR LOCKS, TRUNK LID & FUEL DOOR RELEASE article in DOOR LOCKS & ANTI-THEFT SYSTEMS.
  7. Check the left front door with motor lock assembly. Check the continuity between terminals No. 16 (LSWD) and 3 (KEYE) of the power window regulator switch. See INSPECTING DRIVER DOOR ECU CONTINUITY  table. If the continuity is OK, repair or replace the harness or connector. If the continuity is not good, replace the left front door with motor lock assembly. See POWER DOOR LOCK MOTOR (FRONT DOOR) under REMOVAL & INSTALLATION under POWER DOOR LOCKS, TRUNK LID & FUEL DOOR RELEASE article in DOOR LOCKS & ANTI-THEFT SYSTEMS.
  8. Check the driver side junction block assembly (right and left rear door). Check which door lamp does not light up. Check that the signal waveform appears between each terminal of the driver side junction block assembly and body ground. See INSPECTING DRIVER SIDE JUNCTION BLOCK SIGNAL WAVEFORM  table. If the results are OK, check and replace the driver side junction block assembly. If the results are not good, go to the next step.
  9. Check the harness and connector between driver side junction block assembly and door lock. Check the continuity between each terminal of the driver side junction block assembly and rear door lock. See INSPECTING DRIVER SIDE JUNCTION BLOCK & DOOR LOCK CONTINUITY  table. If the continuity is OK, replace the door lock. See POWER DOOR LOCK MOTOR (REAR DOOR) under REMOVAL & INSTALLATION under POWER DOOR LOCKS, TRUNK LID & FUEL DOOR RELEASE article in DOOR LOCKS & ANTI-THEFT SYSTEMS. If the continuity is not good, repair or replace the harness or connector.
  10. Check the driver side junction block assembly (courtesy switch signal). Check that the signal waveform appears between terminals No. B6-1 (PCTY), B4-11 (RRCY), B4-14 (RRCY) or B4-12 (RLCY) and 2 (GND) of the driver side junction block assembly. See INSPECTING DRIVER SIDE JUNCTION BLOCK (COURTESY SWITCH SIGNAL) CONDITION  table. If the results are OK, check and replace the driver side junction block assembly. If the results are not good, go to the next step.
    INSPECTING DRIVER SIDE JUNCTION BLOCK (COURTESY SWITCH SIGNAL) CONDITION

    Door Condition Specified Condition
    Close Signal Waveform
    Open Below 1 Volt
  11. Inspect the courtesy lamp switch continuity. Check that the continuity exists between terminal No. 1 and body ground when the switch is operated. The standard results are when the shaft is pressed (ON) there is no continuity and when the shaft is not pressed (OFF) there is continuity. If the results are OK, repair or replace the harness or connector between the driver side junction block assembly and the courtesy lamp switch. If the results are not good, replace the courtesy lamp switch.
  12. Check the driver side junction block assembly (IG signal input). Measure the voltage between terminals No. 9 (SIG) and 2A-8 (GND) of the driver side junction block assembly. The standard result is when the IG switch is ON, there is 10-14 volts. If the result is OK, check and replace the driver side junction block assembly. If the result is not good, repair or replace the harness or connector between the IG switch and the driver side junction block assembly.
  13. Check the continuity between terminals of the front step lamp assembly. If there is continuity, go to the next step. If there is not continuity, replace the step lamp assembly.
  14. Check the driver side junction block assembly (step lamp assembly output). Measure the voltage between terminals No. B5-4 (FSPT) and 2A-8 (GND) of the driver side junction block assembly. See MEASURING DRIVER SIDE JUNCTION BLOCK TERMINALS NO. B5-4 & 2A-8 VOLTAGE  table. If the voltage is OK, go to the next step. If the voltage is not good, check and replace the driver side junction block assembly.
    MEASURING DRIVER SIDE JUNCTION BLOCK TERMINALS NO. B5-4 & 2A-8 VOLTAGE

    Rear Door RH Tester Connection Specified Condition
    Close B5-4 (FSPT) - 2A-8 (GND) 10-14 Volts
    Open B5-4 (FSPT) - 2A-8 (GND) Below 1 Volt
  15. Check the power step lamp assembly. Check which door lamp does not light up. Repair or replace the appropriate harness or connector.
Fig 1: Identifying Step Lamp Assembly Circuit
G00182524Courtesy of © TOYOTA, LICENSE AGREEMENT TMS1002