LEMON Manuals: Even more car manuals for everyone: 1960-2025
Home >> Lexus >> 2003 >> IS 300 Base, Standard >> Repair and Diagnosis >> External Pages >> Different car >> Section 75 (Power Mirrors) >> Circuit Tests >> Power Mirror Position Sensor Circuit (W/ Memory) >> Circuit Description
April 5, 2026: LEMON Manuals is launched! Read the announcement.

Circuit Description

WARNING: This page is about a different car, the 2002 Lexus GS 430 and 2002 Lexus GS 300. However, it is still accessible from the selected car via links, so may be relevant.

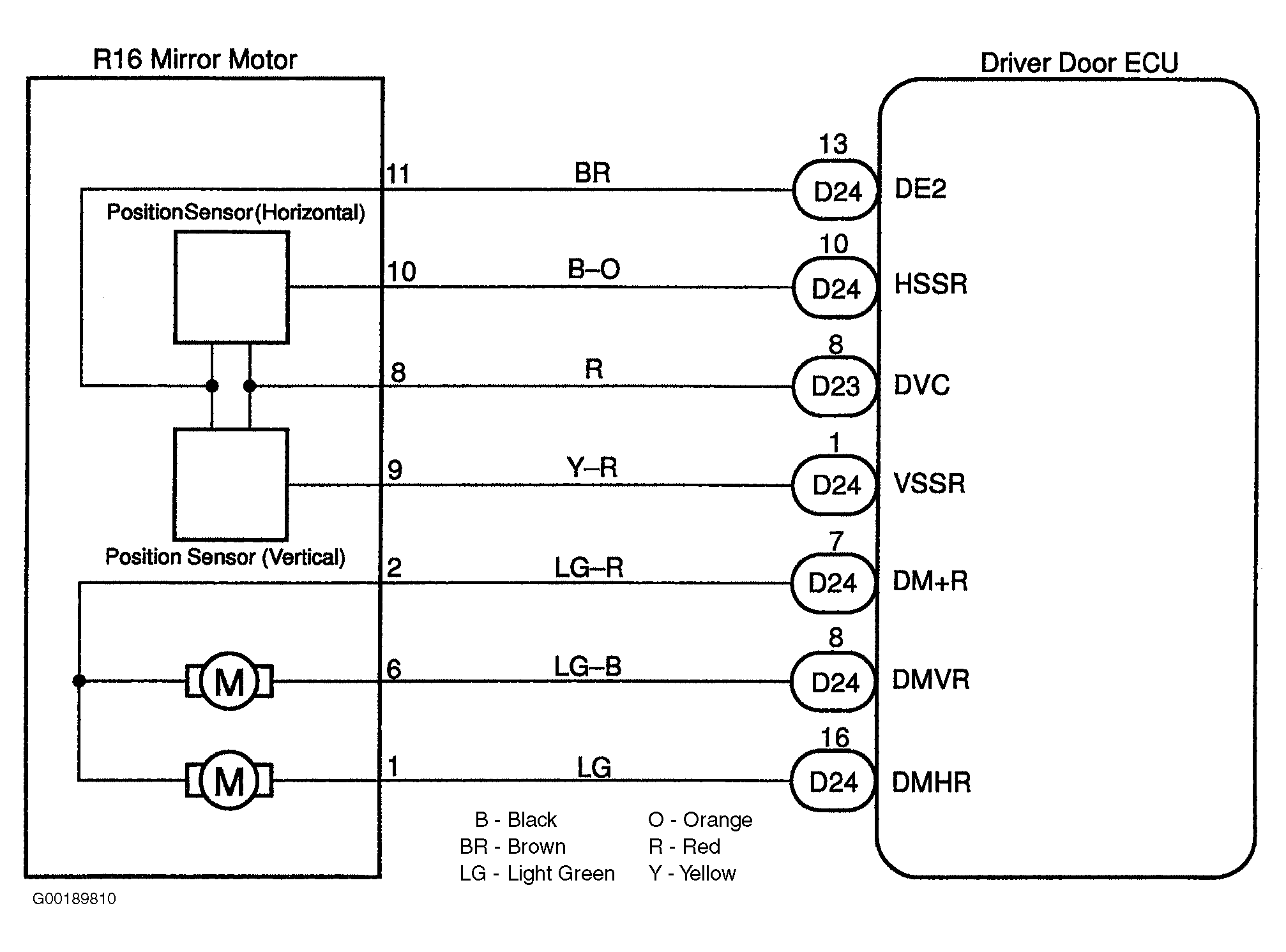
This position is detected by the mirror position sensor and will be memorized in the seat ECU located under the driver seat. This sensor is equipped in the mirror in spite of the existence of the memory function. For the driver door power mirror position sensor circuit, see Figure. For the passenger door power mirror position sensor circuit, see Figure.