LEMON Manuals: Even more car manuals for everyone: 1960-2025
Home >> Lexus >> 2003 >> LS 430 >> Repair and Diagnosis >> Electrical >> Gauges >> Combination Meter >> Inspection
April 5, 2026: LEMON Manuals is launched! Read the announcement.

Combination Meter: Inspection

  1. Connector disconnected: INSPECT COMBINATION METER CIRCUIT 

    Disconnect connector from the combination meter and inspect the connectors on the wire harness side as follows.

    Fig 1: Disconnecting Connector From Combination Meter
    G03376914Courtesy of © TOYOTA, LICENSE AGREEMENT TMS1002
    CONNECTOR TERMINALS SPECIFIED CONDITION

    Tester connection Condition Specified condition
    12 - Ground Constant Battery positive voltage
    13 - Ground Constant Battery positive voltage
    14 -Ground Hazard switch ON No voltage
    15- Ground Hazard switch ON No voltage
    1 - Ground Ignition switch ON Battery positive voltage
    16 - Ground Light control position TAIL or HEAD Battery positive voltage
    22 - Ground Constant No voltage
  2. INSPECT SPEEDOMETER/ ON-VEHICLE 

    Using a speedometer tester, inspect the speedometer for allowable indication error and check the operation of the odometer.

    HINT:

    Tire wear and tire over or under inflation will increase the indication error.

    CONNECTOR TERMINALS SPECIFIED CONDITION

    mph (U.S.A.) km/h (CANADA)
    Standard indication Allowable range Standard indication Allowable range
    20 18.5 - 21.5 20 18 - 23
    40 38.5 - 41.5 40 38 - 42
    60 59.0 - 62.5 60 57-61.5
    80 79 - 83 80 76.5 - 81.5
    100 99 - 104 100 96.5 - 101.5
    120 119 - 125 120 116 - 121.5
        140 136 - 142
        160 155.5 - 162.5
        180 175 - 183
        200 194.5 - 203.5
  3. INSPECT SPEEDOMETER RESISTANCE 

    Measure the resistance between terminals with fixing pointer to the stopper.

    RESISTANCE SPECIFICATIONS

    Tester connection Resistance (Ω)
    A - B 250'
    C - D 250

    If resistance value is not as the specified, replace the meter.

  4. INSPECT TACHOMETER ON-VEHICLE 
    1. Connect a tune-up test tachometer, and start the engine.
      NOTE: Reversing the connection of the tachometer will damage the transistors and diodes inside.
    2. Compare the tester and tachometer indications.

      If error is excessive, replace the tachometer.

      RPM (DC 13.5 V, 25 °C (77 °F)) 

      TACHOMETER INDICATIONS

      Standard indication Allowable range
      700 630 - 770
      1000 (925 - 1125)
      2000 (1900 - 2200)
      3000 2845 - 3305
      4000 (3870 - 4330)
      5000 4925 - 5325
      6000 (6000 - 6300)
      7000 6875 - 7475
      Fig 2: Inspecting Tachometer On-Vehicle
      G03376915Courtesy of © TOYOTA, LICENSE AGREEMENT TMS1002
  5. INSPECT TACHOMETER RESISTANCE 

    Measure the resistance between terminals with fixing pointer to the stopper.

    RESISTANCE SPECIFICATIONS

    Tester connection Resistance {Ω)
    A - B 250
    C - D 250

    If resistance value is not as the specified, replace the meter.

    Fig 3: Inspecting Tachometer Resistance
    G03376916Courtesy of © TOYOTA, LICENSE AGREEMENT TMS1002
  6. INSPECT FUEL RECEIVER GAUGE OPERATION 
    1. Disconnect the connector from the main sender gauge.
    2. Disconnect the battery terminal once then after 30 seconds, reconnect the terminal.
    3. Turn the ignition switch ON, check that the receiver gauge needle indicates EMPTY.
      Fig 4: Inspecting Fuel Receiver Gauge Operation (1 Of 2)
      G03376917Courtesy of © TOYOTA, LICENSE AGREEMENT TMS1002
    4. Connect the main sender gauge.
    5. Disconnect the connector from the sub sender gauge.
    6. Disconnect the battery terminal once then after 30 seconds, reconnect the terminal.
    7. Turn the ignition switch ON, check that the receiver gauge needle indicates EMPTY.

      HINT:

      Because of the silicon oil in the gauge, it will take a short time for needle to stabilize.

      If operation is not as specified, inspect the receiver gauge resistance.

      Fig 5: Inspecting Fuel Receiver Gauge Operation (2 Of 2)
      G03376918Courtesy of © TOYOTA, LICENSE AGREEMENT TMS1002
  7. INSPECT FUEL RECEIVER GAUGE RESISTANCE 

    Measure the resistance between terminals with fixing pointer to the stopper.

    RESISTANCE SPECIFICATIONS

    Tester connection Resistance (Ω)
    A - B 250
    C - D 250

    If resistance value is not as specified, replace the receiver gauge.

    Fig 6: Inspecting Fuel Receiver Gauge Resistance
    G03376919Courtesy of © TOYOTA, LICENSE AGREEMENT TMS1002
  8. INSPECT FUEL MAIN SENDER GAUGE VOLTAGE 
    1. Apply voltage between terminals 2 and 3.
    2. Measure the voltage between terminals 1 and 3 for each float position.
      VOLTAGE SPECIFICATIONS

      Float position mm (in.) Voltage (V)
      F: Approx. -34.8 (-1.37) +/- 3 (0.12) Approx. 4.6 + 0.15 - 0.1
      1/2: Approx. 92.8 (3.65) +/- 3 (0.12) Approx. 1.51 +/- 0.1
      E: Approx. 137 (5.39) +/- 3(0.12) Approx. 0.35 + 0.1 - 0.15

      If resistance value is not as specified, replace the main sender gauge.

      Fig 7: Inspecting Fuel Main Sender Gauge Voltage
      G03376920Courtesy of © TOYOTA, LICENSE AGREEMENT TMS1002
  9. INSPECT FUEL SUB SENDER GAUGE VOLTAGE 
    1. Apply voltage between terminals 1 and 3.
    2. Measure the voltage between terminals 1 and 2 for each float position.
      VOLTAGE SPECIFICATIONS

      Float position mm (in.) Voltage (V)
      F: Approx. 1.4(0.06) +/- 3(0.12) Approx. 4.6 +0.15 - 0.1
      1/2: Approx. 190 (7.48) +/- 3 (0.12) Approx. 0.55 +/- 0.1
      E: Approx. 195.7 (7.70) +/- 3 (0.12) Approx. 0.35 +0.1 - 0.15

      If resistance value is not as specified, replace the sub sender gauge.

      Fig 8: Inspecting Fuel Sub Sender Gauge Voltage
      G03376921Courtesy of © TOYOTA, LICENSE AGREEMENT TMS1002
  10. INSPECT WATER TEMPERATURE RECEIVER GAUGE RESISTANCE 

    Measure the resistance between terminals.

    HINT:

    Connect the test leads so the current from the ohmmeter can flow according to the chart order.

    RESISTANCE SPECIFICATIONS

    Between terminals Resistance (Ω.)
    A - B 250
    C - D 250

    If resistance value is not as specified, replace the water temperature receiver gauge.

    Fig 9: Inspecting Water Temperature Receiver Gauge Resistance
    G03376922Courtesy of © TOYOTA, LICENSE AGREEMENT TMS1002
  11. INSPECT BRAKE WARNING LIGHT 
    1. Disconnect the connector from the brake fluid warning switch.
    2. Release the parking brake pedal.
    3. Connect terminals on the wire harness side of the level warning switch connector.
    4. Start the engine and check that the warning light lights up.

      If the warning light does not light up, test the LED.

      Fig 10: Inspecting Brake Warning Light
      G03376923Courtesy of © TOYOTA, LICENSE AGREEMENT TMS1002
  12. INSPECT BRAKE FLUID LEVEL WARNING SWITCH 
    1. Disconnect the connector.
    2. Check that no continuity exists between terminals with the switch OFF (float up).
    3. Use siphon, etc. to take fluid out of the reservoir tank.
    4. Check that continuity exists between terminals with the switch ON (float down).
    5. Pour the fluid back in reservoir tank.

      If operation is not as specified, replace the reservoir tank.

      Fig 11: Inspecting Brake Fluid Level Warning Switch
      G03376924Courtesy of © TOYOTA, LICENSE AGREEMENT TMS1002
  13. INSPECT PARKING BRAKE SWITCH CONTINUITY 
    1. Check that continuity exists between the terminal and switch body with the switch ON (switch pin released).
    2. Check that no continuity exists between the terminal and switch body with the switch OFF (switch pin pushed in).
      Fig 12: Inspecting Parking Brake Switch Continuity
      G03376925Courtesy of © TOYOTA, LICENSE AGREEMENT TMS1002
  14. INSPECT OPEN DOOR WARNING LIGHT 

    Disconnect the connector from the door courtesy switch and ground terminal 1 on the wire harness side, and check that the warning light lights up.

    If the warning light does not light up, inspect the LED or wire harness.

    Fig 13: Inspecting Open Door Warning Light
    G03376926Courtesy of © TOYOTA, LICENSE AGREEMENT TMS1002
  15. INSPECT SEAT BELT WARNING LIGHT 
    1. Disconnect the connector from the buckle switch terminal 1 and 2 on the wire harness side connector.
    2. Turn the ignition switch ON and check that the warning light lights up.

      If the warning light does not light up, inspect the LED or wire harness.

      Fig 14: Inspecting Seat Belt Warning Light
      G03376927Courtesy of © TOYOTA, LICENSE AGREEMENT TMS1002
  16. INSPECT BUCKLE SWITCH CONTINUITY 
    1. Check that continuity exists between terminal 2 and 4 on the switch side connector with the switch ON (belt fastened).
    2. Check that no continuity exists between terminal 2 and 4 on the switch side connector with the switch OFF (belt unfastened).

      If operation is not as specified, replace the seat belt inner.

      Fig 15: Inspecting Buckle Switch Continuity
      G03376928Courtesy of © TOYOTA, LICENSE AGREEMENT TMS1002
  17. INSPECT SEAT BELT BUCKLE SWITCH CIRCUIT 

    Disconnect the switch connector and inspect the connector on wire harness side, as shown.

    Fig 16: Inspecting Seat Belt Buckle Switch Circuit
    G03376929Courtesy of © TOYOTA, LICENSE AGREEMENT TMS1002
  18. INSPECT TWIN TRIP AND ODO SWITCH CONTINUITY 
    CONNECTOR TERMINALS SPECIFIED CONDITION

    Switch position Tester connection Condition
    ODO/TRIP Free 1 - 2 No continuity
    ODO/TRIP Pushed in 1 - 2 Continuity
    RESET Free 2 - 3 No continuity
    RESET Pushed in 2 - 3 Continuity

    If continuity is not as specified, replace the twin trip and odo switch.

    Fig 17: Inspecting Twin Trip And Odo Switch Continuity
    G03376930Courtesy of © TOYOTA, LICENSE AGREEMENT TMS1002
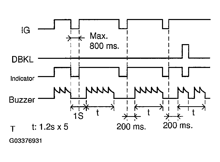
  19. INSPECT SEAT BELT WARNING BUZZER 

    Check that the buzzer sound when turning the ignition switch

    ON with the seat belt unfastened.

    Fig 18: Inspecting Seat Belt Warning Buzzer
    G03376931Courtesy of © TOYOTA, LICENSE AGREEMENT TMS1002
  20. Passenger seat only: INSPECT SEAT BELT WARNING OCCUPANT DETECTION SENSOR CONTINUITY 

    Check that continuity exists between the terminals 1 and 2 when pressing the sensing part.

    If operation is not as specified, replace the sensor.

    Fig 19: Inspecting Seat Belt Warning Occupant Detection Sensor Continuity
    G03376932Courtesy of © TOYOTA, LICENSE AGREEMENT TMS1002
  21. INSPECT RHEOSTAT LIGHT CONTROL VOLUME RESISTANCE 
    CONNECTOR TERMINALS SPECIFIED CONDITION

    Tester connection Condition Specified condition
    2 - 1 Knob turned clockwise Approx. 10Ω-0Ω
    1 - 3 Constant 10kΩ

    If resistance is not as specified, replace switch.

    Fig 20: Inspecting Rheostat Light Control Volume Resistance
    G03376933Courtesy of © TOYOTA, LICENSE AGREEMENT TMS1002
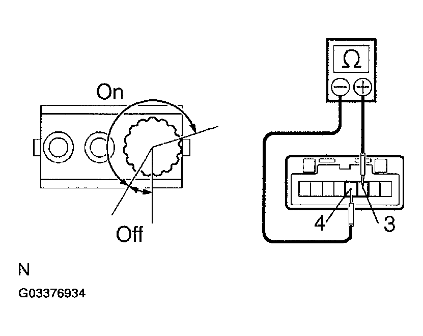
  22. INSPECT TAIL CANCEL SWITCH CONTINUITY 

    Inspect continuity between terminal 3 and 4.

    CONNECTOR TERMINALS SPECIFIED CONDITION

    Switch position Specified condition
    OFF (Knob turned fully clockwise) No continuity
    ON (Knob turned any position except fully clockwise) Continuity

    If resistance is not as specified, replace the switch.

    Fig 21: Inspecting Tail Cancel Switch Continuity
    G03376934Courtesy of © TOYOTA, LICENSE AGREEMENT TMS1002