LEMON Manuals: Even more car manuals for everyone: 1960-2025
Home >> Lexus >> 2003 >> LS 430 >> Repair and Diagnosis >> External Pages >> Different car >> Section 478 (Lighting System - Diagnostics) >> Automatic Light Control System Does Not Operate >> Wiring Diagram
April 5, 2026: LEMON Manuals is launched! Read the announcement.

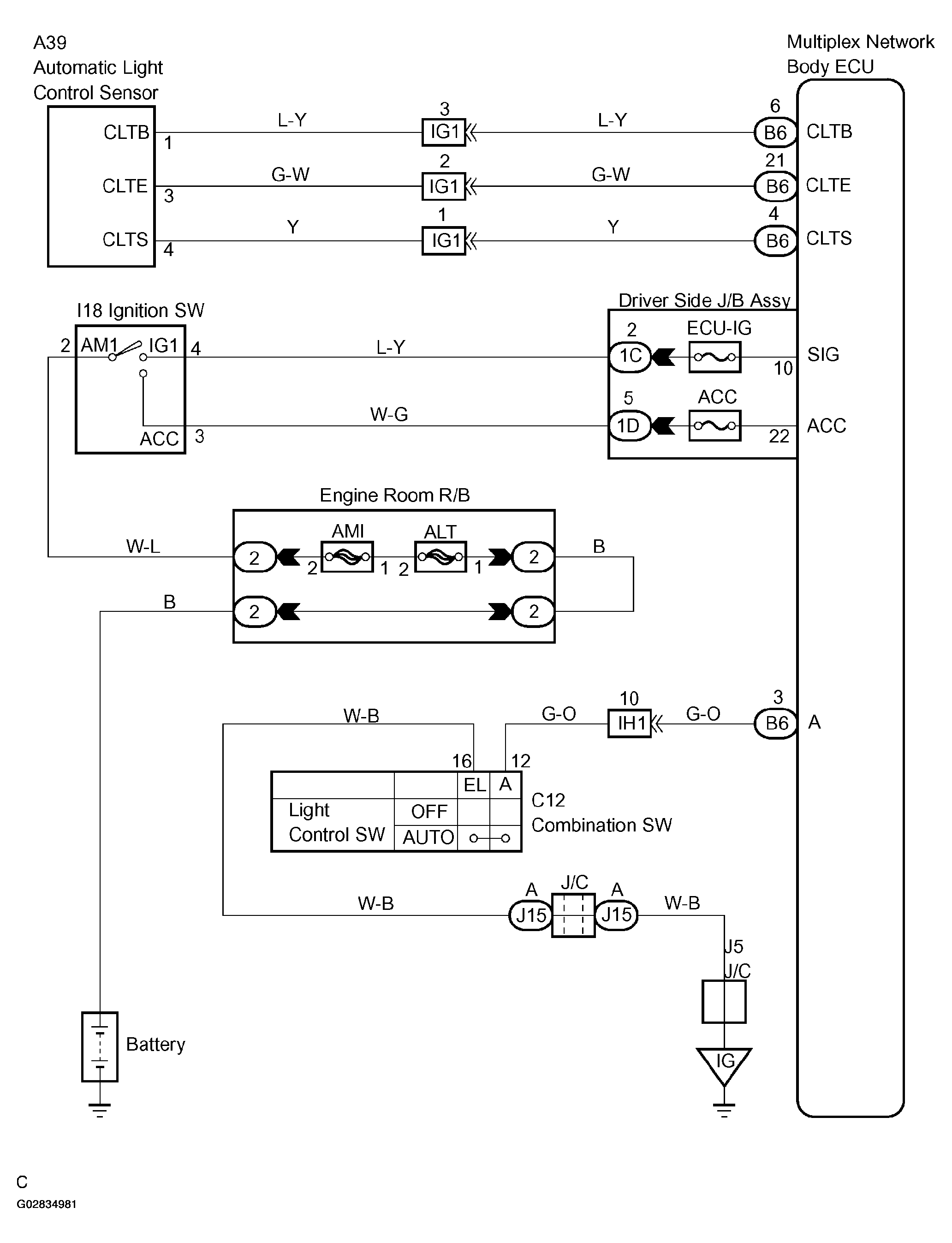
Automatic Light Control System Does Not Operate: Wiring Diagram

WARNING: This page is about a different car, the 2004 Toyota 4Runner. However, it is still accessible from the selected car via links, so may be relevant.
Fig 1: Automatic Light Control System Wiring Diagram
G02834981Courtesy of © TOYOTA, LICENSE AGREEMENT TMS1002