LEMON Manuals: Even more car manuals for everyone: 1960-2025
Home >> Lexus >> 2003 >> LS 430 >> Repair and Diagnosis >> External Pages >> Different car >> Section 481 (Navigation System - Diagnostics) >> Navigation Screen Is Not Stabilized (Synchronous Error) >> Wiring Diagram
April 5, 2026: LEMON Manuals is launched! Read the announcement.

Navigation Screen Is Not Stabilized (Synchronous Error): Wiring Diagram

WARNING: This page is about a different car, the 2004 Toyota 4Runner. However, it is still accessible from the selected car via links, so may be relevant.
Fig 1: Wiring Diagram (1 Of 2)
G02835137Courtesy of © TOYOTA, LICENSE AGREEMENT TMS1002
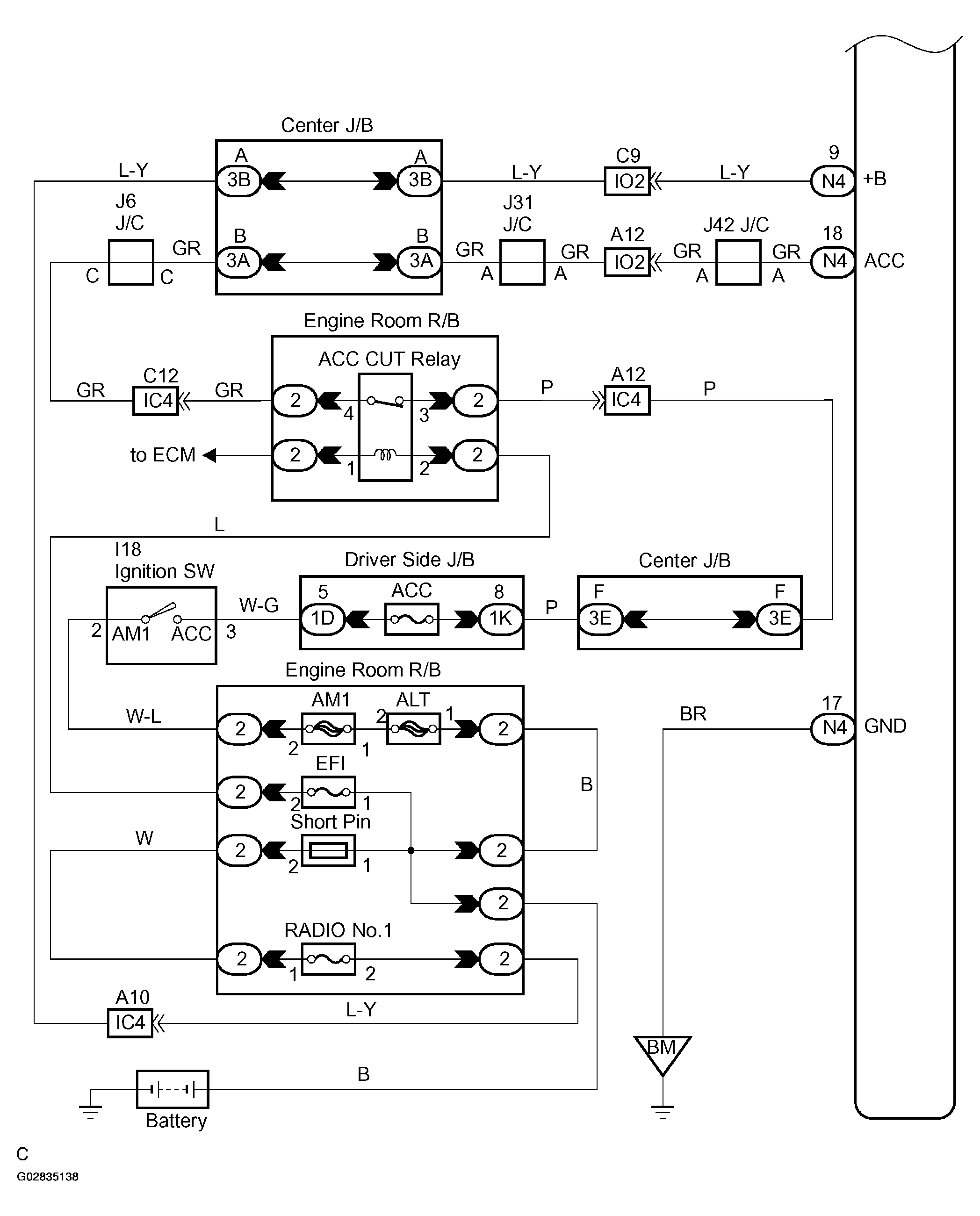
Fig 2: Wiring Diagram (2 Of 2)
G02835138Courtesy of © TOYOTA, LICENSE AGREEMENT TMS1002